单片机中断实验(C51)
-
1 实验任务
-
2 实验讲义
-
3 过程考核
-
4 报告上传
-
5 参考程序
-
6 程序模块化设计
-
7 实操演示
上一节
下一节
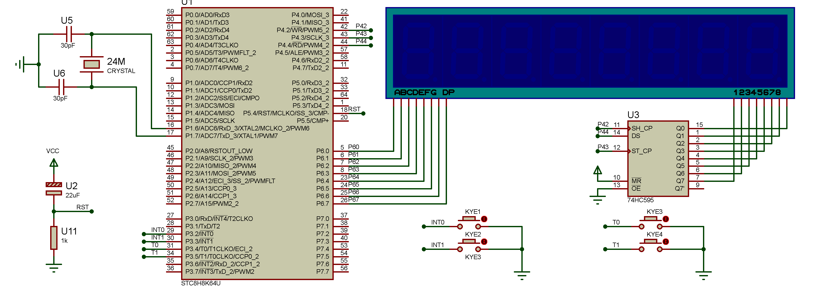
项目5_1:
利用2路中断和8路数码管,构成一个中断控制数码管电路。上电时,首先在单片机实验系统数码管的右1位上显示数字“8”,然后每按动一次外部中断0开关申请一次中断后,数码管显示器上显示的数字“8”向左移动一位。
(1)修改程序,利用外部中断1控制8在数码管上右移。
(2)修改程序,实现中断0控制0-F在数码管逐个移动显示。
(3)修改程序,统计中断次数,计数范围0000-9999,中断0加1,中断1减1。
(4)修改程序,将延时函数进行模块化设计。
(5)修改程序,将中断、数码管等进行模块化设计。




