
国产PCB设计工具有哪些?
目前大家使用比较多的EDA(电子设计自动化)工具,也就是画电子电路原理图,画PCB(打印电路板)的软件工具,基本是国外三大巨头:Altium Designer,Cadence,Mentor。
国产的你可能会听说过立创EDA,其他的国产EDA你们可能都没有听说过,一些老前辈可能会听说过用过。
下面为大家介绍一下曾经出现过,和现在还存活的国产EDA工具(PCB级别)。
立创EDA
首先要介绍的是立创EDA。深圳市立创软件开发有限公司(立创商城子公司)开发。
立创EDA完全免费。如果想支持立创EDA请配套使用立创商城和嘉立创的服务。
始于 2010,基于云端,可以在网页浏览器直接打开使用。数据存储到云端服务器,其他的画图等操作都是在浏览器完成。服务器有多节点备份,自己不需要担心数据丢失本地硬盘问题。
立创EDA目前是已知的唯一一个已经推出并在不断开发更新的,国产PCB设计工具,拥有自主知识产权,研发团队均是国内人员。
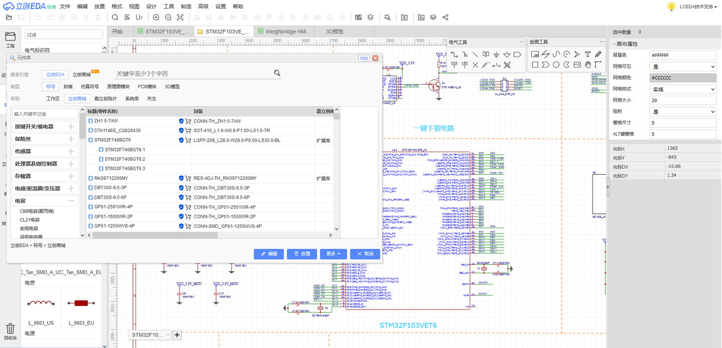
立创EDA标准版
目前立创EDA有两个版本,一个是标准版:https://lceda.cn ,
原理图界面

PCB界面

标准版主打简单易用,快速上手,小板子适用。基础功能上已经大致达到protel 99se的水平,支持导入导出Altium Design格式文件,支持3D预览,支持团队协作等等。最重要的是有超过 30W 立创商城的库文件(这些库都是一个个人工画的),还有 100W 的用户贡献库文件。很多网友都来立创EDA下封装库。。。。

立创EDA标准版有超过30W行代码,这30W行代码都在浏览器里面跑,实现全部功能。使用教程:https://space.bilibili.com/430536057
立创EDA专业版
另外一个是已经发布半年的立创EDA专业版。https://pro.lceda.cn
立创EDA专业版发布在 2020.12 月,因为立创EDA标准版无法支持大PCB,故我们用了一年的时候重写了整个编辑器,使用 GPU 加速,可以实现超过 2W pin 的PCB也可以缩放,平移等不卡顿。
立创EDA专业版没有标准版这么随意,增加了很多限制,更加严谨,以便于减少设计出错的可能。

立创EDA专业版支持层次图,超多页原理图(原理图网表可以支持超过10W Pin的设计),3D step文件导出,3D预览,子系统原理图设计,多板设计,增强的 PDF 导出,支持推挤支持导入 Protel,Altium Designer,Kicad,EAGLE等,后续还会支持 PADS 等等其他常用 EDA 文件导入。后续有差分,等长调整,环绕,自动布线等。
目前立创EDA的开发重点就是专业版。

PCB界面

3D界面

立创EDA专业版有超过110W行代码,这110W行代码都在浏览器里面跑,实现全部的功能。已经是属于非常重型的前端(网页)应用。
不要以为在浏览器的网页应用不及本地的应用,在很多领域的网页应用不比本地应用差,还有可能更好。
立创EDA标准版有客户端,协作模式和工程离线模式,其中工程离线模式支持把你的工程文件保存在本地。下载地址:https://lceda.cn/page/download
立创EDA专业版客户端已经在开发中,会推出协作模式和全离线模式,全离线模式就真的是完全本地的应用,全部数据在本地自行管理。 使用教程:https://prodocs.lceda.cn
青越锋
青越锋是 上海青越软件有限公司 开发的一款PCB设计软件。与Protel 99se比较接近。
它发布于 2008,但是官网和软件已经很多年没有更新功能,是收费软件。查看该公司的工商信息,可能已经停止开发。
最近一次更新是在2020年11月29日,兼容了win10系统,没有其他的更新。
官网介绍:上海青越软件有限公司推出的青越锋是一款完全自主知识产权的国产EDA软件,分为单机版和网络版两种,每个版本分为四个功能模块:SchLib、SchDoc、PCBLib、PCBDoc。青越锋集成了世界领先EDA软件的特性和技术,为用户提供了一个图形化的人机交互设计平台和一系列完备的设计规则以及强大的完全可控的参数化设计手段,从功能上解决了同类软件在设计上的一些不足,可在更短的时间设计出更加高级更加创新的电子产品,为电子设计提供了更加快捷的新方法。
原理图界面

PCB界面

遗憾没有继续更新新功能和界面。
EDA2002
EDA2002是厦门超伦软件有限公司开发,发布于 2004 年。
现在已经无法访问该公司的网站,公司状态也已经挂起中。已经停止开发和维护。

原理图界面

PCB界面

厦门超伦软件还发布了一版 EDA2008 的测试版本,界面和 Altium Designer/DXP 很像,已经有 PCB 编辑器,可惜没有继续往下开发。

EDA2008原理图界面

PCB界面

挺可惜没有继续开发。
联创电路设计系统
Liatro Electrical Design 联创电路设计系统 是一个专门画原理图的工具,没有PCB编辑器。
发布于 1999,目前官网也已经失效,公司也注销了。

原理图界面

EDA工具属于工业软件,开发难度大,时间跨度长,不容易有产出。
在国内,芯片级别的EDA工具有数十家,可惜已知的PCB级别的EDA就这几家。
国产PCB级别的EDA几十年前就已经出现,但是目前只剩下立创EDA一家还在继续开发和维护。很是遗憾,可能是资金断裂,可能是功能赶不上国外巨头被市场淘汰,种种原因下,国产EDA工具的消失让人感到唏嘘。
虽然立创EDA还比不上国外的几大巨头,相信有一天,国产的EDA工具也可以在国内外大放异彩,为国家安全,企业采购EDA增加议价权,为不被某些国家卡脖子贡献出一份力量。
作为当代大学生没有使用过,不看好国产EDA,不支持也没有关系,也请不要诋毁伤害,正是我们国家有很多默默无闻的人为研发中国人自己的工业软件,自己的电子硬件技术,在不断奋斗,有可以不断打击海外巨头的高傲气焰。
未来可期,加油,国产工业软件!

