实验内容
上一节
下一节
一、实验内容及步骤



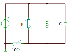
图 6-2
1、实验电路按图6-2接线,其中R=1.5KΩ,L=180mH,C=0.1uF。
2、将正弦信号发生的输出电压调到4V,频率f为10kHz。分别测量各支路的电流 IR、IL、IC 及总电流I,将测量结果填入表6-1中。电流的测量采用间接测量方法,用示波器测量R =10Ω的电压,然后再折算成电流。
3、将正弦信号发生器的频率调至15kHz,重新测量以上各值,并将结果填入表6-1。
10kHz | 15kHz | |||||
计算值 | 测量值 | 误差 | 计算值 | 测量值 | 误差 | |
IR (mA) | ||||||
IL (mA) | ||||||
IC (mA) | ||||||
I (mA) | ||||||
表6-1
二、仪器设备
1、870B电工技术实训考核装置
2、双踪示波器
3、直流电路基本原理一
4、10Ω的电阻
三、实验报告
1、根据实验结果,说明RLC元件在交流电路中的性能。
2、试说明在正弦激励下,RLC并联电路中稳态电流的关系。
3、回答思考题:
(1)电容器的容抗和电感器的感抗和哪些因素有关?
(2)在直流电路中电容和电感的作用如何?
(3)根据实验结果画出不同频率下,电源电压和各电流的相量图。

