微分方程的求解
上一节
下一节
求解微分方程的解
方法一:M文件编写
脚本文件
[T,y]=ode45(@lz61,[0,20],[0 0.5 -0.5]);
plot(T,y(:,1),'r',T,y(:,2),'b*',T,y(:,3),'k-')
legend('y1','y2','y3')
函数文件lz61.m
function Dy=lz61(t,y)
Dy=zeros(3,1);
Dy(1)=y(2)*y(3);
Dy(2)=-y(1)*y(3);
Dy(3)=-2*y(1)*y(2);
end
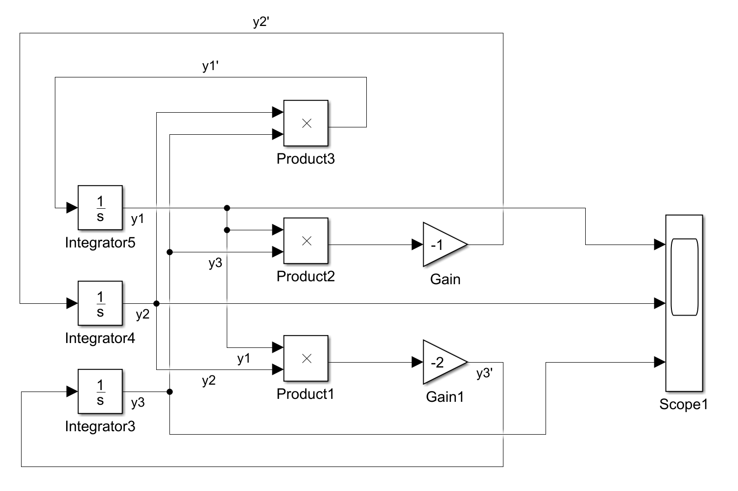
方法二:Simulink建模

参数设置:
y1(0)=0,y2(0)=0.5,y3(0)=-0.5


仿真结果:

方法三:Simulink建模 嵌入函数模块
同样需要设置y1,y2,y3的初值。
加入示波器,测试y1,y2,y3信号


