课程思政
上一节
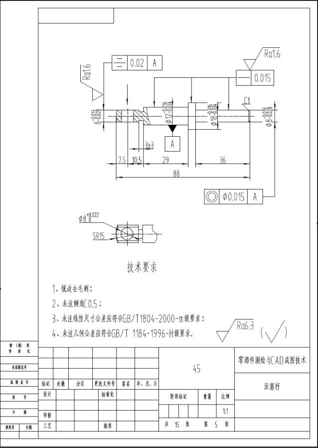
课前,给学生展示一张活塞杆的零件图纸,并提问大家知道这个图纸是怎样打印输出来的吗?我们为什么要将图纸打印输出来呢?

《图形的打印输出》任务中,通过讲述如何将绘制好的dwg格式的图形文件分享给更多的人?可以转换成pdf格式的文件,发送给其他同学,实现资源共享。在这个过程中让大家懂得分享,将有价值的信息和美好的东西与大家一起分享。除此之外,我们还可以将其打印出来,分享给有需要的人,同时强调大家要尊重别人的成果,要有版权意识,不得随意转发或篡改别人的成果,以此警醒学生,强化学生的保密意识从而强化学生在生活中及以后工作中的保密意识。

