超声波避障与LED测距实验
上一节
下一节
超声波避障与LCD测距实验

超声波避障模块

LED测距显示屏
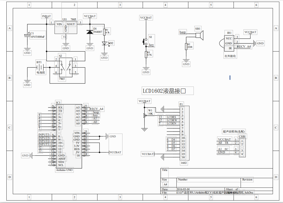
Arduino超声波测距LCD显示电路图.

目录

超声波避障模块

LED测距显示屏
Arduino超声波测距LCD显示电路图.
