-
1 讲稿
-
2 教学视频
3.3 单层厂房柱的设计
柱的设计内容一般包括确定柱外形和截面尺寸;根据各控制截面最不利的内力进行截面承载力设计;施工吊装运输阶段的承载力和裂缝宽度验算;与屋架、吊车梁等构件的连接构造和绘制施工图等;当有吊车时还需进行牛腿设计。
3.3.1柱的截面尺寸
柱截面尺寸除应保证柱具有一定的承载力外,还必须使柱具有足够的刚度,以免造成厂房横向和纵向变形过大,发生吊车轮和轨道的过早磨损,影响吊车正常运行或导致墙和屋盖产生裂缝,影响厂房的正常使用

3.3.2柱的计算长度
在排架柱配筋计算之前,需要确定柱的计算长度。采用刚性屋盖的单层工业厂房柱和露天吊车栈桥柱的计算长度l0可按表3-9采用。

3.3.3柱的吊装验算
问题:柱的吊装验算时如何选择内力计算模型?应验算哪些截面?有哪些验算要求?
单层厂房排架柱一般采用预制钢筋混凝土柱。预制柱应根据运输、吊装时混凝土的实际强度进行吊装验算。一般考虑翻身起吊[图3-70,(a)]或平吊[图3-70,(b)],其最不利位置及相应的计算简图,如图3-70(c)所示。图中g1为上柱自重、g2为牛腿部分柱自重、g3为下柱工字形截面自重。按图3-70,(c)中的1-1、2-2和3-3截面,分别进行承载力和裂缝宽度验算。验算时应注意下列问题:

3.3.4牛腿设计
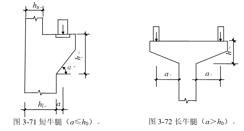
在单层厂房中,常采用柱侧伸出的牛腿来支承吊车梁、屋架(屋面梁)和托架等构件。尽管牛腿比较小,但负荷较大或有动力作用,所以它是一个比较重要的结构构件。在设计时必须重视牛腿的设计。
根据牛腿竖向力Fv的作用点至下柱边缘的水平距离a的大小,一般把牛腿分成两类:
当a≤h0时为短牛腿(图3-71),a>h0时为长牛腿(图3-72)。此处h0为牛腿与下柱交接处牛腿垂直截面的有效高度。长牛腿的受力特点与悬臂梁相似,可按悬臂梁设计。支承吊车梁等构件的牛腿均为短牛腿(以下简称牛腿),它实质上是一变截面深梁,其受力性能与普通悬臂梁不同。


