电工学Ⅱ

吉林大学电工学课程组

目录

  • 1 第一章 常用半导体器件
    • 1.1 第一节  PN结及其单向导电性
      • 1.1.1 绪论
      • 1.1.2 半导体材料介绍
      • 1.1.3 PN结的形成
    • 1.2 第二节  半导体二极管
      • 1.2.1 二极管例题
    • 1.3 第三节  特殊二极管
      • 1.3.1 稳压管
      • 1.3.2 其它特殊的二极管
    • 1.4 第四节  晶体三极管
      • 1.4.1 三极管的放大原理
        • 1.4.1.1 三极管特性曲线
      • 1.4.2 三极管例题
    • 1.5 第一章知识点总结
    • 1.6 第一章作业解析
  • 2 第四章 直流稳压电源
    • 2.1 第一节 整流电路
      • 2.1.1 单相半波整流电路
      • 2.1.2 桥式全波整流电路
    • 2.2 第二节 滤波电路
    • 2.3 第四节集成稳压电路
    • 2.4 第四章知识点总结
  • 3 第二章 基本放大电路
    • 3.1 第一节  放大电路的组成
      • 3.1.1 放大的概念
      • 3.1.2 放大电路的组成
    • 3.2 第二节  放大电路的图解法
      • 3.2.1 静态工作点的估算
      • 3.2.2 放大电路的动态分析
    • 3.3 第四节  放大电路的微变等效法
      • 3.3.1 放大电路微变等效电路的画法
      • 3.3.2 放大电路的微变等效电路法
    • 3.4 第三节  静态工作点稳定电路
    • 3.5 第五节  共集电极放大电路
      • 3.5.1 共集电极放大电路的分析
      • 3.5.2 共集电极放大电路的特点及应用
    • 3.6 三极管放大电路例题
    • 3.7 放大电路的输出电阻盘点
    • 3.8 第七节  阻容耦合多级放大电路
      • 3.8.1 阻容耦合多级放大电路的分析
      • 3.8.2 阻容耦合放大电路的频率特性
    • 3.9 第二章知识点总结
    • 3.10 作业解析
  • 4 第三章集成运算放大器及其应用
    • 4.1 第一节 直接耦合放大电路
    • 4.2 第二节 差动放大电路
      • 4.2.1 基本差动放大电路
      • 4.2.2 典型差动放大电路
      • 4.2.3 拓展1:差动放大电路的分析计算
      • 4.2.4 拓展2:具有恒流源的差动放大电路
      • 4.2.5 拓展3:差动放大电路的四种接法
    • 4.3 第三节 集成运算放大器简介
      • 4.3.1 集成运放的概述、种类、性能指标
      • 4.3.2 集成运放的传输特性和理想模型
    • 4.4 第四节 集成运放在信号运算电路中的应用
      • 4.4.1 比例和加法运算电路
      • 4.4.2 减法、微积分运算电路
      • 4.4.3 运算电路习题
    • 4.5 第五节 放大电路中的负反馈
      • 4.5.1 什么是反馈
      • 4.5.2 深度负反馈的实质
      • 4.5.3 拓展1:反馈的类型和判断
      • 4.5.4 拓展2:负反馈对放大电路性能的影响
    • 4.6 第六节 集成运放在信号处理方面的应用
      • 4.6.1 电压比较器简介
      • 4.6.2 单限比较器
      • 4.6.3 电压比较器例题
    • 4.7 第三章知识点总结
  • 5 第六章数字电路基础
    • 5.1 第一节 数字电路概述
    • 5.2 第二节 数制与码制
    • 5.3 第三节 基本逻辑关系及其门电路
      • 5.3.1 与门
      • 5.3.2 或门及其他门电路
      • 5.3.3 逻辑问题的描述
    • 5.4 第四节 TTL与非门
    • 5.5 第七节 逻辑代数的基本公式和定律
    • 5.6 第八节 逻辑函数的最小项之和的形式和化简方法
      • 5.6.1 逻辑函数的代数化简法
      • 5.6.2 逻辑函数的最小项之和
      • 5.6.3 卡诺图化简法
      • 5.6.4 逻辑函数化简例题
    • 5.7 第六章知识点总结
    • 5.8 第六章·作业
  • 6 第七章 组合逻辑电路
    • 6.1 第一节 组合逻辑电路的分析
      • 6.1.1 组合逻辑电路的分析
      • 6.1.2 组合逻辑电路的分析例题
    • 6.2 第二节 组合逻辑电路的设计
      • 6.2.1 组合逻辑电路的设计
      • 6.2.2 组合逻辑电路设计例题
    • 6.3 第三节 编码器和译码器
      • 6.3.1 编码器
      • 6.3.2 译码器
    • 6.4 第四节 数据分配器和选择器
    • 6.5 第五节 运算器
    • 6.6 第七章知识点总结
  • 7 第八章 双稳态触发器和时序逻辑电路
    • 7.1 第一节 基本双稳态触发器
      • 7.1.1 触发器概述
      • 7.1.2 基本RS触发器
    • 7.2 第二节 钟控双稳态触发器
      • 7.2.1 钟控RS触发器
      • 7.2.2 JK触发器
      • 7.2.3 D触发器和T触发器
      • 7.2.4 触发器的转换
    • 7.3 第三节 寄存器
      • 7.3.1 数码寄存器
      • 7.3.2 移位寄存器
    • 7.4 第四节 计数器
      • 7.4.1 二进制计数器
      • 7.4.2 十进制计数器
      • 7.4.3 计数器例题
    • 7.5 第五节 集成计数器
      • 7.5.1 集成计数器功能介绍
      • 7.5.2 任意进制计数器
      • 7.5.3 第八章知识点总结
  • 8 仿真实验
    • 8.1 仿真实验操作简介
    • 8.2 组合逻辑电路设计(仿真篇)
    • 8.3 集成计数器设计(仿真篇)
    • 8.4 项目1 单管放大电路
    • 8.5 项目2 集成运算放大器
    • 8.6 项目3  组合逻辑电路
    • 8.7 项目4  时序逻辑电路
  • 9 线下实验
    • 9.1 常用仪器使用
      • 9.1.1 直流稳压电源
      • 9.1.2 数字多用表
      • 9.1.3 函数发生器
      • 9.1.4 双路毫伏表
      • 9.1.5 双踪示波器
    • 9.2 实验1单管放大电路
    • 9.3 实验2 集成运算放大器
    • 9.4 实验3 组合逻辑电路的设计
    • 9.5 实验4 集成计数器的设计
    • 9.6 实验5 数字电路的应用——组合逻辑电路和触发器的应用
  • 10 复习题讲解
    • 10.1 课程重点来了
    • 10.2 两套复习题
    • 10.3 复习题难题讲解
      • 10.3.1 第一套触发器画波形
      • 10.3.2 第一套第八题
      • 10.3.3 第一套第九题
      • 10.3.4 第一套第七题
      • 10.3.5 第二套第一题
      • 10.3.6 第二套 第二题
      • 10.3.7 第二套第三题部分
      • 10.3.8 第二套 第四题
      • 10.3.9 第二套第五题
      • 10.3.10 第二套第七题
      • 10.3.11 第二套第九题
      • 10.3.12 计数器设计大全
  • 11 仿真实验
    • 11.1 仿真实验操作简介
    • 11.2 项目2 集成运算放大器
    • 11.3 组合逻辑电路设计(仿真篇)
    • 11.4 集成计数器设计(仿真篇)
  • 12 线下实验
    • 12.1 常用仪器使用
      • 12.1.1 直流稳压电源
      • 12.1.2 数字多用表
      • 12.1.3 函数发生器
      • 12.1.4 双路毫伏表
      • 12.1.5 双踪示波器
    • 12.2 实验1 模拟电子技术实验
    • 12.3 实验3 数字电路的设计
项目3  组合逻辑电路

仿真实验3   组合逻辑电路的分析与设计

1. 实验目的

(1)       掌握逻辑转换仪的使用方法。

(2)       初步学会使用逻辑转换仪进行数字电路设计。

(3)       掌握芯片的选用和功能查询方法。

2、实验内容

2.1 组合逻辑电路分析

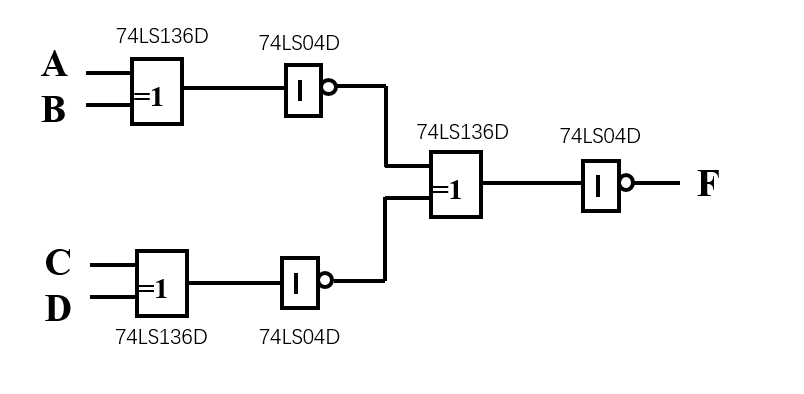
1)绘制图2-1中的组合逻辑电路。其中,三个异或门来自同一片74LS136D,三个非门来自同一片74LS04D。

报告要求:查询两个芯片的功能介绍,并在此处提供绘制好的电路图和芯片查询结果。

图 3-1   待分析组合逻辑电路

2)利用逻辑转换仪获得该电路的真值表、表达式。

报告要求:在此处提供电路的真值表和表达式分析结果截图。

3)通过真值表分析该电路的逻辑功能。

报告要求:文字描述功能即可

2.2 组合逻辑电路设计

自由选择一个逻辑功能,完成组合逻辑电路设计及逻辑分析仪仿真。

1)使用逻辑转换仪获得逻辑表达式及化简表达式。

报告要求:在此处提供真值表和表达式分析结果截图。

2)根据表达式生成普通门电路及与非门门电路。

报告要求:在此处提供生成的电路结果截图。

3.撰写实验报告:  按以上要求,写电子版实验报告,报告中插入截图。上交报告截止时间:2022.5.15  实验报告以“学号+姓名”命名文件。班长统一收齐,打包交给授课教师。