目录

  • 1 课程概述
    • 1.1 课程介绍
    • 1.2 课程标准
    • 1.3 技能等级认定
    • 1.4 岗课融通
    • 1.5 技能大赛
  • 2 基础篇
    • 2.1 课前导学
    • 2.2 项目一 齿轮箱定位台阶轴的加工
      • 2.2.1 任务1 数控车床及其操作
      • 2.2.2 任务2 数控车削指令
      • 2.2.3 任务3 齿轮箱定位台阶轴加工工艺分析与编程
      • 2.2.4 任务4 齿轮箱定位台阶轴加工
      • 2.2.5 任务5 齿轮箱定位台阶轴的检验与质量分析
      • 2.2.6 任务6 工作总结与评价
    • 2.3 项目二 模具模板的加工
      • 2.3.1 任务1 数控铣床及其操作
      • 2.3.2 任务2 数控铣削指令
      • 2.3.3 任务3 模具模板加工工艺分析及编程
      • 2.3.4 任务4 模具模板的加工
      • 2.3.5 任务5 模具模板的检验与质量分析
      • 2.3.6 任务6 工作总结与评价
  • 3 进阶篇
    • 3.1 课前导学
    • 3.2 项目一 吸尘器底盘加工
      • 3.2.1 任务1 工艺分析与编程
      • 3.2.2 任务2 零件加工
      • 3.2.3 任务3 检验与质量分析
      • 3.2.4 任务4 工作总结与评价
      • 3.2.5 任务5 拓展提升
    • 3.3 项目二 吸尘器后盖加工
      • 3.3.1 任务1 工艺分析与编程
      • 3.3.2 任务2 零件加工
      • 3.3.3 任务3 检验与质量分析
      • 3.3.4 任务4 工作总结与评价
      • 3.3.5 任务5 拓展提升
    • 3.4 项目三 产品组装及质量分析
    • 3.5 学习总结
  • 4 提高篇
    • 4.1 课前导学
    • 4.2 项目一  摇头风扇连接轴加工
      • 4.2.1 任务1 工艺分析与编程
      • 4.2.2 任务2 零件加工
      • 4.2.3 任务3 检验与质量分析
      • 4.2.4 任务4 工作总结与评价
      • 4.2.5 任务5 拓展提升
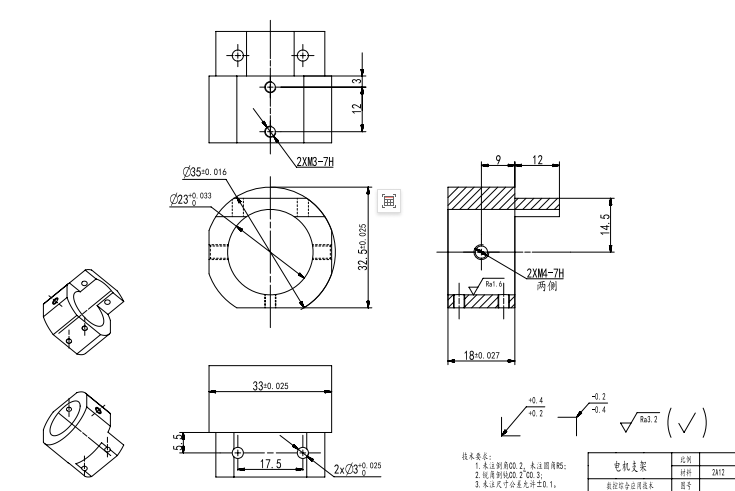
    • 4.3 项目二 摇头风扇电机支架加工
      • 4.3.1 任务1 工艺分析与编程
      • 4.3.2 任务2 零件加工
      • 4.3.3 任务3 检验与质量分析
      • 4.3.4 任务4 工作总结与评价
      • 4.3.5 任务5 拓展提升
    • 4.4 项目三 成品组装及质量分析
    • 4.5 学习总结
项目二 摇头风扇电机支架加工