“1+X证书项目”的车削加工编程
-
1 教学目标
-
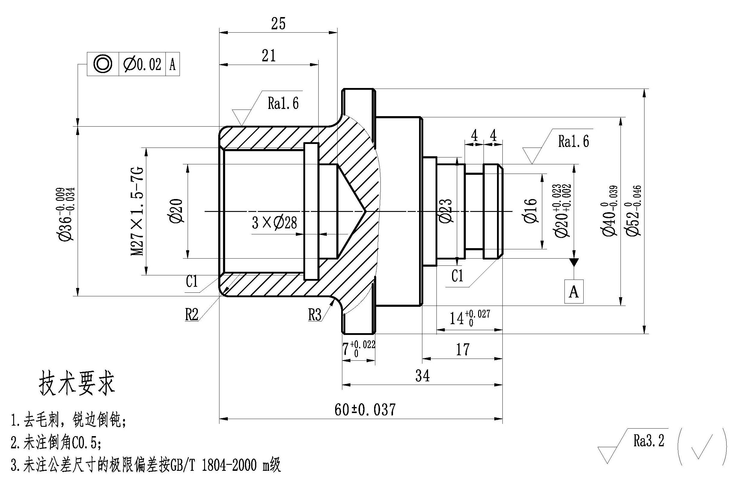
2 加工任务
-
3 加工工艺分析
-
4 加工工艺
-
5 加工步骤
-
6 加工视频
-
7 课后练习
-
8 检测与改进
-
9 思政元素
上一节
1、知识目标
1.了解零件数控车削加工工序分析的思路。
2.熟悉“1+X证书项目”零件的车削加工策略方法和技巧。
3.熟悉外径加工和内径加工参数的设置。
2、能力目标
能根据“1+X证书项目”零件特点选用合适的车削加工参数,培养灵活的加工思维。
3、思政目标
通过严谨缜密的编程思路讲解,深刻精雕细琢精神在数控编程中的重要性。



