工频X线机具有许多不可避免的弱点:①体积与重量庞大;②输出波形脉动率高、X线剂量不稳定、软射线成分较多;③曝光参量的准确性和重复性较差。为解决这些问题,将直流逆变技术引入X线机中,使高压发生器的工作电源由工频(50或60Hz)提高到中频(400Hz~20kHz)、甚至高频(20~100kHz)。采用这种技术的X线机称之为中、高频X线机。随着技术的发展,中频X线机已逐步被高频X线机取代,本节着重介绍高频X线机。
HF-50R型高频机具有普通摄影、器官程序摄影(APR)、电离室自动曝光(AEC)等多种摄影方式。其主要技术参数如下:
(1)电源:供电形式为三相四线制,(380±38)V、(50±1)Hz,容量为55kVA的交流电源。本机的供电电源应具有同时切断三根相线的分段开关,此开关应符合IEC328标准,且不能自动复位。开关及所配熔断器的容量不应低于63A,本机不允许接在临时性小容量发电机设备上,亦不允许与其他瞬时大负载设备同一线路并联使用。
(2)电源电阻:小于0.3Ω
(3)保护接地电阻:小于4Ω
(4)摄影管电压调节范围:40~150kV,最小可调间隔不大于1kV
(5)摄影管电流调节范围:小焦点为25~100mA,大焦点为125~500mA
(6)曝光时间调节范围:5~5000ms
(7)mAs调节范围:0.5~500mAs
(8)焦点:小焦点为0.6mm x 0.6mm,大焦点为1.2mm x 1.2mm
(9)标称功率:大焦点为50kW,小焦点为15kW
1.病人的皮肤剂量低 工频机特别是单相全波整流X线机,其高压变压器输出波形是脉动直流,波纹系数为100%,对成像没有任何帮助的软射线成分较多。中、高频机高压发生器输出波形近似于恒定直流,脉动率非常低,波纹系数<±5%,输出X线的单色性和高能性大大提高,病人的皮肤剂量大为降低。
2.成像质量高 从X线成像原理可知,连续线谱的X线,物质对其吸收不遵守指数规律,射线通过物质以后,不仅有光子数量的减少,而且还有光子能量的变化,成像质量较差。而单能窄束X线,物质对其吸收遵守指数规律,射线透过物质以后,只有光子数量的减少,没有光子能量的变化,这对于提高成像质量十分有利。
3.输出剂量大 因高频机属恒定直流曝光,故在胶片获得同样黑化度的情况下,中、高频机的mAs值是工频机的60%。例如单相全波整流X线机,一个脉冲的持续时间为10ms,大于0.707倍峰值的持续时间约为5ms,而中、高频机恒定直流曝光10ms的剂量就相当于单相全波整流X线机曝光20ms的剂量。如果曝光时间相同,中、高频机使用300mA提供的X线剂量与单相全波整流X线机500mA提供的X线剂量基本相同。
4.实时控制 曝光过程中可对kV和mA进行实时控制。中、高频机的kV通常由直流逆变器输出脉冲的频率来调节,逆变器输出频率不仅受kV设定值控制,同时还受kV检测信号控制,在曝光过程中,输出频率可根据检测信号与设定值比较的结果进行迅速的调整跟踪,以确保kV实际值等于设定值。而工频机的kV则由自耦变压器调节,虽然在曝光前可以进行补偿,但一旦曝光开始,为防止碳轮移动产生电弧,同时由于曝光时间短,碳轮驱动系统的机械惯性跟不上电信号的变化,碳轮将处于制动状态,这时由于电源电压波动或其它因素造成的输出高压变化便无法控制,所以kV实际值与预示值偏差较大。同理,中、高频机的mA通常由直流逆变器输出脉冲的宽度来调节,逆变器输出脉宽不仅受mA设定值控制,同时还受灯丝加热或mA检测信号控制,在曝光过程中,输出脉宽可根据检测信号与设定值比较的结果进行迅速的调整跟踪,以确保mA实际值等于设定值。而工频机的mA调节电路则需要设置稳压电源,同时由于空间电荷效应的影响,灯丝电路还要进行补偿,尽管采取很多措施,mA实际值与设定值仍有较大误差。另外,实时控制可以使中、高频机曝光参量的重复性大大提高。因为中、高频机的设定电路和检测电路可以做得很精确,所以不论影响kV和mA的因素有多少,只要其变化幅度在某一允许范围内,中、高频机每次曝光输出量都可以保持基本一致,而工频机很难做到这一点。
5.高压变压器的体积小、重量轻 根据变压器的工作原理,变压器初级线圈的匝数和铁芯截面积的乘积与初级电压和电源频率之间的关系为:
NS=E/4.44 fB
式中:N为初级匝数;S为铁芯截面积;E为初级电压;f是工作频率;B为磁通密度。由于f越大,NS就越小,因此中、高频高压发生器比工频高压发生器的体积和重量要小得多,这一优点对生产便携式和移动式X线机非常有利。采用中、高频技术的便携式和移动式X线机在X线输出剂量和线质上,在操作轻便灵活上,在对电源适应能力上,在安全与美观上与工频机相比都具有无可比拟的优越性。
6.可实现超短时曝光 X线机超短时曝光取决于高压波形的上升沿,中、高频机高压波形上升沿很陡,一般是十几至几十微秒,所以最短曝光时间可达1ms。工频机的高压波形按正弦波形变化,上升沿缓慢,比如单相全波整流X线机,高压次级波形一个周期是10ms,而有效电压只占5ms,所以工频机最短曝光时间至少要大于3ms。
7.便于智能化 高频机使用计算机对整机进行控制和管理,这和工频机相比有着显著的不同,计算机的应用将中、高频机的各种性能提高到一个崭新的水平,比如降落负载、曝光限时、故障报警、实时控制、数据存储、自动处理等,这些都为X线机的数字化和智能化创造了必要条件。
高频机与工频机性能对比如表3-2所示。
表3-2 高频机与工频机性能对比表
| 项目 | 高频机 | 工频机 | 项目 | 高频机 | 工频机 |
| 线谱 | 窄 | 宽 | 波形 | 近似直流 | 1~12脉冲 |
| 稳定性 | 随调稳定 | 预调不稳定 | 可控性 | 实时 | 预置 |
| 有效成分 | 高 | 低中 | 皮肤剂量 | 中 | 大 |
| 重复性 | ≤0.02 | ≤0.05 | 体积重量 | 小 | 大 |
| 管电压 | <5% | <10% | 设计要求 | 高 | 中 |
| mAs值 | <±10% | <±20% | 材料要求 | 高 | 一般 |
| 短时曝光 | 1ms | 3ms | 适用范围 | 大、中型 | 全型号 |
HF50R型高频机的电路构成如图3-2所示。它主要由交-直变化电路、上位计算机系统、下位计算机系统、IPM触发及逆变电路、灯丝触发及逆变电路、旋转阳极启动电路、键盘及显示电路、接口电路、曝光控制电路等组成。上位计算机(控制台)和下位计算机(高压发生器)是整个高频机的核心。生、下位计算机主要由单片机和外围电路构成。上位计算机一方面控制着操作面板上参赛曝光。曝光方式、体型与部位、投照方向的按键操作和显示,同时还控制整个下位计算机系统的工作状态。下位计算机则控制高频发生器按选定曝光条件产生一定“质”和“量”的X线。上位计算机和下位计算机之间曝光参赛和控制命令的传送通过两个单片机的串行通讯口,按RS232串行通讯协议进行。

图3-2 高频机的电路构成方框图
如图3-2所示,工频电源电压Vo经过整流、滤波后变为500V左右的直流电压V1,此电压经主逆变电路后成为几十千赫(kHz)的高频电压V2,该高频电压送高压变压器的高压变压器初级,经高压变压器升压后,将次级所获交流高频电压再经倍压整理变程恒直流高压V3,为X线管提供管电压。管电压的控制采用脉宽调制(pulse width modulation,PWM)方式。在曝光过程中,管电压采样信号与设定值实时进行比较,产生的误差电压经脉宽调制后控制逆变桥的导通时间,确保管电压实际值等于设定值。
工频电源Vo经过整流、滤波、调整后输出直流电压V4,逆变后成为10kHz的中频电压V5,该电压送灯丝变压器初级,次级输出作为X线管的灯丝加热电压V6。灯丝加热电流的调节也采用PWM模式,在曝光过程中,灯丝电流采样信号与设定值实时进行比较,经脉宽调制后控制灯丝逆变触发脉冲的宽度,确保管电流实际值等于设定值。
直流逆变电源亦称中、高频电源。它是中、高频机的重要组成部分之一,也是中、高频机区别于工频机的标识性电路。它主要由直流电源、直流逆变和逆变控制等三部分电路构成。
(一)直流电源
直流电源是逆变电路的工作电源。小型中、高频机可直接用蓄电池供电,或由220V单相交流电源经整流后变为直流电源。15kW以下的中、高频机一般使用220V单相交流电源,经桥式整流或倍压整流后转换成直流电源。15kW以上的中、高频机多采用380V三相交流电源,经三相桥式整流、滤波后转换成直流电源。
(二)桥式逆变
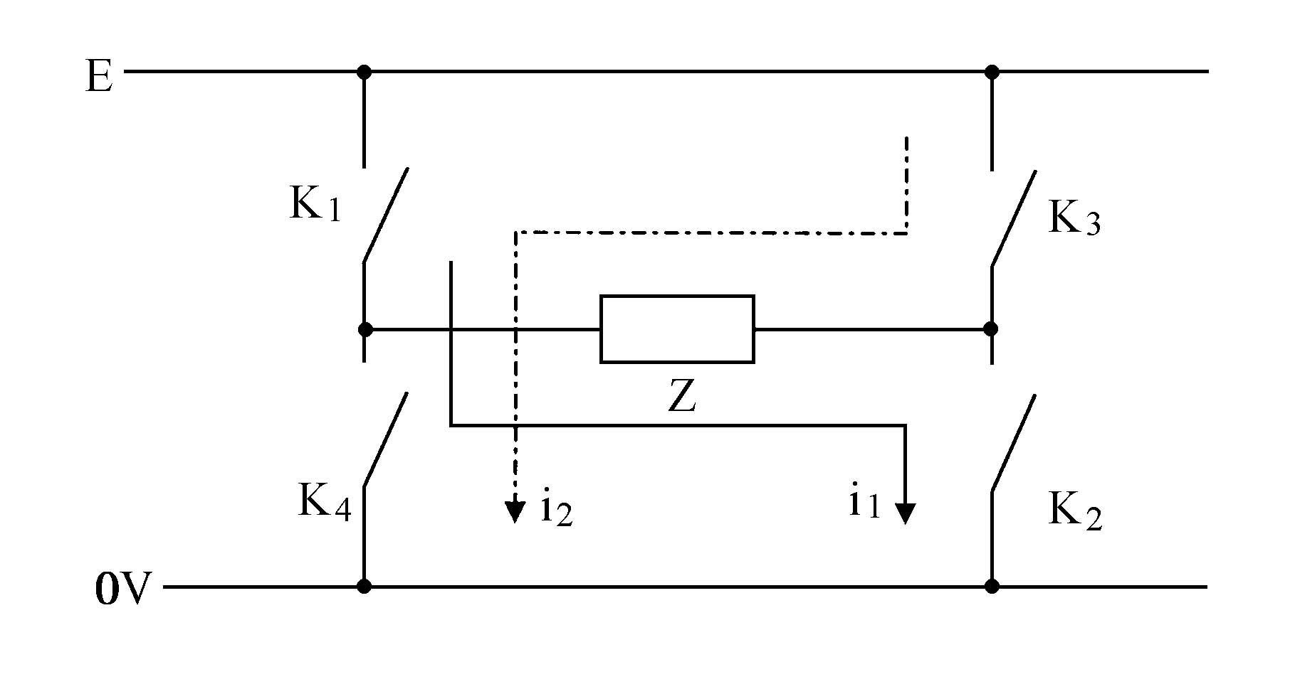
将直流电压变换为某一中、高频交流电的过程称为直流逆变。直流逆变的方法通常有三种:①桥式逆变;②半桥式逆变;③单端逆变。桥式逆变的应用最为普遍,本章所介绍的中、高频机,它的主逆变(高压逆变)和灯丝逆变均采用桥式逆变,其逆变原理如图3-3所示。
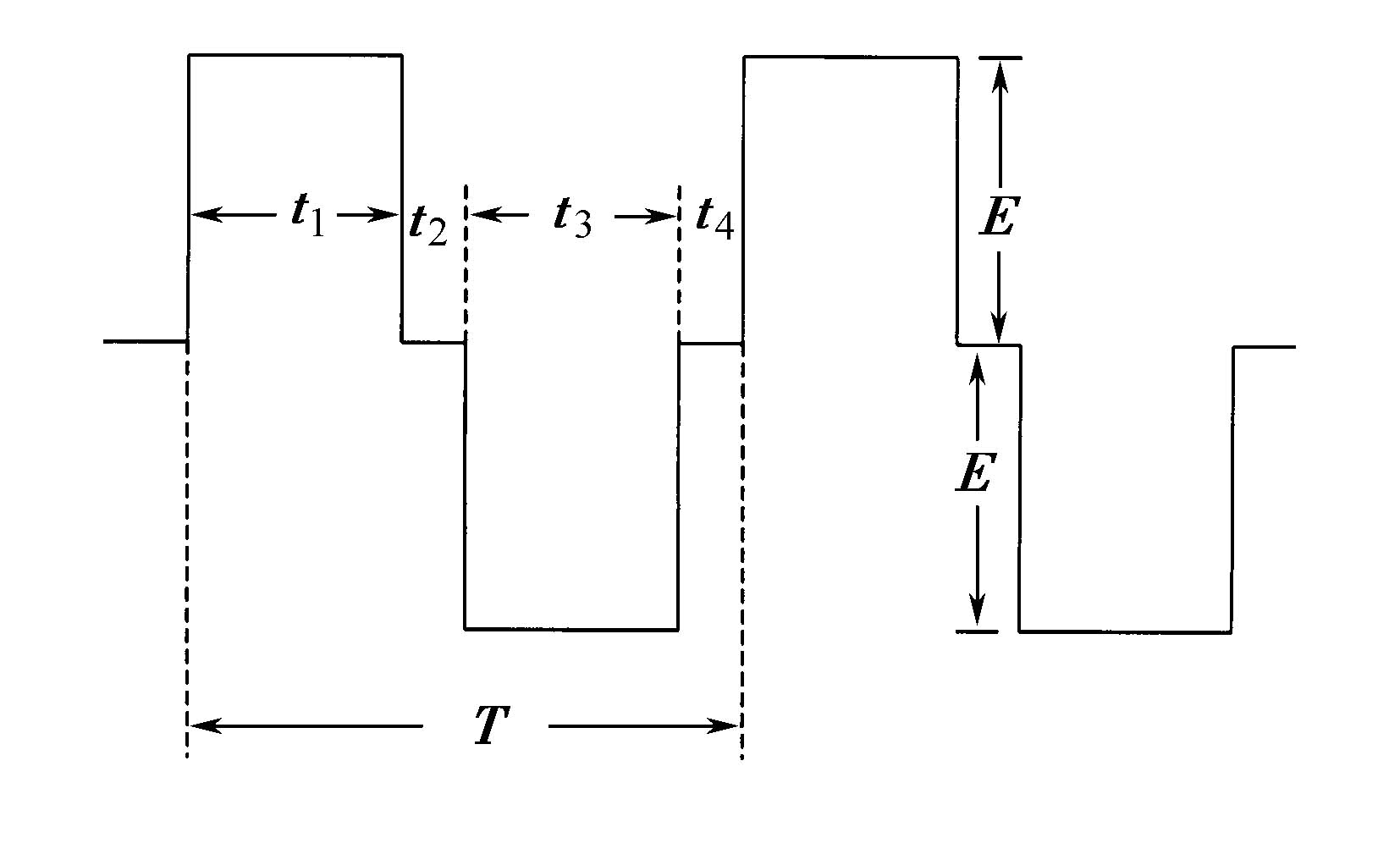
图中k1~k4为电子开关,Z为负载阻抗。本电路的基本特点是适当控制四只电子开关的通断来实现直流到交流的变换。若电路上能确保四只电子开关按以下顺序通断,则在负载Z上的电压波形就为正、负交替的矩形波,如图3-4所示。
t1时间段:K1、K2闭合,K3、K4断开,电流为i1,Z上电压为E。
t2时间段:K1、K2断开,K3、K4断开,电流为0,Z上电压为0。
t3时间段:K1、K2断开,K3、K4闭合,电流为i2,Z上电压为-E。
t4时间段:K1、K2断开,K3、K4断开,电流为0,Z上电压为0。
t1~t4为一个周期T,然后周而复始,适当控制四只电子开关的切换频率,就可获得不同频率的正负交替的矩形波交流电。

图3-3 桥式逆变工作原理图

图3-4 桥式逆变负载上的波形
实际桥式逆变电路的电子开关可选用晶体管、晶闸管、场效应管、IGBT器件模块。另外,常见的负载阻抗并不是纯电阻性的,而是一个由R、L、C组成的串联电路,其中L为高压变压器初级线圈或灯丝变压器初级线圈。

