-
1 内容
-
2 课件
-
3 视频
新能源汽车简述
一、基本概念
新能源汽车是指采用非常规的车用燃料作为动力来源(或使用常规的车用燃料、采用新型车载动力装置),综合车辆的动力控制和驱动方面的先进技术,形成的技术原理先进、具有新技术、新结构的汽车。
二、新能源汽车的基本分类
1、纯电动汽车(BEV )
2、混合动力汽车(HEV )
3、燃料电池电动汽车(FCEV )
4、其他新能源(超级电容器、飞轮等高效储能器)等。
三、基本介绍
(一)纯电动汽车
纯电动汽车是指利用动力电池作为储能动力源,通过电池向电机提供电能,驱动电机运转,从而推动汽车前进的一种新能源汽车。其最大特点就是行驶过程中零排放,零污染,噪音小,结构简单。
1、纯电动车传动系统布置
现有的纯电动车辆传动系统的布置主要有六种。
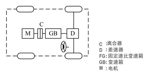
1.1 常规传动布置
如右图所示,在此形式中,传统内燃机由一组动力电池和一台驱动电机所代替,离合器、变速器和差速器的布置形式与传统内燃机车辆一致。

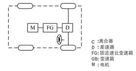
1.2 固定速比变速器传动系统(无离合器)
由于驱动电机能够在较长的速度范围内提供相对恒定的功率,因此多速变速器可以被一个固定速比变速器所代替,离合器也可以省去。

1.3 简化传动形式
在第二种传统形式的基础上将电机,变速器差速器整合为一个整体布置在驱动轴上,大大简化传动系统。

1.4 双电机-固定速比变速器一体化传动系统
在第三种传动形式的基础上,差速器被两个独立牵引电机所代替,每个电机单独完成一侧车轮驱动。

1.5 双电机-固定速比变速器一体化轮边驱动传动系统

1.6 进一步简化驱动系统,牵引电机和车轮间取消了传统的传动轴,由驱动电机直接驱动车轮前进

2.典型的纯电动汽车结构
2.1 改装式的纯电动汽车
2009年福特推出福克斯纯电动汽车在英国展出。
这款车基于Tourneo Custom概念车和纯电动汽车技术,选用磷酸铁锂电池组,由一台永磁电机搭配单速变速器驱动。
这套动力系统可使得该车获得最大160Km的续航里程和最高136km/h的车速。
2.2 完全开发的纯电动汽车
比较早的车型是通用EV1/EV2系列纯电动汽车。EV1纯电动汽车属于完全开发型的纯电动车,在整车技术和设计,传动系统,动力电池组都进行了专门的设计。

3.纯电动汽车的发展现状
目前我国的纯电动汽车产业的发展势头相当强劲,得益于国家政策的支持和校企技术合作的帮助,纯电动汽车在销量和技术上都取得了较大的突破。
国家政策方面,通过购车补贴以及当地政府的政策扶助,我国纯电动汽车的销量飞速增长,自2012年起年销量始终保持在万台以上,占据新能源汽车销售的大半壁江山;
校企技术合作方面,一汽、东风、上汽、吉利等汽车龙头纷纷就地取材,与邻近大学展开技术合作,共同研发纯电动汽车,比如东风公司与武汉理工大学共同研发了东风风神E70,该车采用镍钴锰酸锂蓄电池,电池容量高达49.1 kWh,最大续航里程可达300 km,补贴后售价仅13.98万元人民币,在当前纯电动汽车市场中具有较强的技术与价格竞争力。
4.纯电动汽车的特点
4.1 发展优势
纯电动汽车相比传统的内燃机汽车,最大的优势莫过于不会对环境产生污染,不像汽油机或者柴油机会产生大量的CO 2 和其他的有害气体。其次纯电动汽车充电所需电能的来源众多,火力发电、水利发电、风能发电乃至核能发电等方式,都可以作为电力来源,因此不会受到石油枯竭的制约,具有很大的发展空间。而在我国在发展纯电动汽车方面,也有较大的技术优势,在纯电动汽车的两大核心部件蓄电池和电机上,都取得了技术上的突破性发展。蓄电池方面,以蓄电池制造起家的比亚迪公司,由于多年蓄电池研发的技术积累,成为我国乃至全球在新能源汽车行业中的一匹黑马,在2007年成功研发出磷酸铁锂电池,并实现了量产,结束了特斯拉公司三元锂离子电池在纯电动车蓄电池方面的技术垄断地位。电机方面,众泰集团在驱动电机和整车控制系统上都研发出自己的专利技术,并取得我国第一个纯电动汽车生产批号。
除以上发展优势外,我国在矿产资源上也有着极大的优势。纯电动汽车的性能与成本很大程度上取决于其蓄电池。目前,综合性能和成本考虑,纯电动汽车采用锂离子电池是其唯一的选择,而中国拥有着储量超过百万吨级别的西藏的扎布耶盐湖,这是欧洲、日本和美国等资源匮乏国家所不具备的矿产优势。
4.2 发展劣势
我国发展纯电动汽车最大的问题是配套的基础设施建设相当不完善,可以说大多数城市的配套设施建设几乎是一片空白。再加上我国工业发展起步较晚,城市建设规划不合理,许多地方电网建设混乱,不利于充电站或是换电站的规划建设。此外,各汽车厂的充电接口都不一致,更加大了建设的难度,而建设配套的基础设施投资巨大,远非一家或几家汽车公司所能承担,因此需要企业和相关政府部门共同合作寻找解决办法。
5.纯电动汽车的发展前景
虽然纯电动汽车在我国的发展仍存在诸多问题,但以发展前景而论仍是有相当大的潜力的。
(1)环保方面,近几年来,国民饱受雾霾等环境污染之害,已拥有较高的环保意识,纯电动汽车在环保方面的优势较传统的内燃机汽车非常明显,因此会有越来越多的环保人士选择纯电动汽车出行。
(2)能源方面,我国目前的石油储量处于国际较低水平,对国外石油的进口依赖性较大,而采用纯电动汽车可以有效利用我国丰富的发电资源,比如在夜间进行充电,避开白天的波峰用电期,减轻发电厂发电负荷,可以有效缓解我国的能源危机。
(3)经济方面,纯电动汽车产业的建立,可以有效的带动一批针对纯电动车产业进行服务的配套的行业产生,从而提供新的就业岗位,对地方经济的发展产生新的贡献。
(二)混合动力汽车
混合动力汽车的定义:
车辆驱动系统由两个或者多个能同时运转的单个驱动系联合组成的车辆,车辆的行驶功率依据实际的车辆行驶状态由单个驱动系单独或多个驱动系共同提供。而混合动力电动汽车则是指由两种或两种以上储能器、能源或者转换器作驱动能源,其中至少有一种能提供电能的汽车。


1.混合动力电动汽车的类别
1.1串联混合动力车辆
串联混合动力车辆是混合动力车辆的一种基本结构,其单个驱动系间的联合是车载能源环节的联合,也即非直接用于驱动车辆能量的联合并同时向动力生成装置供能。

1.2并联混合动力车辆
并联混合动力车辆是混合动力车辆的另一种基本结构,其单个驱动系间的联合是车辆动力传动系环节的联合,通过对不同的动力生成装置输出的动能的联合或者耦合,并经过相应的特性场转化装置输出到驱动轮,满足车辆行驶要求。别克LaCROSSE君越混合动力是并联混合动力的代表。

1.3串并联综合式结构
为优化驱动系的综合效率和充分发挥车辆的节能、低排放潜力,在实际应用中,混合动力车辆驱动系并非单纯是简单的串联式或者并联式结构,而是由串联式和并联式复合组成的串并联综合式结构,即所谓的混联式结构。对于混合动力的运用,丰田汽车公司走在技术的最前端。

1.4插电式混合动力汽车
插电式混合动力也是一种混合动力汽车,区别在于其车载动力电池组可以利用电力网(包括家用电源插座)进行电力补充,因此相比于一般混合动力电动车,插电式混合动力电动车有较大的动力电池组,较大功率的电机驱动系统以及较小排量的发动机。

1.5增程式电动汽车
增程式电动车本身是一种串联式混合动力汽车,它的设计理念是在纯电动汽车动力传动系基础上增加一个增程器,拓展动力电池组一次充电续驶里程,满足日常需求

2. 混合动力汽车的发展现状
2.1 混合动力汽车发展的必要性
混合动力汽车集电力和热力于一体,两者配合使用,在城市和过度阶段时使用电动机作为动力源,在高速工况时使用发动机作为动力源,因此在很大程度上降低汽车的燃油消耗量和污染物的排放量。与传统内燃机汽车相比,在节能和排放上更胜一筹,与纯电动汽车相比,电池组数目和容量大大减少,造价成本较低,因此受到广大消费者的喜爱,成为了汽车厂商研发的重点。
在优化能源消耗结构方面,混合动力汽车采用了精湛的机电耦合技术和智能化的整车控制策略,可以实现高能低耗低排,有效地减少了国内对石油资源的依赖。
除此之外,结合电能的来源多元化的特点,各种可再生的能源都可以转化成为电能,增加电力在交通能源领域中的应用,优化交通能源消耗。
2.2 国外混合动力汽车的发展现状
自 1997 年,丰田汽车公司推出普锐斯混联式混合动力汽车,它是全球第一款市场化的混合动力汽车,也是最成功的车型,截止 2018 年,全球销售量已突破 300 万辆。此外,丰田还开发出了 Camry Hybrid,Corolla Hybrid,Levin Hybrid,都获得了不错的市场反响。 因混合动力汽车优势明显,继丰田之后,各国加快了混合动力汽车的产品化进程,汽车厂商纷纷推出了相应的产品,通用的 Precept,福特的 Prodigy,日产的 Tino,奔驰的 S400 Blue Hybrid,宝马的 Active Hybrid,凯迪拉克的 Escalade 等,都是具有代表性的车型。本田开发出 Insight 车型后,还相继研发了 CivicHybrid,Accord Hybrid等车型。在混合动力技术方面,福特汽车公司和丰田汽车公司主要研发双 ISG+行星轮系混合动力系统,通用汽车公司主要研发BSG+PHEV 技术,克莱斯勒主要研发高端的串联式混合动力系统,德国大众主要开发 ISG+PHEV 技术,雪铁龙汽车公司主要研发 BSG+ISG+AMT+Clutch 混合动力系统,宝马主要开发 ISG+AT 技术,本田汽车公司主要开发ISG+CVT 技术。总的来说,美国主要以中高端车型的汽油机和电动机混合动力技术开发为主,日本主要以丰田和本田开发的混合动力技术为主,欧洲主要以柴油混合动力车型为主。
2.3 国内混合动力汽车的发展现状
我国对于混合动力汽车的研发始于上世纪 90 年代,现今也已初具规模。纵观我国混合动力研发历程来看,主要节点有以下几个方面:
(1)2001 年 11 月,国家科技部将电动汽车纳入国家“十五”规划。科技部牵头,联合国内高校、科研机构、企业进行混合动力技术的研发攻关,并且确立了符合国情的混合动力汽车发展布局,即“三纵三横”。所谓“三纵”是指混合动力汽车、纯电动汽车、燃料电池汽车。所谓“三横”是指动力控制系统、驱动控系统、电池及其控制系统。
(2)混合动力汽车的发展被列入国家的“863 计划”,为其提供了更好的契机和政府支持。经过国家、企业、科研人员的共同努力,在这一阶段,我国在混合动力汽车整车研发和关键部件研发及道路运行测试方面,取得了较好的成果。
(3)我国在电动汽车关键单元技术、系统集成技术及整车技术上取得了重大进展,建立了研发技术平台、测试检验平台以及示范应用平台。在北京、上海、天津分别建立起包括混合动力电池、驱动电机、燃料电池发动机在内的检测基地和试验平台。在国内,混合动力汽车和纯电动汽车研发正值热潮,形成了企业、高校和科研院所为主的稳定研发队伍,制定了多项企业行业标准、申请了多项国家专利。
(4)国内代表性的混合动力汽车产品下线:长安的杰勋混合动力轿车、奔腾 B70 混动版、荣威 750 混动版、奇瑞 A3ISG 和 A5BSG、比亚迪 F6 双模电动轿车、东风 EQ7200HEV。
(三)燃料电池电动汽车
1)燃料电池电动汽车(Fuel CellElectric Vehicle,简称FCEV),它是通过电化学反应将燃料电池的化学能直接转化为电能的汽车。
FCEV的特点:零污染,能力转化效率高;但是成本过高,技术复杂。
FCEV的基本结构:


燃料电池电动汽车实质上是电动汽车的一种,在车身、动力传动系统、控制系统等方面,燃料电池电动汽车与普通电动汽车基本相同,主要区别在于动力电池的工作原理不同。
燃料电池的反应机理是将燃料中的化学能不经过燃烧直接转化为电能,即通过电化学反应将化学能转化为电能,实际上就是电解水的逆过程,通过氢氧的化学反应生成水并释放电能。电化学反应所需的还原剂一般采用氢气,氧化剂则采用氧气,因此最早开发的燃料电池电动汽车多是直接采用氢燃料,氢气的储存可采用液化氢、压缩氢气或金属氢化物储氢等形式。
燃料电池汽车的关键能源动力技术包括电池技术、电机技术、控制器技术。电池技术、电机技术和控制器技术是电动汽车所特有的技术,这三项技术也是一直制约电动汽车大规模进入市场的关键因素。
2)电池技术
电池性能指标:电池是电动汽车的动力源泉,也是一直制约电动汽车发展的关键因素。电动汽车用电池的主要性能指标是比能量(E)、能量密度(Ed)、比功率(P)、 循环寿命(L)和成本(C)等。要使电动汽车能与燃油汽车相竞争,关键就是要开发出比能量高、比功率大、使用寿命长的高效电池。广泛应用于电动汽车的燃料电池是一种称为质子交换膜的燃料电池(PEMFC) , 它以纯氢为燃料,以空气为氧化剂,不经历热机过程,不受热力循环限制,化学能直接转化为电能,实际效率达60%-80%。能量的转换效率高,是普通内燃机热效率的2 ~3倍。同时,它还具有噪音低、无污染、寿命长、启动迅速、比功率大和输出功率可随时调整等特性,使得PEMFC非常适合用作交通工具的动力源。
3)燃料电池的技术原理
燃料电池其原理是一 种电化学装置,其组成与一-般电池相同。其单体电池是由正负两个电极(负极即燃料电极和正极即氧化剂电极)以及电解质组成。
(四)其他新能源汽车
1、超级电容器汽车
超级电容器是通过电极与电解质之间形成的界面双层来存储能量的新型元器件。当电极与电解液接触时,由于库仑力、分子间力及原子间力的作用,使固液界面出现稳定和符号相反的双层电荷,称其为界面双层。把双电层超级电容看成是悬在电解质中的2个非活性多孔板,电压加载到2个板上。加在正极板上的电势吸引电解质中的负离子,负极板吸引正离子,从而在两电极的表面形成了一个双电层电容器。双电层电容器根据电极材料的不同,可以分为碳电极双层超级电容器、金属氧化物电极超级电容器和有机聚合物电极超级电容器。

与蓄电池和传统物理电容器相比,超级电容器的特点主要体现在:
(1)功率密度高。可达102~104 W/kg,远高于蓄电池的功率密度水平。
(2)循环寿命长。在几秒钟的高速深度充放电循环50万次至100万次后,超级电容器的特性变化很小,容量和内阻仅降低10%~20%。
(3)工作温限宽。由于在低温状态下超级电容器中离子的吸附和脱附速度变化不大,因此其容量变化远小于蓄电池。商业化超级电容器的工作温度范围可达-40℃~+80℃。
(4)免维护。超级电容器充放电效率高,对过充电和过放电有一定的承受能力,可稳定地反复充放电,在理论上是不需要进行维护的。
(5)绿色环保。超级电容器在生产过程中不使用重金属和其他有害的化学物质,且自身寿命较长,因而是一种新型的绿色环保电源。
整体情况一从储能系统(动力电池、超级电容)来看,在示范推广的产品中,44%混合动力大客车直接采用超级电容,58%纯电驱动大客车直接采用磷酸铁锂动力电池。

2、飞轮电池
飞轮电池充电快,放电完全,非常适合应用于混合能量推动的车辆中。

车辆在正常行使时和刹车制动时,给飞轮电池充电;飞轮电池则在加速或爬坡时,给车辆提供动力,保证车辆运行在一种平稳、最优状态下的转速,可减少燃料消耗、空气和噪声污染、并可以减少发动机的维护,延长发动机的寿命。
飞轮电池电动汽车利用储存在随车飞轮中的机械能驱动汽车前进。它的推进系统由飞轮电池、电机控制器、电机和传动系统等组成。飞轮电池实际上是一种机-电能量转换和储存装置。飞轮可以储存能量,根据飞轮能够储存和释放能量的特性研制的一种机械式蓄电池就是飞轮蓄电池。在飞轮的内部镶有永久性磁铁,外壳上装有感应线圈,这样飞轮就具有电动机和发电机的双重功能。充电时飞轮中的电机以电动机的形式运行,在外接电源的驱动下带动飞轮旋转,达到极高的转速,从而完成电能-机械能转换的储能过程;放电时,飞轮中的电机以发电机的状态运行,在飞轮的带动下对外输出电能,完成机械能-电能转换的释放过程。

