其他气动基本回路
上一节
下一节

控制信号切换阀4后,气源经单向节流阀3向气容2充气。充气压力经延时升高至阀1换位,阀1就有输出。

按下阀8,气源经阀7左位进气缸左腔,气缸伸出;压下阀5气源经节流阀到气容6延时后切换阀7,气缸退回。

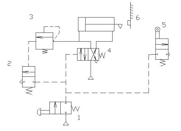
按下开关1,阀4左位,活塞杆伸出。遇到障碍6,无杆腔压力升高,顺序阀3打开,换向阀2换向,换向阀4复位,活塞退回。
无障碍6,压下阀5,换向阀4复位,活塞退回。

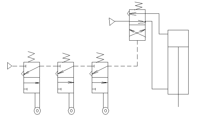
三个机动换向阀同时接通,二位四通换向阀才换向。

使用两个启动用的手动阀,只有同时按动两个阀才动作的回路,主要为了安全。
在锻造、冲压机械上常用来避免误操作,以保护操作者的安全。



分析延时回路
分析安全保护和操作回路
分析顺序动作回路
设计回路

