-
1 教学内容
-
2 单相交流电路功率...
-
3 单相交流电路功率...
-
4 三相交流电路功率...
-
5 功率的计算
-
6 电度表
-
7 扩展阅读
学习目标:
1、知道功率测量的线路方法。
2、掌握功率表的使用方法。
3、理解电度表的测量原理。
4、了解单相电度表的接线与安装。

功率表大多数为电动系结构,可以测量直流电路的功率,也可测量正弦和非正弦交流电路的功率,而且准确度高,获得广泛应用。
功率表反映电压和电流的乘积,通常制成多量程。一般有两个电流量程,两个或三个电压量程。
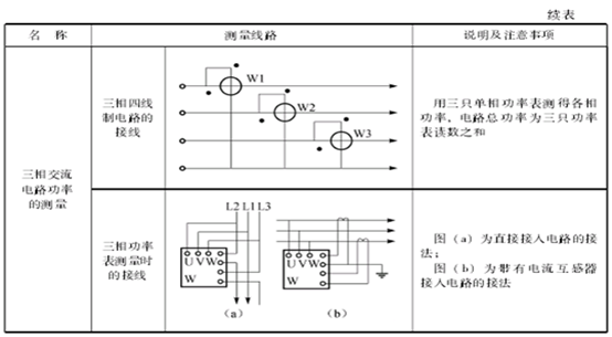
1.功率测量的方法
功率测量的线路和方法见表4-2-1。


2.功率表的使用方法
功率表测量机构由固定线圈与可动线圈组成,接线时固定线圈(即电流线圈)与被测电路串联,可动线圈(即电压线圈)与被测电路并联。
(1)功率表的量程选择
(2)功率表的读数
(3)功率表的接线
电动系仪表转矩方向与两线圈的电流方向有关。因此,应规定一个能使指针正向偏转的电流方向,即功率表接线要遵守“同名端”守则。“同名端”又称“电源端”“极性端”,通常用符号“·”或“±”表示,接线时应使两线圈的“同名端”接在同一极性上,以保证两线圈电流都能从该端子流入。按此原则,正确接线有两种方式,如图4-2-1所示。

1.电度(能)表测量原理
电度表也称电能表,俗称火表,是用来计量电气设备所消耗电能的仪表,如图4-2-2所示。测量交流电路的电能多用感应系电度表,分为单相和三相及有功、无功电能表,其接入方式有直接和经互感器接入式。可分为单相电度表和三相电度表。

电度表的原理如图4-2-3所示,它由电流线圈、电压线圈、铁芯、铝盘、转轴、轴承和数字盘等组成。

2.单相电度表规格
单相电度表可以分为感应式单相电度表和电子式电度表两种。目前,大多数家庭用的是感应式电度表。
感应式单相电度表有十几种型号,虽然其外形和内部元件的位置可能不同,但使用的方法及工作原理基本相同。其常用的额定电流有5A、10A、15A、20A等规格。常见单相电度表的规格见表4-2-2。

3.单相电度表的选用
单相电表的配备根据负载功率而定,单相电器电流每千瓦4.5A,电表量程按总电流的1.2-1.5倍配置。
4.单相电度表的接线与安装
选好单相电度表后,应进行检查安装和接线。根据电度表型号不同,有两种接线方式。一种是交叉接线图如图4-2-3所示,图中的1、3为进线,2、4接负载,接线柱 1要接相线(即火线),这种电度表目前在我国最常见而且应用最多,为了直观,初学者可参照图4-2-5所示的实物图连接;另一种接线是顺入式,1、2为进线,3、4接负载,这种电度表不常使用。



