-
1 教学内容
-
2 C620型卧式车床电...
-
3 扩展阅读
学习目标:
1、了解电气控制图样的相关规定。
2、了解电气图分类,特点及符号。

用电气图形符号、带注释的围框或简化外形表示电气系统或设备中组成部分之间相互关系及其连接关系的一种图。广义地说表明两个或两个以上变量之间关系的曲线,用以说明系统、成套装置或设备中各组成部分的相互关系或连接关系,或者用以提供工作参数的表格、文字等,也属于电气图之列。

1.系统图或框图
用符号或带注释的框,概略表示系统或分系统的基本组成、相互关系及其主要特征的一种简图,如图 6-1-1、图 6-1-2、图 6-1-3所示。




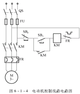
2.电路图
用图形符号并按工作顺序排列,详细表示电路、设备或成套装置的全部组成和连接关系,而不考虑其实际位置的一种简图,如图6-1-4所示。
3.接线图或接线表
表示成套装置、设备或装置的连接关系,用以进行接线和检查的一种简图或表格,如图6-1-5所示。

4.逻辑图
主要用二进制逻辑(与、或、异或等)单元图形符号绘制的一种简图,其中只表示功能而不涉及实现方法的逻辑图叫纯逻辑图,如图6-1-6所示。

5.功能表图
表示控制系统的作用和状态的一种图。
6.等效电路图
表示理论的或理想的元件(如R、L、C)及其连接关系的一种功能图。
7.简图或位置图
表示成套装置、设备或装置中各个项目的位置的一种简图或叫位置图。指用图形符号绘制的图,用来表示一个区域或一个建筑物内成套电气装置中的元件位置和连接布线。
8.设备元件表
把成套装置、设备和装置中各组成部分和相应数据列成的表格其用途表示各组成部分的名称、型号、规格和数量等,如表6-1-1所示。


1.图形符号的含义
用于图样或其他文件以表示一个设备或概念的图形、标记或字符。或图形符号是通过书写、绘制、印刷或其他方法产生的可视图形,是一种以简明易懂的方式来传递一种信息,表示一个实物或概念,并可提供有关条件、相关性及动作信息的工业语言。
2.图形符号由一般符号、符号要素、限定符号等组成
(1)一般符号:表示一类产品或此类产品牲的一种通常很简单的符号。
(2)符号要素:它具有确定意义的简单图形,必须同其他图形组合以构成一个设备或概念的完整符号。
(3)限定符号:用以提供附加信息的一种加在其他符号上的符号。它一般不能单独使用,但一般符号有时也可用作限定符号。以三相电机图形符号为例,如图6-1-7所示。

3.图形符号的分类
(1)导线和连接器件:各种导线、接线端子和导线的连接、连接器件、电缆附件等,如表6-1-2所示。


(2)无源元件:包括电阻器、电容器、电感器等,如表6-1-3所示。

(3)半导体管和电子管:包括二极管、三极管、晶闸管、电子管、辐射探测器等,如表6-1-4所示。

(4)电能的发生和转换:包括绕组、发电机、电动机、变压器、变流器等,如表6-1-5所示。


(5)开关、控制和保护装置:包括触点 (触头)、开关、开关装置、控制装置、电动机启动器、继电器、熔断器、间隙、避雷器等,如表6-1-6所示。





(6)测量仪表、灯和信号器件:包括指示积算和记录仪表、热电偶、遥测装置、电钟、传感器、灯、喇叭和铃等,如表6-1-7所示。

4.常用图形符号应用的说明
(1)所有的图形符号,均由按无电压、无外力作用的正常状态示出。
(2)在图形符号中,某些设备元件有多个图形符号,有优选形、其他形,形式1、形式2等。选用符号的遵循原则:尽可能采用优选形;在满足需要的前提下,尽量采用最简单的形式;在同一图号的图中使用同一种形式。
(3)符号的大小和图线的宽度一般不影响符号的含义,在有些情况下,为了强调某些方面或者为了便于补充信息,或者为了区别不同的用途,允许采用不同的大小的符号和不同宽度的图线。
(4)为了保持图面的清晰,避免导线弯折或交叉,在不致引起误解的情况 下,可以将符号旋转或成镜像放置,但此时图形符号的文字标注和指示方向不得倒置。
(5)图形符号一般都画有引线,但在绝大多数情况下引线位置仅用作示例,
在不改变符号含义的原则下,引线可取不同的方向。如引线符号的位置影响到符 号的含义,则不能随意改变,否则引起歧义。
(6)在GB 4728中比较完整地列出了符号要素、限定符号和一般符号,但组 合符号是有限的。若某些特定装置或概念的图形符号在标准中未列出,允许通过 已规定的一般符号,限定符号和符号要素适当组合,派生出新的符号。
(7)符号绘制:电气图用图形符号是按网格绘制出来的,但网格未随符号示出。

(1)电气设备用图形符号是完全区别于电气图用图形符号的另一类符号,如表6-1-8所示。主要适用于各种类型的电气设备或电气设备部件上,使得操作人员其用途和操作方法,也可用于安装或移动电气设备的场合,诸如禁止、警告、规定或限制等就注意的事项。




(2)电气设备用图形符号的用途:识别、限定、说明、命令、警告、指示。
(3)设备用图形符号须按一定比例绘制。

(1)电气技术中的文字符号分基本文字符号和辅助文字符号。基本文字符号分单字母符号和双字母符号,如表6-1-9所示。


(2)单字母符号:用拉丁字母将各种电气设备、装置和元器件划分为 23大类,每大类用一个专用单字母符号表示。
(3)双字母符号:表示种类的单字母与另一字母组成,其组合形式以单字母符号在前,另一个字母在后的次序列出。
(4)辅助文字符号:表示电气设备、装置和元器件以及线路的功能、状态和特征的,通常也是由英文单词的前一两个字母构成。它一般放在基本文字符号后边,构成组合文字符号。
(5)补充文字符号的原则
①不违背前面所述原则的基础上,可采用国际标准中规定的电气技术文字符号。
②在优先采取规定的单字母符号,双字母符号和辅助文字符号的前提下,可补充有关的双字母符号和辅助文字符号。
③文字符号应按有关电气名词术语国家标准或专业标准中规定的英文术语缩写而成。同一设备若有几种名称时,应选用其中一个名称。当设备名称、功能、状态或特征为一个英文单词时,一般采用该单词的第一位字母构成文字符号,需要时也可用前两位字母,或前两个音节的首位字母,或釆用常用缩略语或约定俗成的习惯用法构成;当设备名称、功能、状态或特征为二个或三个英文单词时,一般采用该两个或三个英文单词的第一位字母,或采用常用缩略语或约定俗成的习惯用法构成文字符号。
④因I、O易同于1和0混淆,因此,不允许单独怍为文字符号使用。

