工程制图与CAD

陈艳萍

目录

  • 1 制图的基本知识与技能
    • 1.1 绪论
      • 1.1.1 本课程的主要内容和基本要求
      • 1.1.2 学习方法提示
    • 1.2 第一章    制图基本知识与技能
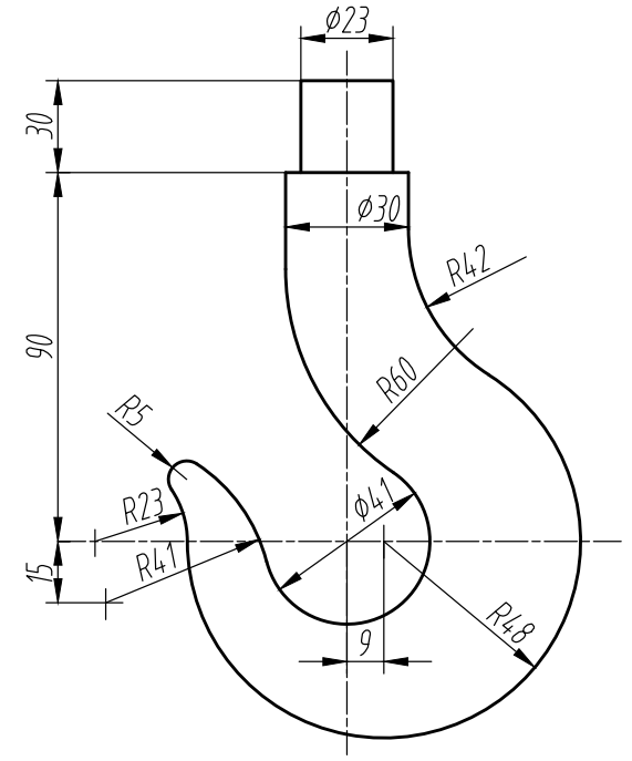
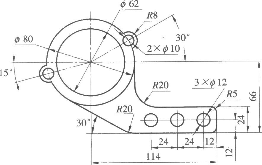
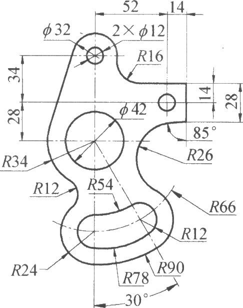
      • 1.2.1 绘制平面简单图形
      • 1.2.2 绘制复杂平面图形
      • 1.2.3 制图的基本标准
    • 1.3 第六单元    标准件和常用件
      • 1.3.1 螺纹紧固件
      • 1.3.2 键和销
      • 1.3.3 直齿圆柱齿轮
      • 1.3.4 弹簧
      • 1.3.5 滚动轴承
    • 1.4 附录
      • 1.4.1 附录
  • 2 第2章 计算机绘图基础
    • 2.1 计算机绘图基础知识
    • 2.2 CAD绘图环境设置
    • 2.3 CAD基本绘图命令
    • 2.4 CAD基本编辑命令
  • 3 第3章 投影基础
    • 3.1 投影的方法和分类
    • 3.2 三视图
    • 3.3 点的投影
    • 3.4 直线的投影
    • 3.5 平面的投影
    • 3.6 用autoCAD绘制物体的三视图
  • 4 第4章 立体及其表面交线的投影
    • 4.1 几何体的投影
    • 4.2 平面与立体相交
    • 4.3 立体与立体相交
  • 5 组合体的视图
    • 5.1 概述
    • 5.2 组合体视图的画法
    • 5.3 尺寸标注
    • 5.4 看组合体视图
    • 5.5 轴测图
      • 5.5.1 正等轴测图画法
      • 5.5.2 斜二轴测图画法
    • 5.6 CAD绘制组合体三视图
  • 6 物体常用的表达方法
    • 6.1 第五单元    图样画法
      • 6.1.1 视图
      • 6.1.2 剖视图
      • 6.1.3 断面图
      • 6.1.4 局部放大图和简化画法
      • 6.1.5 第三角画法简介
  • 7 电气设备中的零件图和装配图
    • 7.1 第七单元    零件图
      • 7.1.1 零件表达方案的确定
      • 7.1.2 零件图中的尺寸标注
      • 7.1.3 机械图样中的技术要求
      • 7.1.4 读零件图
      • 7.1.5 零件的测绘
    • 7.2 第八单元    装配图
      • 7.2.1 初识装配图
      • 7.2.2 画装配图的方法和步骤
      • 7.2.3 读装配图和拆画零件图
  • 8 电气工程图
    • 8.1 电气工程图概述
    • 8.2 电气符号
    • 8.3 电气工程图的表达方法
    • 8.4 识读电气图的基本方法和步骤
  • 9 电力安装图
    • 9.1 建筑图概述
CAD基本编辑命令