工业实例
问题引入:图示为一位置转换装置,最上面的输送带运输的为冷却煤,运输到终端时经过位置转换装置可以把冷却煤输送到下面的任意一条皮带机上。

问题分析:按下旋钮,二位五通阀在左位工作,气缸左腔通过单向阀进入压缩空气,右腔气体通过节流阀而后经过换向阀排气,前进速度由右侧节流阀调定。再次按下按钮,二位五通阀在右位工作,气缸右腔通过单向阀进气,左腔气体通过节流阀而后经过换向阀排气,返回速度亦由左侧节流阀调定。

知识准备:
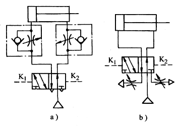
1、气阀调速回路
单作用气缸调速回路 用两个单向节流阀分别控制活塞杆的升降速度。

单作用气缸快速返回回路活塞返回时,气缸下腔通过快速排气阀排气。
双作用缸速度控制回路
双向调速回路在换向阀的排气口上安装排气节流阀,两种调速回路的调速效果基本相同。

慢进快退回路
控制活塞杆伸出时采用排气 节流控制,活塞杆慢速伸出;活 塞杆缩回时,无杆腔余气经快排 阀排空,活塞杆快速退回。

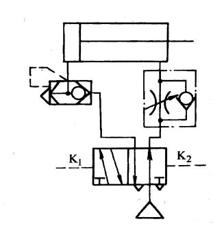
变速回路
气液缸串联调速回路
通过单向节流阀,利用液压油不可压缩的特点,实现气缸单方向的无级调速,油杯用于补充油缸漏油。
气液缸串联变速回路
当活塞杆右行到撞块碰到机动换向阀后开始作慢速运动。改变撞块的安装
位置,即可改变
开始变速的位置。

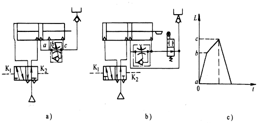
气~液转换器的调速回路
气~液转换器是一种气液共存又可以相互转换的气~液转换元件。其作用是在一段输入压缩空气时,另一端输出液体。
图a)为双作用缸慢进快退的回路,活塞的慢进运动速 度通过节流阀2控制气缸
的右腔与气—液转换器
间油液的流量调节。
图b) 为可以实现快慢
速换接的慢进快退的回路
当挡快压下行程阀6时,
活塞实现快慢速换接。




