装配图作用
-
1 任务导学
-
2 课前测试
-
3 新知讲授
-
4 小试牛刀
-
5 思政课堂
-
6 拓展资源
上一节
下一节
| 学习目标 | 知识目标 | 了解装配图在生产过程中的作用 | |||
| 技能目标 | 体会装配图对实际生产的指导作用 | ||||
| 素养目标 | 通过找不同,培养学生分析问题和运用所学知识与生活实践的能力 | ||||
| 课前预习 | 观察什么是装配? | ||||
| 学习建议 | 观看装配视频,理解安装和拆卸应该是在谁的指导下完成的? | ||||
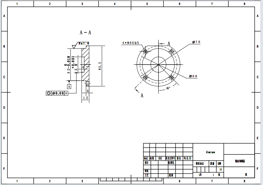
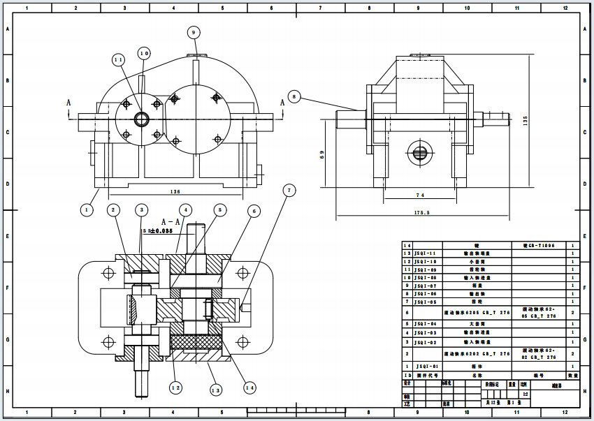
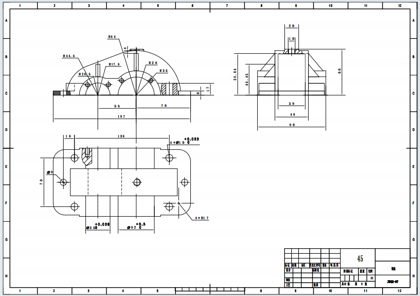
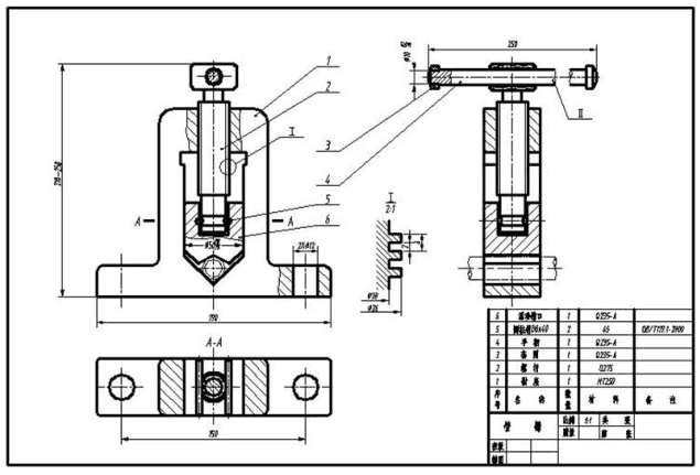
| 课前练兵 | 找不同
图一
图二
图三
图四
图五
图六 【提示】从以上图片可以看出,其中图一图三图四是单一的零件图,图二图五是同一种零件归类摆放,那么图六是属于哪一种呢,它既不是单一的零件,又不是许多零件的堆叠,而是由许多零件组成的一个整体。 | ||||



















