项目训练
-
1 项目要求
-
2 项目实施
-
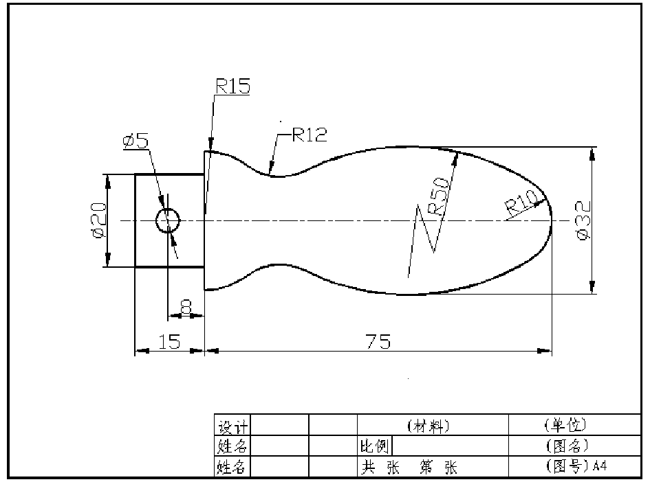
3 项目图例
上一节
下一节
实训目的
1)熟悉平面图形的绘图步骤和尺寸注法。
2)掌握线段连接的作图方法和技巧。
内容与要求
1)按教师指定的图例,绘制平面图形并标注尺寸。
2)用A4图纸,自己选定绘图比例。
作图步骤
1)确定比例,选择图幅,固定图纸
2)分析图形中尺寸的作用及线段性质,确定作图步骤。
3)画底稿。
4)检查底稿,描深图形。
5)标注尺寸、填写标题栏。
6)校对,修饰图面。
注意事项











