目录

  • 1 认识城轨供电系统
    • 1.1 城市轨道交通概述
    • 1.2 电力系统基础
    • 1.3 城轨供电系统基础
    • 1.4 项目考核
    • 1.5 延伸阅读(思政模块)
  • 2 认识城轨供电电源系统
    • 2.1 城轨供电电源系统
    • 2.2 城轨变电所分类及特点
    • 2.3 电源系统运行方式
    • 2.4 项目考核
    • 2.5 延伸阅读(思政模块)
  • 3 认识城轨牵引供电系统
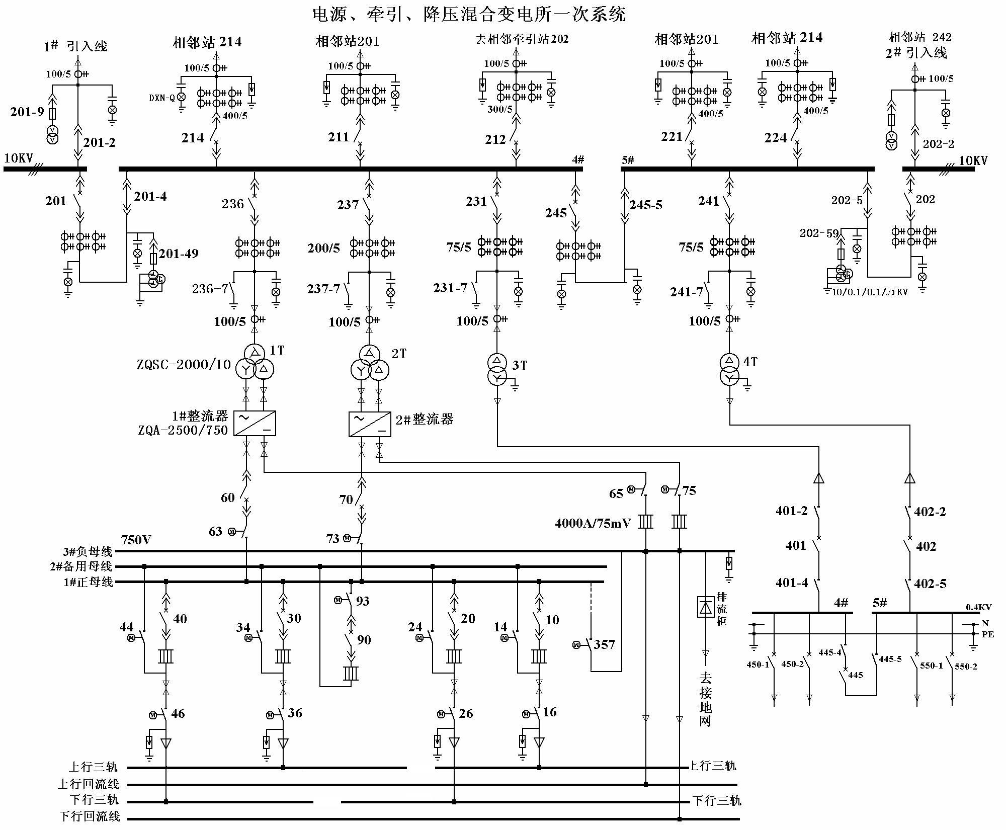
    • 3.1 城轨供电系统组成及主接线
    • 3.2 牵引网组成及供电方式
    • 3.3 直流供电系统运行方式
    • 3.4 牵引供电接触轨与接触网
    • 3.5 项目考核
    • 3.6 延伸阅读(思政模块)
  • 4 认识城轨低压配电系统
    • 4.1 低压配电系统组成与特点
    • 4.2 低压配电系统主接线及运行方式
    • 4.3 交直流操作电源
    • 4.4 项目考核
    • 4.5 延伸阅读(思政模块)
  • 5 城轨变电站的交接班工作
    • 5.1 工作交接内容及流程
    • 5.2 运行日志填写
    • 5.3 项目考核-交接班工作模拟
    • 5.4 延伸阅读(思政模块)
  • 6 城轨变电站的日常巡视
    • 6.1 变电站巡视内容及要求
    • 6.2 变电站设备巡视
    • 6.3 项目考核-设备巡视工作模拟
    • 6.4 延伸阅读(思政模块)
  • 7 城轨变电站的倒闸操作
    • 7.1 倒闸作业安全工器具
    • 7.2 倒闸操作的基本原则和专业术语
    • 7.3 倒闸操作票填写
    • 7.4 变电站倒闸操作工作流程
    • 7.5 项目考核-倒闸操作工作模拟
    • 7.6 延伸阅读(思政模块)
  • 8 城轨变电站的检修作业
    • 8.1 变电站停电安全组织措施
    • 8.2 变电站停电安全技术措施
    • 8.3 工作票、许可票填写
    • 8.4 变电站设备检修案例
    • 8.5 项目考核-检修作业工作模拟
    • 8.6 延伸阅读(思政模块)
  • 9 城轨交通事故案例分析
    • 9.1 案例分析
    • 9.2 延伸阅读(思政模块)
电源系统运行方式