任务3 观察入微
-
1 任务要点
-
2 操作视频
上一节
下一节
学习要点
l 辅助视图、剪裁视图、局部视图命令
l 尺寸公差、形位公差标注
l 表面粗糙度标注
相关知识
l 辅助视图:辅助视图类似于投影视图,但它是垂直于现有视图中参考边线的展开视图。
l 剪裁视图:剪裁视图通过隐藏除了所定义区域之外的所有内容而集中于工程图视图的某部分。未剪裁的部分使用草图(通常是样条曲线或其它闭合的轮廓)进行闭合。
除了局部视图或已用于生成局部视图的视图,您可以裁剪任何工程视图。
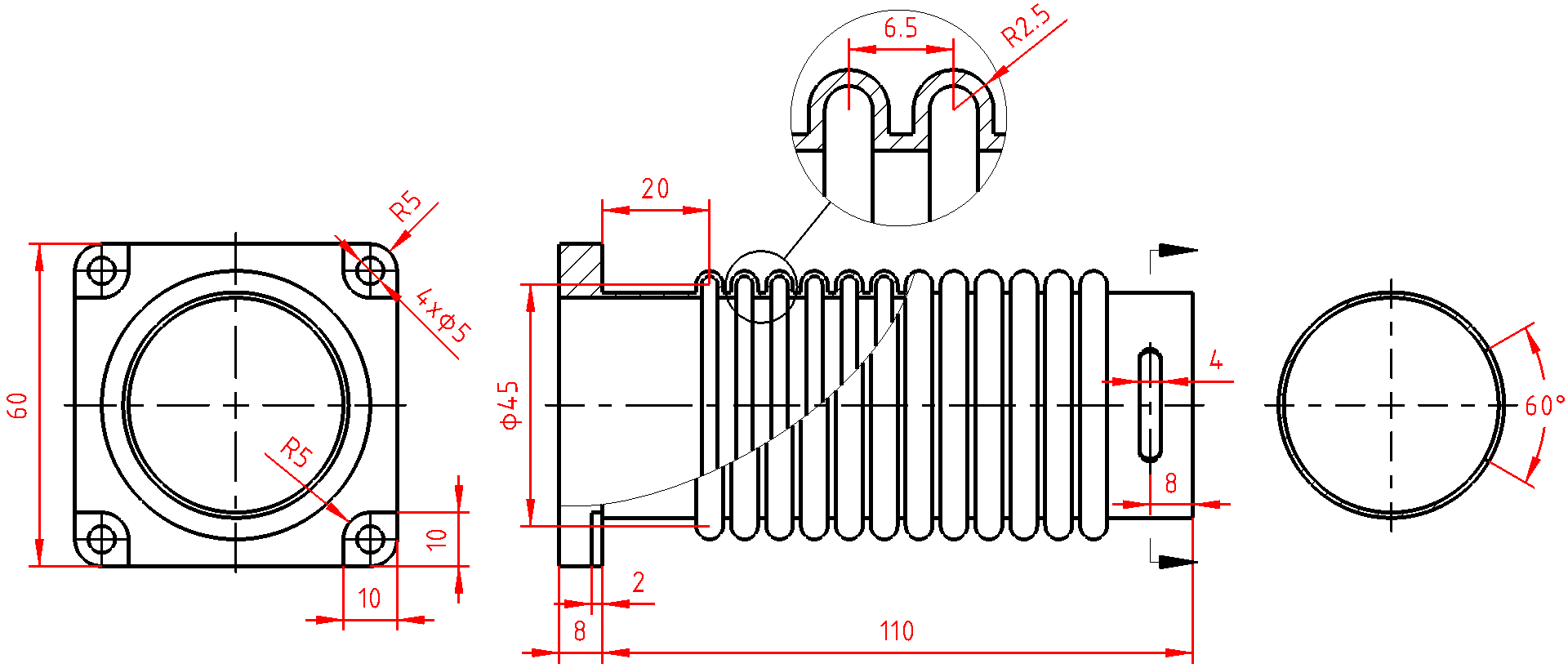
l 局部视图:在工程图中生成一个局部视图来显示一个视图的某个部分(通常是以放大比例显示)。此局部视图可以是正交视图、空间(等轴测)视图、剖面视图、裁剪视图、爆炸装配体视图、或另一局部视图。放大的部分使用草图(通常是圆或其它闭合的轮廓)进行闭合。
![]()
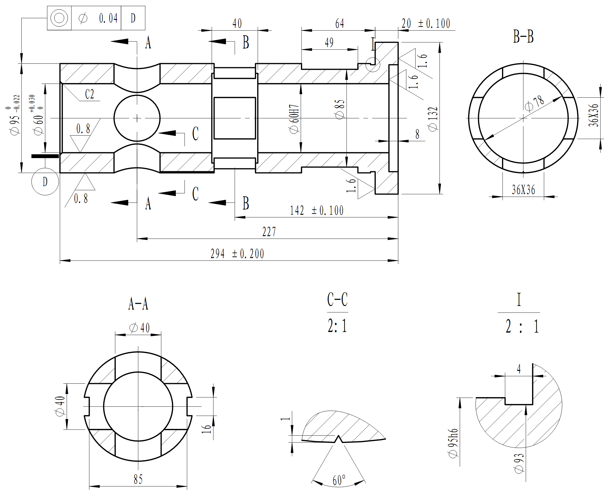
l 尺寸公差:可控制尺寸公差值和非整数尺寸的显示。
l 形位公差:使用特性选择控制框将形位公差添加到零件和工程图。
l 表面粗糙度:添加表面粗糙度符号到工程图当中,可通过属性栏编辑表面粗糙度符号的属性。
任务延展

1、导入视图

2、断开的剖视图

3、剖面视图

4、局部视图

5、常规尺寸标注

6、尺寸公差标注

7、形位公差标注

8、表面粗糙度标注

练练手


