任务2 解剖,随心所欲
-
1 任务要点
-
2 操作视频
上一节
下一节
学习要点
l 视图调色板
l 断开的剖视图命令
l 剖面视图命令
相关知识
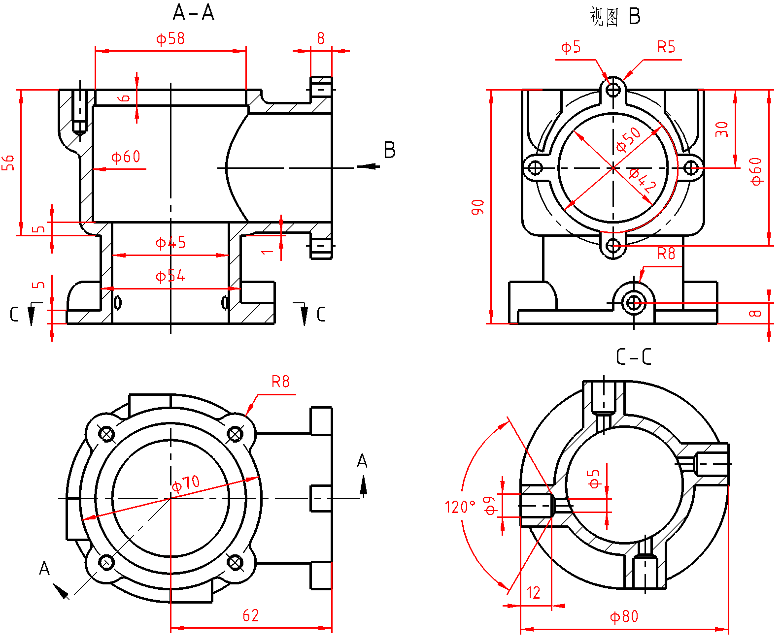
l 断开的剖视图:在工程图视图中剖切零件或装配体的某部分以显示内部,系统会自动在所有零部件的剖切面上生成剖面线。断开的剖视图为现有工程视图的一部分,而不是单独的视图。闭合的轮廓,通常是样条曲线,定义断开的剖视图。
l 剖面视图:在工程图视图中剖切零件或装配体以显示内部,系统会自动在所有零部件的剖切面上生成剖面线。通过使用剖切线或剖面线切割父视图,您可以在工程图中建立剖面视图。剖面视图可以是直切剖面或者是用阶梯剖切线定义的等距剖面。剖切线还可以包括同心圆弧。
任务延展

1、导入视图

2、剖面视图

3、辅助视图

4、完成标注(包括孔标注)

练练手


