作业名称05_拓展01_阶梯轴建模
所用UG工具:凸台 定位 键槽 割槽 倒角
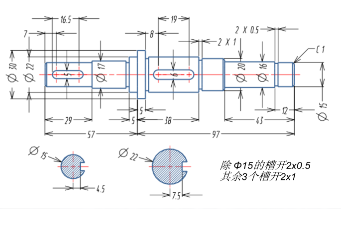
【题目】
阶梯轴 圆柱 同心 凸台 键槽 割槽
【参数】
如图所示
【问题】
模型体积是多少?
【题图】

【绘制视频】
1、主体台阶
2、开键槽
3、开砂轮越程槽
作业名称 05_拓展02_3D05_L04_A
所用UG工具:草图建模 回转 打孔 阵列特征 倒角
【题目】
参照图构建立体模型,注意其中的同心、阵列等几何关系。
【参数】
A=92 B=14 C=72 D=44 E=76 F=132
【问题】
1、黄色区域面积是多少?
2、模型体积是多少?
【题图】

【绘制视频】
1、建模思路
2、绘制主体回转曲线
3、绘制底部细节曲线
4、分批拉伸底图曲线做细节
作业名称05_拓展03_有意思的拔模
所用UG工具:多边形,拉伸,拔模,布尔运算,自由曲线
【题目】
八边形 同心 偏置 拉伸 直线 测量角度 拔模。
【参数】
如图所示
【问题】
1、黄色区域(3个面)面积是多少?
2、模型体积是多少?
【题图】

【绘制视频】
作业名称05_拓展04_CaTICs 3D08-H02
所用UG工具:长方体,拉伸,拔模,直线,测量角度
【题目】
【几何】同色面(蓝色和橘色)之间间距为T。
【参数】
A=32,B=4,C=8,D=24,E=52,F=86,G=40,T=3
【问题】
1、 X是多少?(20%)
2、 箭头所指的蓝色面(仅一个面,而非三个蓝色面)的面积是多少?(25%)
3、 模型体积是多少?(答案参考区间:100000~999999)(55%)
【题图】
CaTICs 3D08-H02

【绘制视频】

