任务4.3支架零件图
-
1 课前视频学习及测试
-
2 课中绘图任务
-
3 课后拓展任务
上一节
下一节
一、带着问题去学习
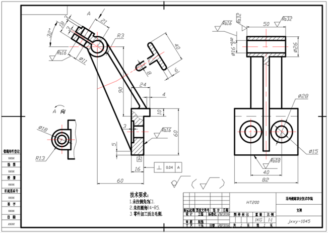
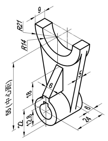
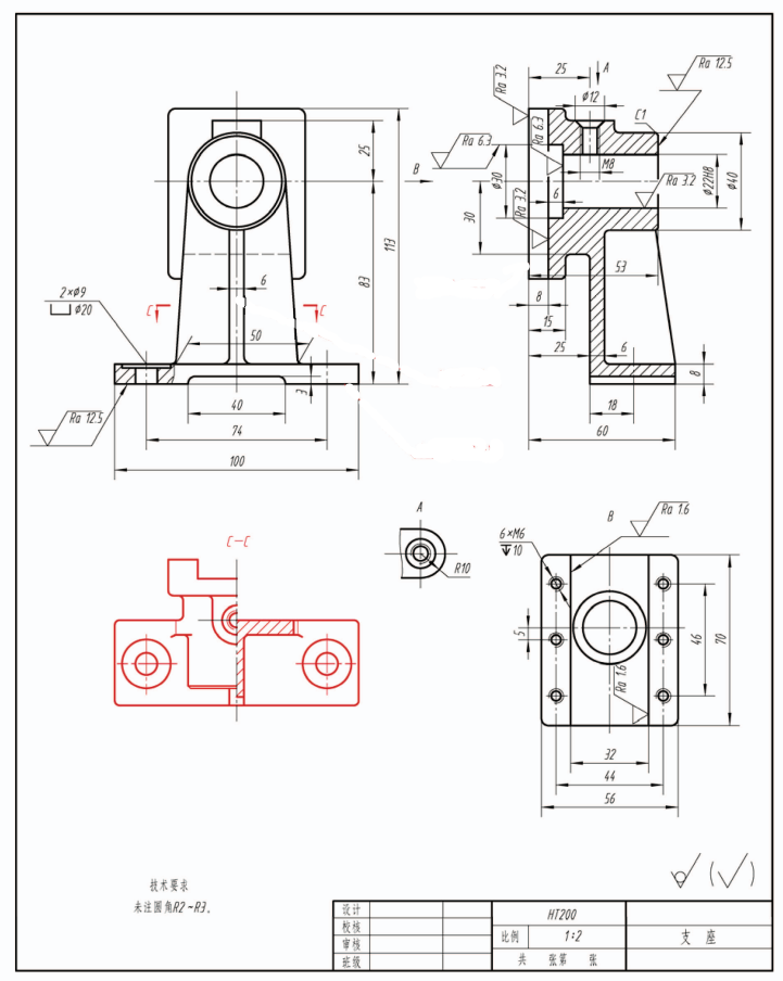
二、抄画支架零件图

三、支架零件图绘制视频讲解






