机械CAD软件及应用

石彩华 王洪磊 许红伍 苗现华 贾海涛 纪飞飞 李芳丽

目录

  • 1 项目1制作机械A4绘图模板
    • 1.1 任务1.1熟悉AutoCAD2024软件绘图界面
    • 1.2 任务1.2创建图层
    • 1.3 任务1.3绘制A4图框和标题栏
    • 1.4 任务1.4设置文字和标注样式
    • 1.5 任务1.5设置多重引线样式
    • 1.6 任务1.6创建表面粗糙度图形符号块
    • 1.7 任务1.7保存和使用机械A4绘图模板
    • 1.8 规范学习——图框及标题栏标准
    • 1.9 工匠精神的内涵
    • 1.10 单元测试—图框国标认识和绘制
  • 2 项目2 平面图形的分析与绘制
    • 2.1 任务2.1绘制支架平面图形
    • 2.2 任务2.2绘制红五星平面图形
    • 2.3 任务2.3绘制把手平面图形
    • 2.4 任务2.4修改支座零件平面图形
    • 2.5 任务2.5绘制吊钩平面图形
    • 2.6 任务2.6绘制卧钩平面图形
    • 2.7 任务2.7绘制箭头平面图形
    • 2.8 任务2.8绘制参数化图形
    • 2.9 任务2.9绘制连杆三视图
    • 2.10 任务2.10绘制压块三视图
    • 2.11 规范学习——平面图形的分析与绘制
    • 2.12 规范学习——斜板零件图的尺寸标注
    • 2.13 规范学习——尺寸标注的国标要求
    • 2.14 规范学习—基本体尺寸标注
    • 2.15 规范学习—组合体尺寸标注
    • 2.16 单元总结和练习
    • 2.17 单元测试—平面图形识读与绘制
  • 3 项目3文字输入与尺寸标注
    • 3.1 任务3.1文字样式设置及文字输入
    • 3.2 任务3.2箱体零件图的尺寸标注
    • 3.3 任务3.3打印箱体零件图
    • 3.4 单元测试—尺寸标注
  • 4 项目4零件图的识读与绘制
    • 4.1 任务4.1从动轴零件图的识读与绘制
    • 4.2 任务4.2齿轮零件图的识读与绘制
    • 4.3 任务4.3支架零件图
    • 4.4 任务4..4轴承座零件图绘制
    • 4.5 单元测试—零件图的识读与绘制
  • 5 项目5 装配图的识读与CAD绘制
    • 5.1 任务5.1螺栓装配图绘制
    • 5.2 任务5.2顶尖装配图的绘制
    • 5.3 任务5.3凸缘联轴器装配图
    • 5.4 单元测试—装配图的识读与绘制
  • 6 项目6绘制典型零件三维模型
    • 6.1 任务6.1简单零件建模(拉伸命令)
    • 6.2 任务6.2回转体零件建模(旋转命令)
    • 6.3 CAD中级考证案例讲解
    • 6.4 单元测试—三维建模
  • 7 项目7绘制工业送料机构图样
    • 7.1 任务7.1绘制送料机构零件图
    • 7.2 任务7.2绘制送料机构装配图
    • 7.3 单元测试
  • 8 项目8拆绘简易平口虎钳零件图
    • 8.1 任务8.1拆绘支撑板零件图
    • 8.2 任务8.2拆绘活动钳身零件图
    • 8.3 单元测试
  • 9 项目9标准化机器人夹爪三维转二维图纸
    • 9.1 任务9.1机器人夹爪3D转2D图纸标准化
    • 9.2 任务9.2汽车杯托夹具3D转2D图纸标准化
    • 9.3 单元测试
  • 10 期末测试
    • 10.1 期末测试
  • 11 拓展资源1: CAD高新技术中级试题视频讲解
    • 11.1 高新技术考证第一单元:文件操作与环境设置
      • 11.1.1 第1.1题
      • 11.1.2 第1.2 题
      • 11.1.3 第1.3 题
      • 11.1.4 第1.4 题
      • 11.1.5 第1.5题
    • 11.2 高新技术考证第二单元: 基本图形绘制
      • 11.2.1 第2.1题
      • 11.2.2 第2.2题
      • 11.2.3 第2.3题
      • 11.2.4 第2.4题
      • 11.2.5 第2.5 题
    • 11.3 高新技术考证第三单元: 图形属性与编辑
      • 11.3.1 第3.1题
      • 11.3.2 第3.2题
      • 11.3.3 第3.11题
    • 11.4 高新技术考证第四单元:精确绘图
      • 11.4.1 第4.1 题
      • 11.4.2 第4.2 题
    • 11.5 高新技术考证第五单元: 尺寸标注与文字
      • 11.5.1 第5.1 题
      • 11.5.2 第5.20 题
    • 11.6 高新技术考证第六单元: 三维绘图
      • 11.6.1 第6.1 题
      • 11.6.2 第6.2 题
      • 11.6.3 第6.3  题
      • 11.6.4 第6.4 题
      • 11.6.5 第6.5 题
      • 11.6.6 第6.6 题
      • 11.6.7 第6.7题
      • 11.6.8 第6.8 题
      • 11.6.9 第6.9 题
      • 11.6.10 第6.10 题
    • 11.7 高新技术考证第七单元: 专业绘图
      • 11.7.1 第7.1题
    • 11.8 高新技术考证第八单元:  文件输出
      • 11.8.1 第8.1 题
      • 11.8.2 第8.10题
    • 11.9 高新技术CAD考证文件
      • 11.9.1 高新技术CAD考证评分标准
      • 11.9.2 高新技术CAD考证大纲
    • 11.10 高新技术CAD考证前五套文件
  • 12 拓展资源2:三维数字化技术应用能力测评与认证——模拟题库
    • 12.1 三维数字化技术应用能力测评与认证题库
    • 12.2 三维数字化技术应用能力测评与认证模拟试题答案
  • 13 拓展资源3:CAD技巧文件
    • 13.1 AutoCAD应用技巧58例
    • 13.2 CAD技巧120个绝对实用
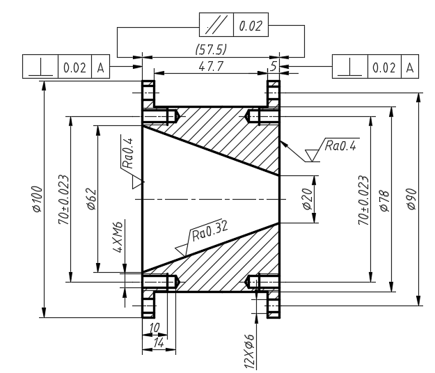
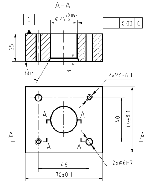
任务3.2箱体零件图的尺寸标注
  • 1 课前视频学习及测试
  • 2 课中标注任务
  • 3 课后拓展任务

       一、带着问题去学习

二、箱体零件图及源文件

三、箱体零件尺寸标注相关视频

1.箱体零件线性尺寸公差及螺纹孔尺寸标注

2.箱体零件图表面粗糙度的标注

  3.箱体零件图几何公差标注