任务4.2齿轮零件图的识读与绘制
-
1 课前视频学习及测试
-
2 课中绘图任务
-
3 课后拓展任务
上一节
下一节
一、带着问题去学习
二、齿轮零件图绘制和尺寸标注
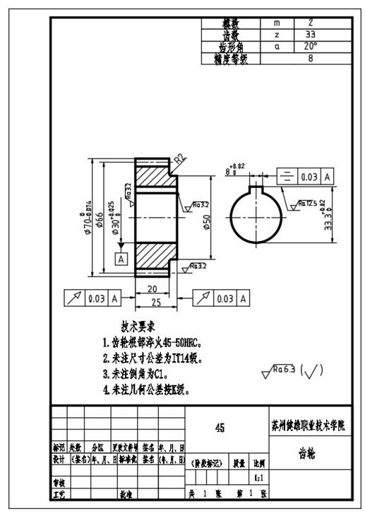
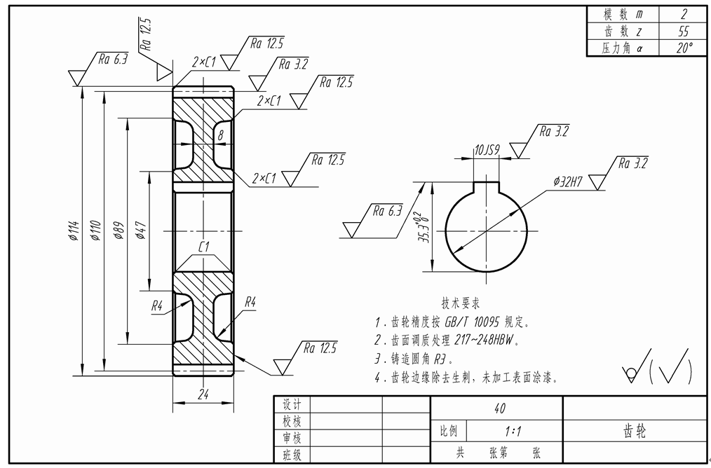
1.齿轮零件图

2.齿轮零件图分析及绘图步骤
3.齿轮尺寸标注讲解视频
4.齿轮参数表绘制讲解视频






