任务4.1从动轴零件图的识读与绘制
-
1 课前视频学习及测试
-
2 课中绘图任务
-
3 课后拓展任务
上一节
下一节
一、带着问题去学习
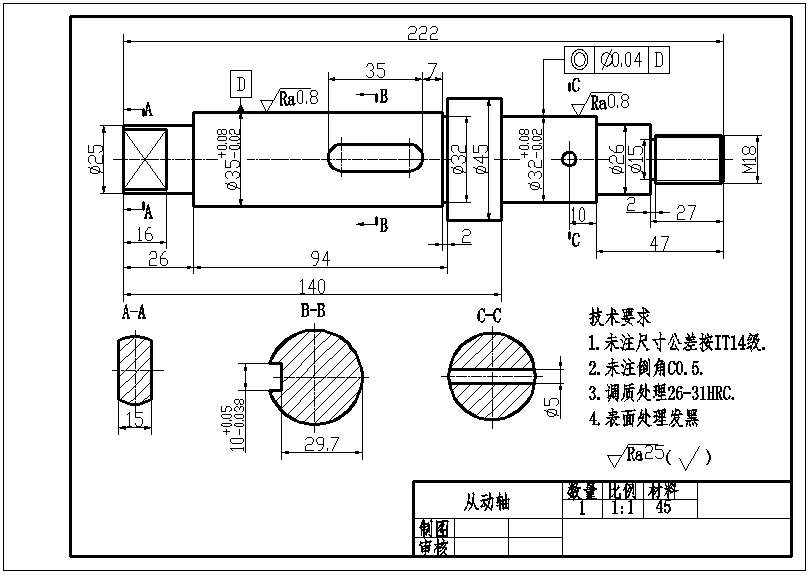
二、从动轴零件图(提供绘图模板)

三、从动轴零件图绘图过程视频
1.从动轴图零件图图形分析与绘图步骤
2、从动轴尺寸标注




