任务6.1简单零件建模(拉伸命令)
-
1 课前视频学习及测试
-
2 课中建模任务
-
3 课后拓展任务
上一节
下一节
一、带着问题去学习
二、视频讲解
1.三维绘图界面介绍
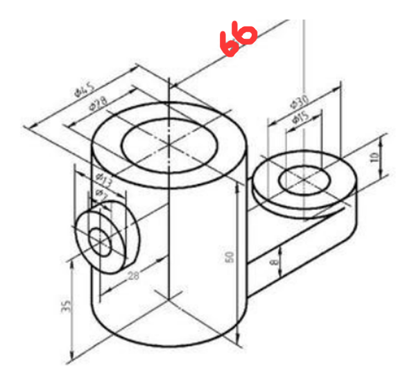
2.三个案例讲解(附CAD文件)
(1)6.8模板零件三维建模
(2)6.2支座零件三维建模
(3)6.1轴承座零件三维建模





