训练5(组合逻辑电路解题)
-
1 知识点
-
2 方法步骤
-
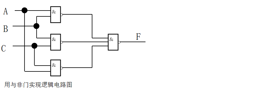
3 例题1
-
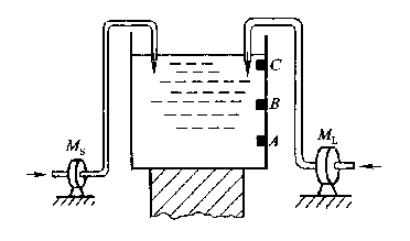
4 例题2
-
5 例题3
-
6 例题4
-
7 例题5
-
8 例6
-
9 测试卷5
上一节
下一节
学习要点:
1、了解逻辑代数的基本定律及运算规则,公式法化简逻辑函数常用方法,门电路的内部构成,TTL门电路与CMOS门电路的区别;
2、掌握数制转换和常用编码方式,卡诺图化简逻辑函数,门电路的符号画法及分类,门电路的功能测试;
3、了解组合逻辑电路分析及设计方法,常用中规模集成电路的基本功能;
4、掌握编码器、译码器、数据选择器等组合电路的分析方法,掌握74LS138、74LS47/48、数码管等器件的应用。


















