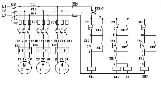
高3-3 PLC控制三台交流异步电动机顺序启动逆序停止电路的设计、安装与调试
(1)本题分值:5.0分。
(2)考核时间:240分钟。
(3)考核形式:实操考试
(4)具体考核要求:

考核要求:
(1)按照电气安装规范,绘制电动机主电路和PLC的I/O接线图;
(2)正确完成PLC控制电动机的安装、接线、调试;
(3)正确编制程序并输入PLC中,通电试运行;
(4)安全文明操作。
考核评分表
序号 | 考试内容 | 评分要素 | 配分 | 评分标准 | 最大扣分 | 步长 | 检测结果 | 扣分 | 得分 | 备注 |
1 | 识 图 | 正确识读给定题目中的电路图 | 4 | 1.错误解释文字、符号意义 | 4 | 0 | ||||
2.错误说明一个设备在电路中的作用 | 4 | 1 | ||||||||
2 | 识别设备、材料 | 正确识别本题目所需设备、材 | 3 | 1.设备、材料型号识错 | 3 | 0 | ||||
2.设备、材料规格识错 | 3 | 1 | ||||||||
3 | 选用仪器、仪表 | 正确选用本题目所需仪器、仪表检测元器件及电路 | 3 | 1.错误选择仪器、仪表的规格、型号 | 3 | 1 | ||||
2.使用方法不正确 | 3 | 1 | ||||||||
3.测试记录错误 | 3 | 1 | ||||||||
4 | 选用工、器具 | 正确选用本题目所需电工工、器具 | 3 | 1.错误选择工、器具类别和规格 | 3 | 1 | ||||
2.使用方法不正确 | 3 | 0 | ||||||||
5 | 画梯形图、编程 | 画梯形图、编指令程序正确 | 8 | 1.梯形图绘制错误 | 8 | 1 | ||||
2.编指令程序错误 | 8 | 1 | ||||||||
6 | 接线操作 | 接线正确,符合工艺要求 | 10 | 1.接线错误 | 10 | 1 | ||||
2.接触不良 | 10 | 0 | ||||||||
3.接线超过规定时间5分钟/每次 | 10 | 2 | ||||||||
7 | 检查试运行 | 正确检查线路、试运行一次成功 | 6 | 1.检查线路每漏一条 | 6 | 2 | ||||
2.不能达到控制要求 | 6 | 2 | ||||||||
3.试运行不成功 | 6 | 3 | ||||||||
8 | 安全与文明生产 | 操作过程符合国家、部委、行业等权威机构颁发的电工作业操作规程、电工作业安全规程与文明生产要求 | 3 | 1.违反规程 | 3 | 1 | ||||
2.操作现场工、器具和仪表、材料摆放不整齐 | 3 | 0 | ||||||||
9 | 否定项 | 否定项 | -1 | 造成设备严重损坏及人员重伤以上事故,考核全程否定,即按0分处理。 | 40 | 40 | ||||
合计 | 40 | |||||||||

