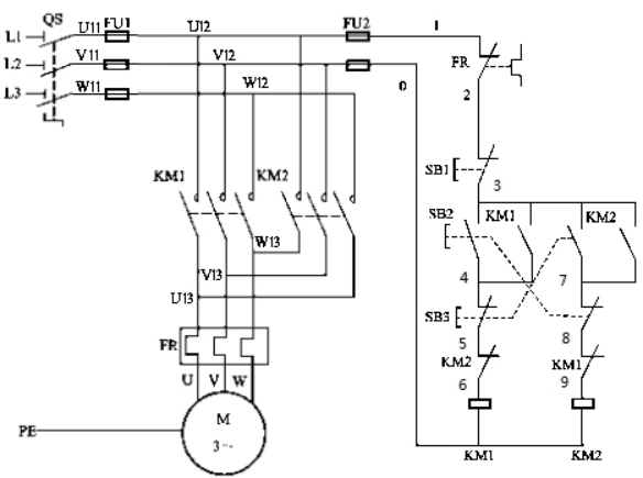
中级3-2 三相异步电动机双重联锁正反转PLC控制线路改造
(1)本题分值:5.5分。
(2)考核时间:120分钟。
(3)考核形式:实操考试
(4)具体考核要求:
一、考核要求:
1.按国家技术标准GB50259-96,完成PLC控制电动机的安装、接线并完成调试。
2.绘制控制电动机主电路和PLC的I/O接线图、I/O分配表和梯形图。
3.正确编制程序并输入PLC中,通电试运行。
4.按要求完成笔试部分内容。
二、考核注意事项:
1.满分40分,考试时间120分钟。
2.应按图接线,避免发生短路事故。
3.正确使用工具和仪表,做到安全操作和文明生产。
笔试部分:
(1)写出下列文字符号的名称。(本题分值3分,每错一处扣1分)
QS( );FU1( );KM1( )
(2)简述螺丝刀使用注意事项。(本题分值2分,错答或漏答一条扣1分)
(3)简述指针式万用表电阻挡的使用方法。(本题分值2分,错答或漏答一条扣0.5分)
(4)绘制PLC的I/O接线图和I/O分配表。(本题分值5分)
(5)根据控制要求绘制PLC程序梯形图。(本题分值2分)
考核评分表
序号 | 考试内容 | 评分要素 | 配分 | 评分标准 | 最大扣分 | 步长 | 检测结果 | 扣分 | 得分 | 备注 |
1 | 绘图 | 1.正确绘制PLC接线图,列出PLC控制I/O口(输入/输出)元件地址分配表 | 5 | 1.徒手绘制PLC接线图扣2分;PLC接线图错误、I/O分配表错误每处扣1分; | 5 | 2 | ||||
2.根据控制要求,设计梯形图 | 2 | 2.梯形图画法不规范扣2分 | 2 | 2 | ||||||
3.正确回答笔试问题 | 3 | 3.笔试部分(1)题参考答案 : QS(隔离开关);FU1(熔断器);KM1(交流接触器)每错一处扣1分;本项配分扣完为止 | 3 | 1 | ||||||
2 | 工具的使用 | 正确使用工具;正确回答笔试问题 | 2 | 工具使用不正确每次扣2分;笔试部分(2)题参考答案:1)正确选用螺丝刀规格型号;2)螺丝刀压紧螺丝的槽口后旋拧。每错一处扣1分;本项配分扣完为止 | 2 | 2 | ||||
3 | 仪表的使用 | 正确使用仪表;正确回答笔试问题 | 4 | 仪表使用不正确每次扣2分;笔试部分(2)题参考答案:1)预估被测电阻的大小,选择档位;2)调零;3)测出电阻的数值;4)如果档位不合适,更换档位后重新调零和测试。每错一处扣1分;本项配分扣完为止 | 4 | 2 | ||||
4 | 安装布线 | 按照电气安装规范,依据电路图正确完成本次考核线路的安装和接线 | 12 | 1.不按图接线每处扣1分 | 3 | 1 | ||||
2.电源线和负载不经接线端子排接线每根导线扣1分 | 3 | 1 | ||||||||
3.电器安装不牢固、不符合设计及产品技术文件的要求,每项扣1分 | 3 | 1 | ||||||||
4.导线裸露部分没有加套绝缘,每处扣1分 | 3 | 1 | ||||||||
5 | 程序输入及调试 | 1.熟练操作PLC | 2 | 1.模拟操作与控制流程不符每处扣1分 | 2 | 1 | ||||
2.按照被控设备的动作要求进行模拟操作调试,达到控制要求 | 10 | 2.1次试车不成功扣5分;2次试车不成功扣10分 | 10 | 10 | ||||||
6 | 否定项 | 否定项 | -1 | 造成设备严重损坏及人员重伤以上事故,考核全程否定,即按0分处理 | 40 | 40 | ||||
合计 | 40 | |||||||||

