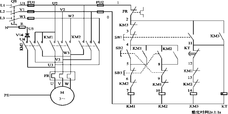
高2-3 三相异步电动机双重联锁正反转启动能耗制动的控制线路故障判断与处理
(1)本题分值:5.0分。
(2)考核时间:20分钟。
(3)考核形式:实操考试
(4)具体考核要求:
三相异步电动机双重联锁正反转启动能耗制动的控制线路故障判断与处理

在其电路板上,设隐蔽故障3处,其中主回路1处,控制回路2处。考生必须单独排除故障。
考核要求:
(1) 从设故障开始,考评员不得进行提示。
(2) 根据故障现象,在电气控制线路图上分析故障可能产生的原因,确定故障发生的范围,并在原理图上用“×”标出准确的故障点。
(3) 排除故障过程中如果扩大故障,在规定时间内可以继续排除故障。
(4) 正确使用工具和仪表。
(5) 考核注意事项:满分40分,考试时间120分钟。在考核过程中,要注意安全。
否定项:故障检修得分未达24分,本次鉴定操作考核视为不通过。
考核评分表
序号 | 考试内容 | 评分要素 | 配分 | 评分标准 | 最大扣分 | 步长 | 检测结果 | 扣分 | 得分 | 备注 |
1 | 调查研究 | 对每个故障现象进行调查研究 | 1 | 排除故障前不进行调查研究。 | 1 | 1 | ||||
2 | 故障分析 | 在电气控制线路上分析故障可能的原因,思路正确 | 5 | 1.错标或标不出故障范围。 | 3 | 1 | ||||
2.不能标出最小的故障范围。 | 3 | 1 | ||||||||
3 | 故障排除 | 正确使用工具和仪表,找出故障点并排除故障 | 24 | 1.实际排除故障中思路不清楚。 | 6 | 2 | ||||
2.每少查出一个故障点。 | 6 | 2 | ||||||||
3.每少排除一个故障点。 | 6 | 2 | ||||||||
4.排除故障方法不正确。 | 9 | 3 | ||||||||
4 | 安全与文明生产 | 执行国家有关部委、行业及本企业电工安全规程、试行规范、条例与职业道德等有关内容 | 10 | 1.排除障时产生新的故障后不能自行修复。 | 10 | 5 | ||||
2.违反国家有关部委、行业及本企业电工安全规程、试行规范、条例与职业道德等。 | 10 | 10 | ||||||||
5 | 否定项 | 否定项 | -1 | 造成设备严重损坏及人员重伤以上事故,考核全程否定,即按0分处理。 | 40 | 40 | ||||
合计 | 40 | |||||||||

