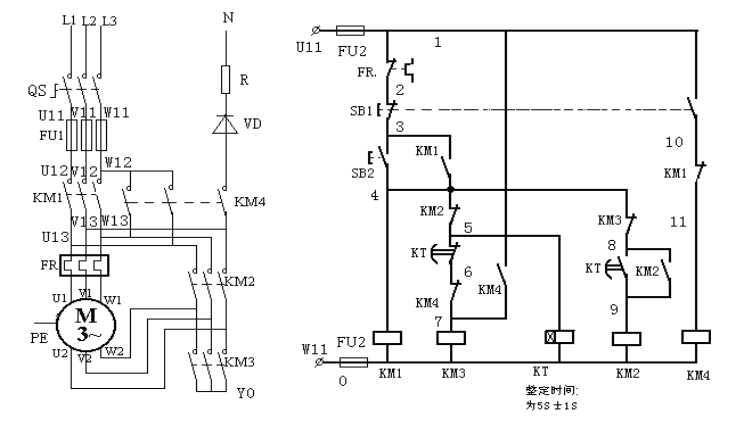
高2.2 通电延时Y-△启动控制线路故障判断和处理
(1)本题分值:5.0分。
(2)考核时间:20分钟。
(3)考核形式:实操考试
(4)具体考核要求:
通电延时带直流控制能耗制动Y-△启动控制线路排故图

在其电路板上,设隐蔽故障3处,其中主回路1处,控制回路2处。考生必须单独排除故障。
考核要求:
(1) 从设故障开始,考评员不得进行提示。
(2) 根据故障现象,在电气控制线路图上分析故障可能产生的原因,确定故障发生的范围,并在原理图上用“×”标出准确的故障点。
(3) 排除故障过程中如果扩大故障,在规定时间内可以继续排除故障。
(4) 正确使用工具和仪表。
(5) 考核注意事项:满分40分,考试时间120分钟。在考核过程中,要注意安全。
否定项:故障检修得分未达24分,本次鉴定操作考核视为不通过。
考核评分表
序号 | 考试内容 | 评分要素 | 配分 | 评分标准 | 最大扣分 | 步长 | 检测结果 | 扣分 | 得分 | 备注 |
1 | 调查研究 | 对每个故障现象进行调查研究 | 1 | 排除故障前不进行调查研究。 | 1 | 1 | ||||
2 | 故障分析 | 在电气控制线路上分析故障可能的原因,思路正确 | 5 | 1.错标或标不出故障范围。 | 3 | 1 | ||||
2.不能标出最小的故障范围。 | 3 | 1 | ||||||||
3 | 故障排除 | 正确使用工具和仪表,找出故障点并排除故障 | 24 | 1.实际排除故障中思路不清楚。 | 6 | 2 | ||||
2.每少查出一个故障点。 | 6 | 2 | ||||||||
3.每少排除一个故障点。 | 6 | 2 | ||||||||
4.排除故障方法不正确。 | 9 | 3 | ||||||||
4 | 安全与文明生产 | 执行国家有关部委、行业及本企业电工安全规程、试行规范、条例与职业道德等有关内容 | 10 | 1.排除障时产生新的故障后不能自行修复。 | 10 | 5 | ||||
2.违反国家有关部委、行业及本企业电工安全规程、试行规范、条例与职业道德等。 | 10 | 10 | ||||||||
5 | 否定项 | 否定项 | -1 | 造成设备严重损坏及人员重伤以上事故,考核全程否定,即按0分处理。 | 40 | 40 | ||||
合计 | 40 | |||||||||

