中级2.2 三相异步电动机双重联锁正反转启动能耗制动的控制线路故障检修
(1)本题分值:5.5分。
(2)考核时间:20分钟。
(3)考核形式:实操考试
(4)具体考核要求:
一、考核要求:
1.从设故障开始,考评员不得进行提示。
2. 根据故障现象,在电气控制线路图上分析故障可能产生的原因,确定故障发生的范围,并在原理图上用“×”标出准确的故障点。
3. 排除故障过程中如果扩大故障,在规定时间内可以继续排除故障。
4. 正确使用工具和仪表。
二、考核注意事项:
1.满分40分,考试时间20分钟。
2.在考核过程中,要注意安全避免发生短路事故。
3.否定项:故障检修得分未达24分,本次鉴定操作考核视为不通过。

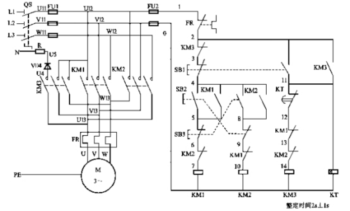
三相异步电动机双重联锁正反转启动能耗制动的控制线路图
考核评分表
序号 | 考试内容 | 评分要素 | 配分 | 评分标准 | 最大扣分 | 步长 | 检测结果 | 扣分 | 得分 | 备注 |
1 | 调查研究 | 对每个故障现象进行调查研究 | 1 | 排除故障前不进行调查研究,扣1分 | 1 | 1 | ||||
2 | 故障分析 | 在电气控制线路上分析故障可能的原因,思路正确 | 9 | 1.错标或标不出故障范围,每个故障点扣2分 | 6 | 3 | ||||
2.不能标出最小的故障范围,每个故障点扣1分 | 3 | 3 | ||||||||
3 | 故障排除 | 正确使用工具和仪表,找出故障点并排除故障 | 30 | 1.实际排除故障中思路不清楚,每个故障点扣2分; | 4 | 2 | ||||
2.每少查出一个故障点扣2分;每少排除一个故障点扣3分; | 10 | 2 | ||||||||
3.排除故障方法不正确,每处扣3分 | 9 | 3 | ||||||||
4.排除障时产生新的故障后不能自行修复,每个扣10分;已经修复,每个扣5分;损坏电动机扣10分 | 10 | 1 | ||||||||
4 | 否定项 | 否定项 | -1 | 造成设备严重损坏及人员重伤以上事故,考核全程否定,即按0分处理 | 40 | 40 | ||||
合计 | 40 | |||||||||

