高级
(1)本题分值:5.0分。
(2)考核时间:240分钟。
(3)考核形式:实操考试
(4)具体考核要求:

考核要求:
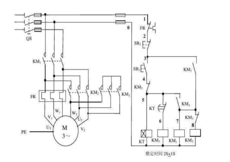
(1) 按图纸的要求进行正确熟练地安装;元件在配线板上布置要合理,安装要正确、紧固,布线要求横平竖直,应尽量避免交叉跨越,接线紧固、美观。正确使用工具和仪表。
(2) 按钮盒不固定在板上,电源和电动机配线、按钮接线要接到端子排上,要注明引出端子标号。
(3) 安全文明操作。
(4) 注意事项:满分40分,考试时间240分钟。
序号 | 考试内容 | 评分要素 | 配分 | 评分标准 | 最大扣分 | 步长 | 检测结果 | 扣分 | 得分 | 备注 |
1 | 元件安装 | 1.按图纸的要求,正确使用工具和仪表,熟练安装电气元器件2.元件在配电板上布置要合理,安装要准确、紧固3.按钮盒不固定在板上 | 5 | 1.元件布置不整齐、不匀称、不合理, | 5 | 1 | ||||
2.元件安装不牢固、安装元件时漏装螺钉 | 5 | 1 | ||||||||
3.损坏元件 | 5 | 2 | ||||||||
2 | 布线 | 1.布线要求横平竖直,接线紧固美观2.电源和电动机配线、按钮接线要接到端子排上,要注明引出端子标号3.导线不能乱线敷设 | 15 | 1.电动机运行正常,但未按电路图接线 | 5 | 1 | ||||
2.布线不横平竖直 | 5 | 0 | ||||||||
3.接点松动、接头露铜过长、反圈、压绝缘层,标记线号不清楚、遗漏或误标 | 5 | 0 | ||||||||
4.损伤导线绝缘或线芯 | 5 | 0 | ||||||||
5.导线乱线敷设 | 10 | 10 | ||||||||
3 | 通电试验 | 在保证人身和设备安全的前提下,通电试验一次成功 | 20 | 1.时间继电器及热继电器整定值错误 | 4 | 2 | ||||
2.主、控电路配错熔体 | 5 | 1 | ||||||||
3.试车不成功 | 15 | 5 | ||||||||
4 | 否定项 | 否定项 | -1 | 造成设备严重损坏及人员重伤以上事故,考核全程否定,即按0分处理。 | 40 | 40 | ||||
合计 | 40 | |||||||||

