高级
(1)本题分值:5.0分。
(2)考核时间:240分钟。
(3)考核形式:实操考试
(4)具体考核要求:

考核要求:
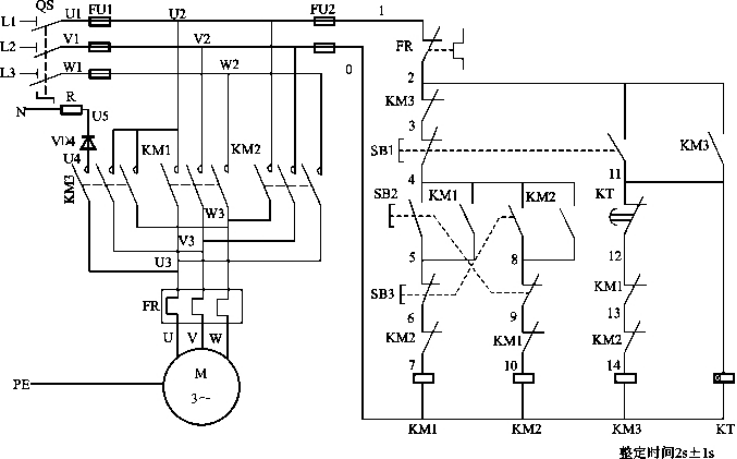
(1) 按照电气安装规范,依据图纸正确完成三相异步电动机双重联锁正反转启动能耗制动控制线路;元件在配线板上布置要合理,安装要正确、紧固,布线要求横平竖直,应尽量避免交叉跨越,接线紧固、美观。正确使用工具和仪表。
(2) 按钮盒不固定在板上,电源和电动机配线、按钮接线要接到端子排上,要注明引出端子标号。
(3) 安全文明操作。
(4)满分40分。
(5)考试时间:240分钟。
考核评分表
序号 | 考试内容 | 评分要素 | 配分 | 评分标准 | 最大扣分 | 步长 | 检测结果 | 扣分 | 得分 | 备注 |
1 | 元件安装 | 1.按图纸的要求,正确使用工具和仪表,熟练安装电气元器件2.元件在配电板上布置要合理,安装要准确、紧固3.按钮盒不固定在板上 | 5 | 1.元件布置不整齐、不匀称、不合理, | 5 | 1 | ||||
2.元件安装不牢固、安装元件时漏装螺钉 | 5 | 1 | ||||||||
3.损坏元件 | 5 | 2 | ||||||||
2 | 布线 | 1.布线要求横平竖直,接线紧固美观2.电源和电动机配线、按钮接线要接到端子排上,要注明引出端子标号3.导线不能乱线敷设 | 15 | 1.电动机运行正常,但未按电路图接线 | 5 | 1 | ||||
2.布线不横平竖直 | 5 | 0 | ||||||||
3.接点松动、接头露铜过长、反圈、压绝缘层,标记线号不清楚、遗漏或误标 | 5 | 0 | ||||||||
4.损伤导线绝缘或线芯 | 5 | 0 | ||||||||
5.导线乱线敷设 | 10 | 10 | ||||||||
3 | 通电试验 | 在保证人身和设备安全的前提下,通电试验一次成功 | 20 | 1.时间继电器及热继电器整定值错误 | 4 | 2 | ||||
2.主、控电路配错熔体 | 5 | 1 | ||||||||
3.试车不成功 | 15 | 5 | ||||||||
4 | 否定项 | 否定项 | -1 | 造成设备严重损坏及人员重伤以上事故,考核全程否定,即按0分处理。 | 40 | 40 | ||||
合计 | 40 | |||||||||

