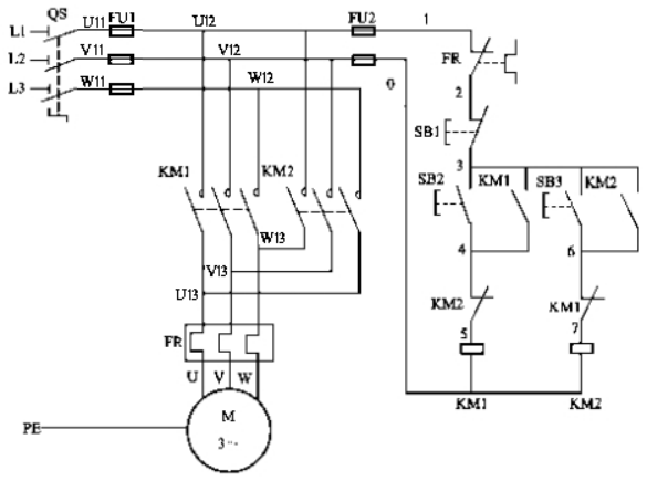
任务1 三相异步电动机接触器联锁正反转启动带能耗制动的控制线路安装和调试
(1)本题分值:5.5分。
(2)考核时间:120分钟。
(3)考核形式:实操考试
(4)具体考核要求:

1.按国家技术标准GB50259-96等施工与技术规范的要求完成电气线路的安装。
2.元件的检查:首先用万用表检查空气开关、交流接触器、热继电器、熔断器和按钮等元件的好坏,检查元件是否配套。
3.元件及线路安装:元件在配线板上布置要合理,安装要正确、紧固,布线要求横平竖直,应尽量避免交叉跨越,接线紧固、美观。
4.通电试验合格。
二、考核注意事项:
1.满分40分,考试时间120分钟。
2.应按图接线,避免发生短路事故。
3.正确使用工具和仪表,做到安全操作和文明生产。
考核评分表
序号 | 考试内容 | 评分要素 | 配分 | 评分标准 | 最大扣分 | 步长 | 检测结果 | 扣分 | 得分 | 备注 |
1 | 元件安装 | 1.按图纸的要求,正确使用工具和仪表,熟练安装电气元器件 | 2 | 1.元件布置不整齐、不匀称、不合理,每个扣1分 | 2 | 1 | ||||
2.元件在配电板上布置要合理,安装要准确、紧固 | 2 | 2.元件安装不牢固、安装元件时漏装螺钉,每个扣1分;损坏元件,每个扣2分 | 2 | 1 | ||||||
3.按钮盒固定在板上 | 1 | 3.按钮盒不固定在板上扣1分 | 1 | 1 | ||||||
2 | 布线 | 1.按图接线、布线要求横平竖直,接线紧固美观 | 5 | 1.电动机运行正常,但未按电路图接线,扣1分 | 1 | 1 | ||||
2.布线不横平竖直,主、控制电路,每根扣0.5分 | 4 | 0 | ||||||||
2.电源和电动机配线、按钮接线要接到端子排上,要注明引出端子标号 | 5 | 3.接点松动、接头露铜过长、反圈、压绝缘层,标记线号不清楚、遗漏或误标,每处扣0.5分 | 2 | 0 | ||||||
4.损伤导线绝缘或线芯,每根扣0.5分 | 2 | 0 | ||||||||
3.导线不能乱线敷设 | 5 | 5.导线乱线敷设扣5分 | 5 | 5 | ||||||
3 | 通电试验 | 在保证人身和设备安全的前提下,通电试验一次成 | 20 | 1.热继电器整定值错误扣2分 | 2 | 2 | ||||
2.主、控电路配错熔体,每个扣1分 | 3 | 1 | ||||||||
3.一次试车不成功扣5分;二次试车不成功扣10分;三次试车不成功扣15分 | 15 | 15 | ||||||||
4 | 否定项 | 否定项 | -1 | 造成设备严重损坏及人员重伤以上事故,考核全程否定,即按0分处理 | 40 | 40 | ||||
合计 | 40 | |||||||||

