任务5.3 用高速计数器测量电机的转速
-
1 任务描述
-
2 学习目标
-
3 相关知识
-
4 教学微课
-
5 源程序
-
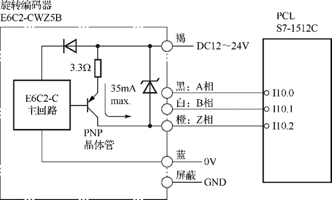
6 硬件接线
-
7 PPT课件
上一节
下一节
任务描述
用PLC的高速计数器来测量电机的实时速度,在触摸屏上用数字和进度条同时显示速度值。另外,在HMI人机界面上设置1个启动测量按钮、1个停止测量按钮、脉冲个数监测框、脉冲频率监测框等。








