任务5.2 通过G120变频器控制电机
-
1 任务描述
-
2 学习目标
-
3 相关知识
-
4 教学微课
-
5 源程序
-
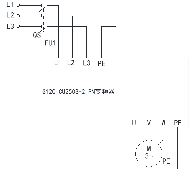
6 硬件接线
-
7 PPT课件
-
8 拓展资料
上一节
下一节
任务描述
PLC通过PROFINET总线控制G120变频器,驱动电机正反转和调速。在触摸屏上设置启动、停止、正反转三个按钮,并设置一个速度值输入框以调整电机的转速。












