任务3.3 彩虹灯
-
1 任务描述
-
2 学习目标
-
3 相关知识
-
4 教学微课
-
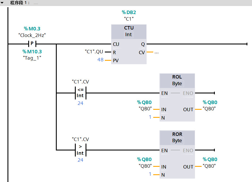
5 LAD源程序
-
6 SCL源程序
-
7 硬件接线
-
8 PPT课件
上一节
下一节
任务描述
霓虹灯广告和舞台灯光等都可以采用PLC进行控制,如灯光的闪烁、移位及时序的变化等。图 3‑32是彩虹灯自动控制仿真演示界面,它一共有10道LED灯,其中6道圆弧,4道字母。参照图 3‑32在触摸屏上建立同样的HMI人机交互界面。实现如下的闪烁功能:
①按下启动按钮,10道LED灯以2Hz的频率,以“外圈-中间圈-内圈-N-C-V-T”的顺序进行滚动闪烁,循环3次以后,再以“T-V-C-N-内圈-中间圈-外圈”的顺序进行滚动闪烁3次,然后重新开始循环;
②按下停止按钮,不论什么状态,立即熄灭所有的灯;
③再次按下启动按钮,彩虹灯重新开始循环闪烁。
本次任务所需要的硬件实验条件与任务3.2完全一样。可以采用纯仿真来完成,也可以采用实物PLC和触摸屏来进行实验,但是不要求连接实物按钮和实物灯。

彩虹灯-实验现象
彩虹灯触摸屏背景图










