目录

  • 1 模块一 制造工程师软件的基本操作
    • 1.1 说课-认识本课、软件熟悉
  • 2 模块二 线框构建
    • 2.1 平面图形绘制
    • 2.2 平面图形编辑
      • 2.2.1 平面图形编辑上机
    • 2.3 三维线架绘制
      • 2.3.1 三维线架上机
  • 3 模块三 曲面造型
    • 3.1 直纹、导动曲面创建
      • 3.1.1 五角星、鼠标上机
    • 3.2 放样、网格曲面创建
      • 3.2.1 花瓶、可乐瓶底上机
    • 3.3 旋转曲面、曲面编辑
      • 3.3.1 曲面上机
      • 3.3.2 课后练习
    • 3.4 综合曲面
  • 4 模块四 实体造型
    • 4.1 二维草图、拉伸实体、剪裁2
      • 4.1.1 拔叉、轴承座
      • 4.1.2 鼠标、蜡烛灯、轴承盖、弯管上机4
    • 4.2 旋转、环形阵列等实体造型创建2
      • 4.2.1 管接头、叶轮造型上机4
    • 4.3 实体装配三维球应用2
      • 4.3.1 支架、铰链、手轮装配上机4
    • 4.4 放样、实体转换(矩阵阵列)2
      • 4.4.1 茶几实体造型上机4
    • 4.5 思考与练习
  • 5 模块五 数控加工
    • 5.1 盘体类零件加工与编程
      • 5.1.1 盘体类零件图5-1、印章字体图5-28上机
      • 5.1.2 孔加工
      • 5.1.3 摆线槽零件加工
    • 5.2 底座零件加工编程
      • 5.2.1 底座图5-40、球铰座图5-71上机
    • 5.3 孔加工
    • 5.4 锻模电极加工
    • 5.5 四轴零件加工与编程
      • 5.5.1 圆柱凸轮槽图5-101、异形截面图5-108上机
    • 5.6 五轴零件加工与编程
      • 5.6.1 滑杆支架图5-119、可乐瓶底图5-135、下啮合座图图5-145上机
  • 6 CAM数控车
    • 6.1 传动轴绘制
    • 6.2 轴加工
  • 7 CAXA-CAPP工艺图表
    • 7.1 CAPP工艺图表2
      • 7.1.1 CAPP工艺图表编制4
  • 8 总复习
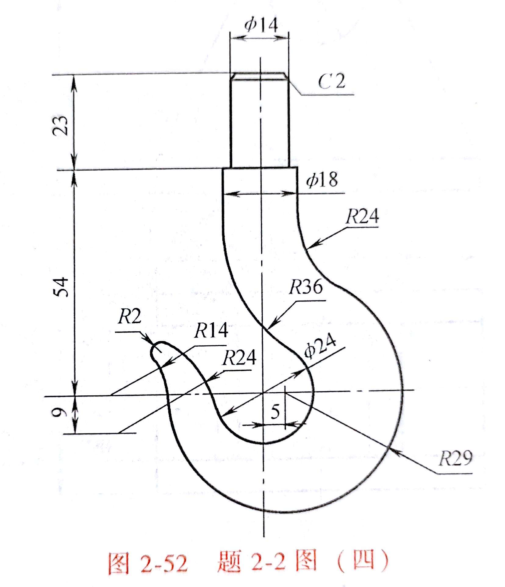
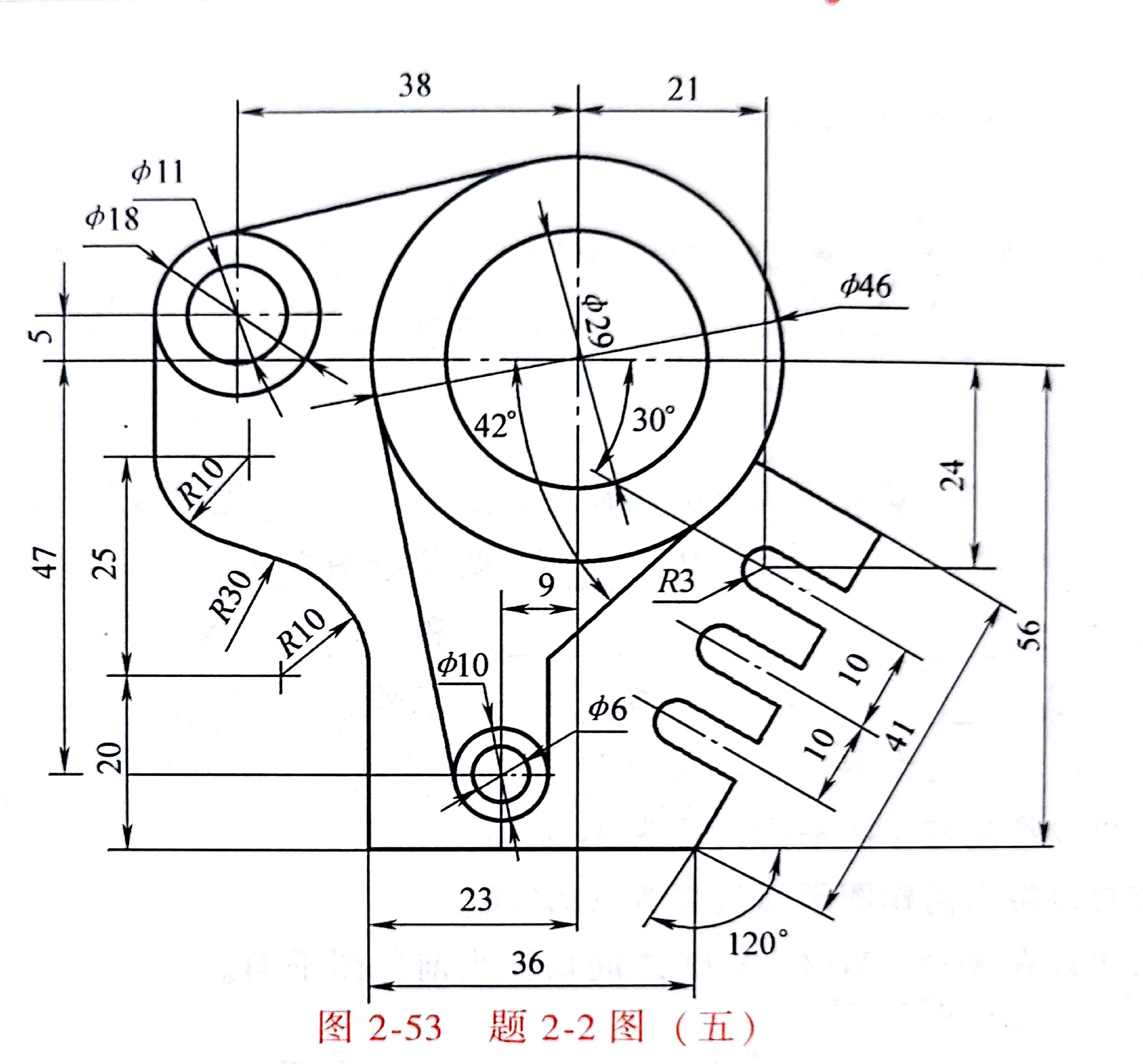
平面图形绘制


常用快捷键:

F2-F9 

撤消         ctrl+z       

恢复         ctrl+y 

清除           delete   

图形最大化居中:双击鼠标中