
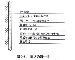
课前 1.发布课前要求 要求同学了解裱糊与软包饰面工程施工技术施工准备、裱糊与软包饰面工程施工技术施工工艺等相关知识。 要求:作业本,铅笔、橡皮、直尺等绘图工具。 2.组织教学内容,提出能力目标 知识目标: (1)了解裱糊与软包饰面工程施工主要机具的使用方法; (2)了解裱糊与软包饰面工程施工主要材料; (3)熟练裱糊与软包饰面工程施工工艺; (4)掌握裱糊饰面工程施工; (5)掌握软包饰面工程施工工艺; (6)掌握裱糊与软包饰面工程施工方案。 能力目标: (1)能熟练应用裱糊与软包饰面工程施工机具和主要材料; (2)能掌握裱糊与软包饰面工程施工工艺,并能正确指导现场施工。 (3)能了解裱糊与软包饰面工程施工注意事项。 课中 软件签到 通过APP,引出学习重点 裱糊与软包饰面工程是建筑工程中不可缺少的重要组成。裱糊工程是指在建筑物的内墙和柱子表面粘贴纸张、塑料壁纸、玻璃纤维墙布、锦缎等材料。裱糊主要是美化居住环境,对墙体有一定的保护作用。软包是指一种在室内墙表面用柔性材料加以包装的墙面装饰方法。软包除美化空间的作用外,更重要的是它具有吸声、隔声、防潮、防撞的功能。  软件投票 题目:什么样的空间不适合裱糊与软包饰面工程?( )(3分钟) A卧室B. 客厅 C. 餐厅D. 厨房 通过课件,讲授新课知识 任务一、裱糊饰面工程施工 1.基本构造 裱糊饰面是指将各种墙纸、织物、金属箔、微薄木等卷材粘贴在内墙面的一种饰面。这类饰面装饰性好,且材料品种繁多、色彩丰富、花纹图案变化多端,广泛用于宾馆、会议室、办公室及家庭居室的内墙装饰。其中,墙纸类裱糊饰面的基本构造如图3-11所示。  2.材料质量要求 (1)裱糊面材由设计规定,以样板的方式由甲方认定,并一次备足同批的面材,以免不同批次的材料产生色差,影响同一空间的装饰效果。 (2)壁纸、墙布的种类、规格、图案、颜色和燃烧性能等级必须符合设计要求及现行国家标准的有关规定。进场材料应检查产品的合格证书、性能检测报告,并做好进场验收记录。 (3)建筑材料和装修材料的检测项目不全或对检测结果有疑问时,必须将材料送有资格的检测机构进行检验,检验合格后方可使用(4)民用建筑工程室内装修所采用的水性涂料、水性胶黏剂、水性处理剂必须有总挥发性有机化合物(TVOC和游离甲醛含量检测报告;溶剂型涂料、溶剂型胶黏剂必须有总挥发性有机化合物( TVOC)、苯、游离甲苯二异酸酯(TD)(聚氨酯类)含量检测报告,并应符合设计要求和《民用建筑工程室内环境污染控制规范(2013版)》(GB50325-2010)的规定。  3.施工工艺流程 基层处理→涂底胶→弹线、预拼→测量、裁纸→润纸→刷胶一裱糊一修整。  4.施工要点  (1)基层处理。不同材质的基层应有不同的处理方法,具体要求如下: 1)混凝土及抹灰基层处理。混凝士墙面及用水泥砂浆、混合砂浆、石灰砂浆抹灰墙面裱糊壁纸、墙布前,要满刮腻子一遍,并用砂纸打磨。这些墙面的基层表面如有麻点、四凸不平或孔洞时,应增加刮腻子和砂纸打磨的遍数处理好的底层应该平整光滑,阴、阳角线通畅、顺直,无裂纹、崩角,无砂眼、麻特别是阴角、阳角、窗台下、暖气炉片后、明露管道后及与踢脚连接处应仔细处理到位 2)木质基层处理。木质基层要求接缝不显接槎,接缝、钉眼应用腻子补平,并满刮油性腻子两遍,用砂纸磨平。第一遍满刮腻子主要是找平大面,第二遍可用石膏腻子找平,腻子的厚度应减薄,可在该腻子五六成干时,用塑料刮板有规律地压光,最后用干净的抹布轻轻将表面灰粒擦净。 如果是要裱糊金属壁纸,批刮腻子应三遍以上,在找补第二遍腻子时采用石膏粉配猪血料调制腻子,其配合比为10:3(质量比)。批刮最后一遍腻子并打平后,用软布擦净 3)石膏基层处理。纸面石膏板墙面裱糊塑料壁纸时,板面要先以油性石膏腻子找平。 板面接缝处用嵌缝石膏腻子及穿孔纸带进行嵌缝处理;无纸面石膏板墙面裱糊壁纸时,应先在板面满刮一遍乳胶石膏腻子,以确保壁纸与石膏板面的黏结强度。 4)旧墙基层处理。首先,用相同砂浆修补旧墙表面脱灰、孔洞、空裂等较大缺陷,其次用腻子找补麻点、凹坑、接缝、裂纹,直到填平,然后满刮腻子找平。如果旧墙上有油漆或污渍,应先将其清理干净。注意修补的砂浆应与原基层砂浆同料、同色,避免基层颜色不一致。 5)不同基层对接处的处理。不同基层材料的相接处,如石膏板与木夹板、水泥抹灰面与木夹板、水泥基面与石膏板之间的对缝,应用棉纸带或穿孔纸带粘贴封口,防止裱糊的壁纸面层被拉裂撕开。 (2)涂底胶。为防止基层吸水过快,用排笔在基层表面先涂刷1~2遍胶水(801胶:水1:1)或清油做底胶进行封闭处理,涂刷时要均匀、不漏刷。 (3)弹线、预拼。裱糊前应按壁纸的幅宽弹出分格线。分格线一般以阴角做取线位置先用粉线在墙面上弹出垂直线,两垂线间的宽度应小于壁纸幅宽10~20mm。每面墙面的第一幅壁纸的位置都要挂垂线找直,作为裱糊时的准线,以确保第一幅壁纸垂直粘贴。有窗口的墙面要在窗口处弹出中线,然后由中线按壁纸的幅宽往两侧分线;如果窗口不在墙面的中间,为保证窗间墙的阳角花纹、图案对称,要弹出窗间墙的中心线,再往其两侧弹出分格线。壁纸粘贴之前,应按弹线的位置进行预拼、试贴,检査拼缝的效果,以便能够准确地决定裁纸的边缘尺寸及花纹、图案的拼接。 (4)测量、裁纸。壁纸裁割前,应先量出墙顶到墙脚的高度,考虑修剪量,两端各留出30~-50mm,然后剪出第一段壁纸。有图案的材料,应将图形自墙的上部开始对花,然后由专人负责,统筹规划小心裁割,并编上号,以便按顺序粘贴。裁纸下刀前应复核尺寸有无出入,确认以后,尺子压紧壁纸后不得再移动,刀刃紧贴尺边,一气阿成,中途不得停顿或变换持刀角度。裁好的壁纸要卷起来放,且不得立放。 (5)润纸。裁下的壁纸不要立即上墙粘贴,由于壁纸遇到水或胶液后,即会开始自由膨胀,为5~10min后胀完,干后又自由收缩,自由胀缩的壁纸,其横向膨胀率为0.5%1.2%,收缩率为0.2%~0.8%。因此,要先将裁下的壁纸置于水槽中浸泡几分钟,或在壁纸背面满刷一遍清水,静置至壁纸充分胀开,也可以采取将壁纸刷胶后叠起来静置10min,让壁纸自身湿润,不然在墙面上会出现大量的气泡、皱褶而达不到裱糊的质量要求。 (6)刷胶。将浸过水的壁纸取出并擦掉纸面上的附着水,将已裁好的壁纸图案面向下铺设在台案上,一端与台案边对齐,平铺后多余部分可垂于台案下,然后分段刷胶黏剂,涂刷时要薄而匀,严防漏刷。 (7)表糊。 1)糊时分幅顺序一般为从垂直线起至墙面阴角收口处止,由上而下,先立面(墙面)后平面(顶棚),先小面(细部)后大面。顶棚梁板有高差时,壁纸裱贴应由低到高进行。须注意每表糊2~3幅壁纸后,都应吊垂线检查垂直度,以避免出现累计误差。有花纹图案的壁纸,则采取将两幅壁纸花饰重叠对准,用合金铝直尺在重叠处拍实,从上而下切割的方法。切去余纸后,对准纸缝粘贴。阴、阳角处应增涂胶黏剂1~2遍,阳角要包实,不得留缝,阴角要贴平。与顶棚交接的阴角处应做出记号,然后用刀修齐,如图3-12所示。每张壁纸粘贴完毕后,应随即用清水浸湿的毛巾将拼缝中挤出的胶液全部擦干净,同时也进步做好了敷平工作。壁纸的敷平可依靠薄钢片刮板或胶皮刮板由上而下抹刮,对较厚的壁纸则可用胶辊滚压来达到敷平目的 2)为了防止使用时碰、刘而使壁纸开胶,因而严禁在阳角处甩缝,壁纸要裹过阳角不小于20mm。阴角壁纸搭缝时,应先裱糊压在里面的壁纸,再粘贴搭在上面的壁纸,搭接面应根据阴角垂直度而定,搭接宽度一般不小于2~3mm。但搭接的宽度也不宜过大,否则会形成一个不够美观的褶痕。注意保持垂直无毛边 3)遇有墙面卸不下来的设备或附件,裱糊壁纸时,可在壁纸上剪口。 4)顶棚裱糊,第一张纸通常应从房间长墙与顶棚相交之阴角处开始裱糊,以减少接缝数量,非整幅纸应排在光线不足处。裱糊前应事先在顶棚上弹线分格,并从顶棚与墙顶端交接处开始分排,接缝的方法类似于墙阴角搭接处理。裱糊时,将已刷好胶并按S形叠好的壁纸用木板支托起来,依弹线位置裱糊在顶棚上,裱糊一段,展开一段,直至全部裱糊至顶棚后,用滚筒滚压平实赶出空气,如图3-13所示。  (8)修整。壁纸裱糊完毕,应立即进行质量检查,发现不符合质量要求的问题,要采取相应的补救措施。 1)壁纸局部出现皱纹、死褶时,应趁壁纸未干,用湿毛巾抹湿纸面,使壁纸润湿后,用手慢慢将壁纸舒平,待无皱折时,再用橡胶滚筒或胶皮刮板赶平。若壁纸已干结,则要撕下壁纸,把基层清理干净后,再重新裱贴。 2)壁纸面层局部出现空鼓,可用壁纸刀切开,补涂胶液重新压复贴牢,小的气泡可用注射器对其放气,然后注入胶液,重新粘牢修理后的壁纸面均需随手将溢出表面的余胶用洁净湿毛巾擦干净。 3)壁纸翘边、翻角,要翻起卷边的壁纸,査明原因。若查出基层有污物而导致黏结不牢,应立即将基层清理干净后,再补刷胶黏剂重新贴牢;若发现是胶黏剂的黏结力不够要换用胶黏性大的胶黏剂粘贴。 4)裱糊施工中碰撞损坏的壁纸,可采取挖空填补的方法,填补时将损坏的部分割去,然后按形状和大小,对好花纹补上,要求补后不留痕迹。 软件讨论 壁纸裱糊完毕,应立即进行质量检查,不合格的问题主要有()? A.壁纸局部出现皱纹、死褶B. 壁纸面层局部出现空鼓C. 壁纸翘边、翻角D.裱糊施工中碰撞损坏壁纸 课程思政:一张糊墙纸片竟是“镇馆之宝”!“红色法治摇篮”的前世今生说给你听 传承红色基因,发扬优良传统。 闽西是土地革命战争时期中央苏区的主要组成部分,也是红军的故乡、共和国的摇篮,创造了“二十年红旗不倒”的革命奇迹。考古队员来到永定县虎岗乡的闽西苏维埃政府旧址群,进行文物考察。作为曾经的中共闽西特委和闽西苏维埃政府的所在地,虎岗乡保存了大量的红色革命遗址,在一间荒废的附属用房壁橱边的土墙上,共和国法制摇篮展览馆馆长王江龙仰头发现了一张泛黄发黑的纸张,抹去上面的灰尘,“法庭日刊”几个大字映入眼帘。谁也没能想到,这张用来糊墙的残缺纸片,竟是全国现存最早的红色法制报。时隔80多年,它再度面世。“这是最早开展法治宣传的革命刊物,也是各类法制报刊的鼻祖。这份刊物不仅在法庭周边张贴,同时也可以发到各级裁判机构进行宣传,对教育引导广大群众遵守法律起到了很好的宣传作用。 任务二、软包饰面工程施工 软包饰面是室内高级装饰的一种做法,具有柔软、温馨、消声的特点,适用于多功能厅、KTV间、餐厅、剧院、会议厅(室)等。 1.基本构造 软包饰面基本构造如图3-14所示。 2.材料质量要求 (1)软包面料、内衬材料及边框材料的颜色、图案、燃烧性能等级和木材的含水率应符设计要求及国家现行标准的有关规定。 (2)检查产品合格证书、进场验收记录和性能检测报告。民用建筑工程所用无机非金属装修材料,其放射性指标限量应符合表3-7的规定。 3.施工工艺流程 基层或底板处理→弹线、分格→钻孔打人木楔→墙面防潮→装钉木龙骨→铺设胶合板粘贴面料→线条压边。 4.施工要点  (1)基层或底板处理。在结构墙上预埋木砖,抹水泥砂浆找平层。如果是直接铺贴,则应先将底板拼缝用油腻子嵌平密实,满刮腻子1~2遍,待腻子干燥后,用砂纸磨平,粘贴前基层表面刷清油一道。 (2)弹线、分格。根据软包面积、设计要求、铺钉的木基层胶合板尺寸,用吊垂线法拉水平线及尺量的办法,借助+1250px水平线确定软包墙的厚度、高度及打眼的位置。分格大小为300~600mm见方。 (3)钻孔打入木楔。孔眼位置在墙上弹线的交叉点,用冲击钻头钻孔。木禊经防腐处理后、打入孔中,塞实塞牢。 (4)墙面防潮。在抹灰墙面涂刷冷底子油或在砌体墙面、混凝土墙面铺油毡或油纸做防潮层。涂刷冷底子油要满涂、刷匀,不漏涂;铺油毡、油纸要满铺、铺平,不留缝。 (5)装钉木龙骨。将预制好的木龙骨架靠墙直立,用水准尺找平、找垂直,用钢钉钉在木楔上,边钉边找平、找垂直。凹陷较大处应用木楔垫平钉牢。 (6)铺设胶合板。木龙骨架与胶合板接触的一面应平整,不平的要创光。用气钉枪将三合板钉在木龙骨上。钉固时从板中向两边固定,接缝应在木龙骨上且钉头没入板内,使其牢固、平整。三合板在铺钉前应先在其板背涂刷防火涂料,涂满、涂匀。 (7)粘贴面料。如采取直接铺贴法施工时,应待墙面细木装修基本完成时,边框油漆达到交活条件,方可粘贴面料。 (8)线条压边。在墙面软包部分的四周进行木、金属压线条,盖缝条及饰面板等镶钉处理。 |