
(数学公式表达不方便,更准确内容见纸质教材)
习题及思考题
3-1 与普通机械加工相比,数控加工有何特点?
3-2 听路人说:“数控加工是全新的现代先进加工方式,自动完成机械零件加工,不同于普通机床加工。因此,数控加工工艺也是全新的,与普通机械加工工艺完全不同。”对此说法你怎么理解?为什么?
3-2 简述数控加工工序划分的特点。
3-3 简述数控加工工艺设计的特殊性。
3-4 数控加工工艺设计的基本步骤是什么?
3-5 从数控加工的可行性和方便性两方面来看,数控加工工艺审查有何要求?
3-6 数控加工的定位安装应遵循哪些基本原则?
3-7 如何选用数控机床?
3-8 数控加工是否可以由操作者在工件加工时临时自行拟定走刀路线?为什么?
3-9 如何划分数控加工工序?
3-10 如何划分数控加工工步?
3-11 数控加工对机床夹具有何要求?
3-12 数控加工,如何选择对刀点?
3-13 数控加工的走刀路线设计有何原则?
3-14 手工编写数控加工程序与自动编写有何异同?
3-15 适合数控车削加工的表面有哪几类?
3-16 哪几种加工表面适合数控铣削加工?
3-17 与普通机床加工表面相比,适合加工中心加工的表面有何特点?
3-18题图3.1所示零件采用何种类型数控机床加工较为合适?进行加工分析,尝试设计数控加工工艺。零件材料:45钢,无热处理及硬度要求。

题图3.1
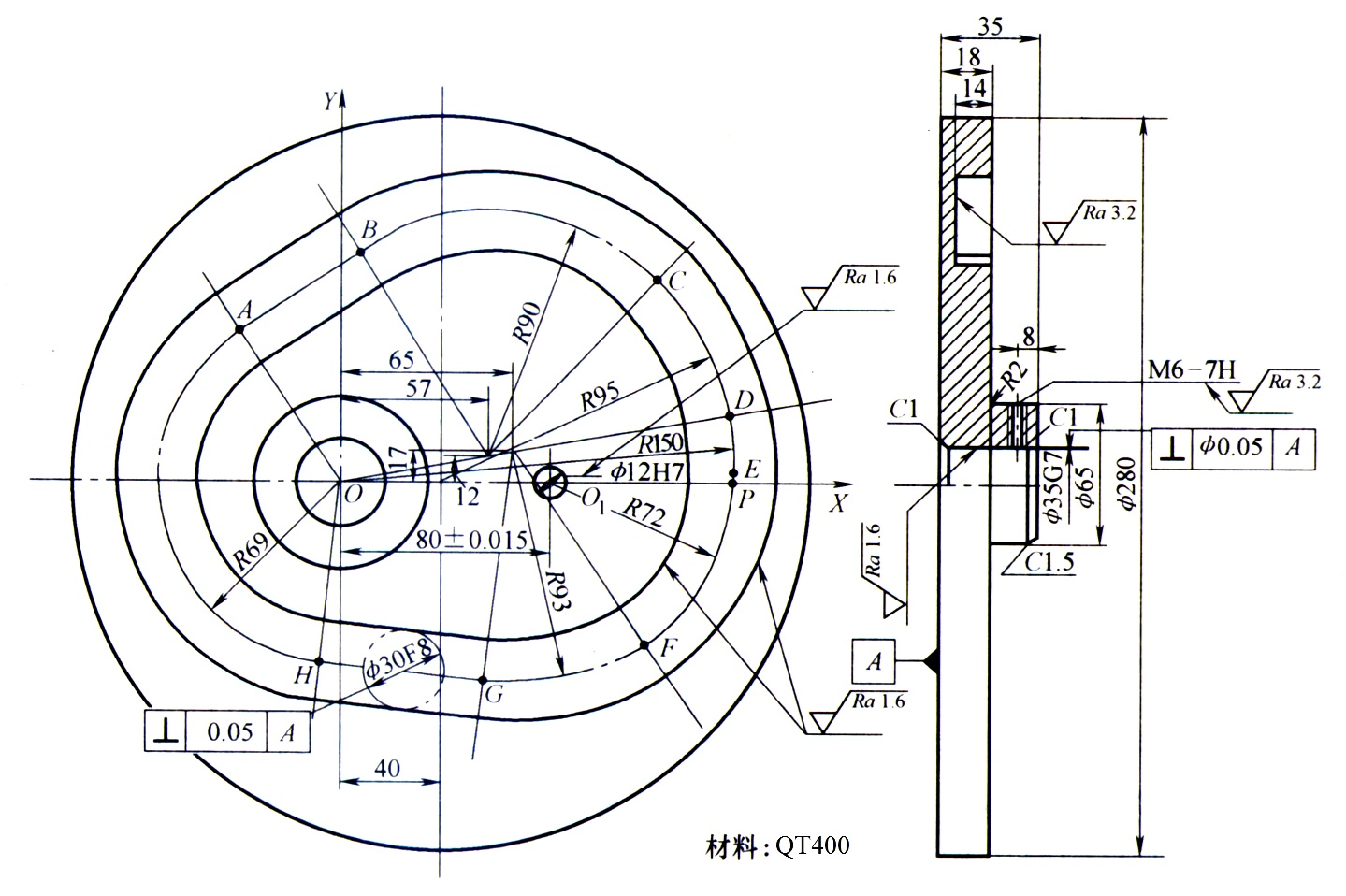
3-19题图3.2所示零件采用何种类型数控机床加工较为合适?进行加工分析,尝试设计数控加工工艺。零件材料:QT400。

题图3.2
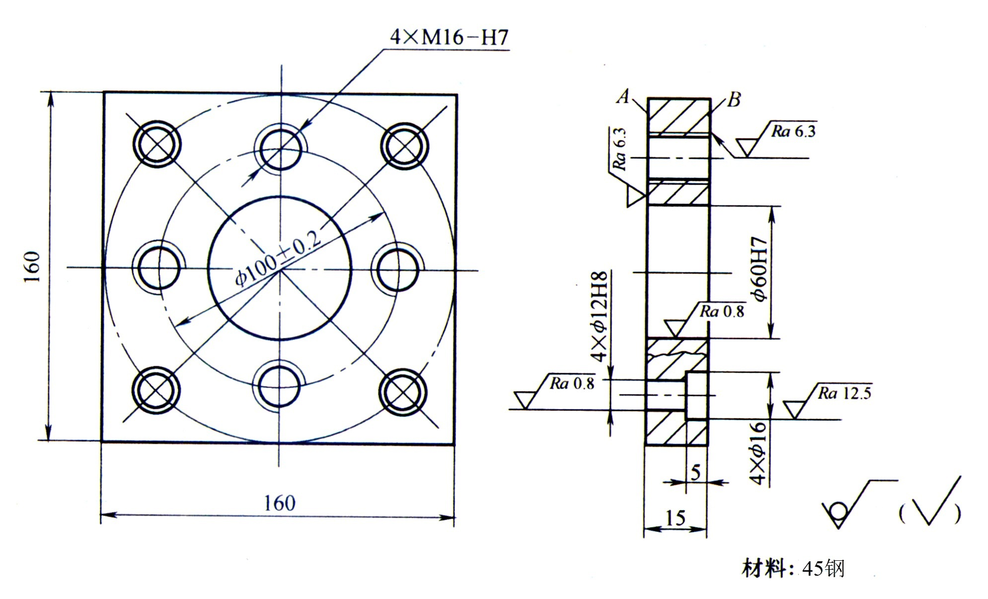
3-20题图3.3所示零件采用何种类型数控机床加工较为合适?进行加工分析,尝试设计数控加工工艺。零件材料:45钢,无热处理及硬度要求。

题图3.3



