
(数学公式表达不方便,更准确内容见纸质教材)
习题及思考题
1-1 机械制造工艺在机械产品开发及生产中的地位和作用如何?
1-2 机械制造工艺学的主要研究内容是什么?
1-3 什么是生产过程、工艺过程?
1-4 如何划分生产类型?各种生产类型的工艺特征是什么?
1-5 机械加工质量包括哪两个方面,它们的含义分别是什么?
1-6 为什么机器上许多静止连接的接触表面往往要求较小的表面粗糙度,而相对运动的表面却不能对表面粗糙度要求过小?
1-7 在加工中可通过哪些方法保证工件的尺寸精度、形状精度及位置精度?
1-8 何谓工序?如何理解工序?
1-9 什么是安装、工位、工步?
1-10 何谓设计基准、定位基准、工序基准、测量基准、装配基准并举例说明。
1-11 某液压缸活塞杆工艺过程为车削、粗磨、精磨、镀铬,镀层厚度6~10μm,要求镀铬后活塞杆尺寸为
,求镀铬前活塞杆尺寸。
1-12 某轴颈表面需要渗碳处理,该轴颈加工过程如下:
(1)精车该轴颈至尺寸
mm;
(2)渗碳处理,控制渗碳层厚度为H;
(3)精磨轴颈至尺寸
mm,同时保证渗碳层厚度为0.5~0.8mm。
试确定H的数值。
1-13 题图1.1所示轴键槽加工过程如下:
(1)精车该轴颈至尺寸
mm;
(2)铣削键槽至尺寸A;
(3)热处理;
(4)精磨轴颈至尺寸
mm,同时保证键槽尺寸。
如车外圆与磨外圆的同轴度为
mm,试确定铣键槽工序尺寸A。

题图1.1
1-14 题图1.2所示轴键槽加工过程如下:
(1)精车该轴颈至尺寸
mm;
(2)铣削键槽至尺寸H;
(3)热处理;
(4)精磨轴颈至尺寸
mm,同时保证键槽
mm。
试确定铣键槽工序尺寸H。

题图1.2
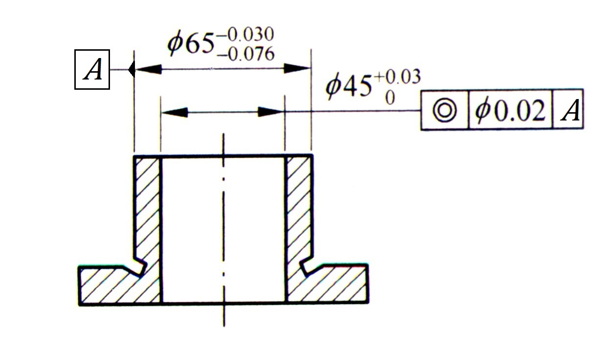
1-15 加工零件如题图1.3所示,加工工艺如下:
1)车外圆
;
2)镗内孔
,并保证同轴度
mm。
求套筒壁厚。

题图1.3



