
习题及思考题
9-1有人说:“整机的结构设计结果产生了零件结构,整机的精度设计产生了零件的加工精度要求,因而工艺人员需要看部件(甚至机器)装配图,工艺设计需要了解零件在机器中的作用和整机对零件的要求。”对此你怎么想?
9-2减速器输出轴如题图9.1所示,材料:40Cr。完成如下工作。
(1)主要加工表面是什么?为其拟定加工方案,并阐述理由。
(2)加工主要加工表面过程中的定位基准是什么?如何夹紧工件?
(3)试在单件生产和大批生产的两种生产类型下,分别为减速器轴设计机械加工工艺过程,并探讨两个机械加工工艺过程的差别。
(4)尝试进行工序尺寸设计。

题图9.1
9-3 汽车十字轴如题图9.2所示,材料:20CrMnTi。渗碳层深度0.9~1.3mm,表面硬度58~63HRC,锻件硬度200~230HB。完成如下工作。
(1)主要加工表面是什么?为其拟定加工方案,并阐述理由。
(2)加工主要加工表面过程中的定位基准是什么?如何夹紧工件?
(3)设计零件的机械加工工艺过程。
(4)尝试进行工序尺寸设计。

题图9.2
9-4 结合盘如题图9.3所示。材料:45钢。请完成如下工作。
(1)主要加工表面是什么,请为其拟定加工方案,并阐述理由。
(2)加工主要加工表面过程中的定位基准是什么?如何夹紧工件?
(3)设计零件的机械加工工艺过程。
(4)尝试进行工序尺寸设计。

题图9.3
9-5 圆柱齿轮如题图9.4所示,材料:45钢,调质处理,硬度269~302HBS。完成如下工作。
(1)主要加工表面是什么?为其拟定加工方案,并阐述理由。
(2)加工主要加工表面过程中的定位基准是什么?如何夹紧工件?
(3)设计零件的机械加工工艺过程。
(4)尝试进行工序尺寸设计。

题图9.4
9-6 圆柱齿轮如题图9.5所示,材料:40Cr,调质热处理,硬度220~240HBS。完成如下工作。
(1)主要加工表面是什么?为其拟定加工方案,并阐述理由。
(2)加工主要加工表面过程中的定位基准是什么?如何夹紧工件?
(3)设计零件的机械加工工艺过程。
(4)尝试进行工序尺寸设计。

题图9.5
9-7车床主轴箱如题图9.6所示,材料:HT300。完成如下工作。
(1)主要加工表面是什么?为其拟定加工方案,并阐述理由。
(2)加工主要加工表面过程中的定位基准是什么?如何夹紧工件?
(3)设计零件的机械加工工艺过程。
(4)尝试进行工序尺寸设计。

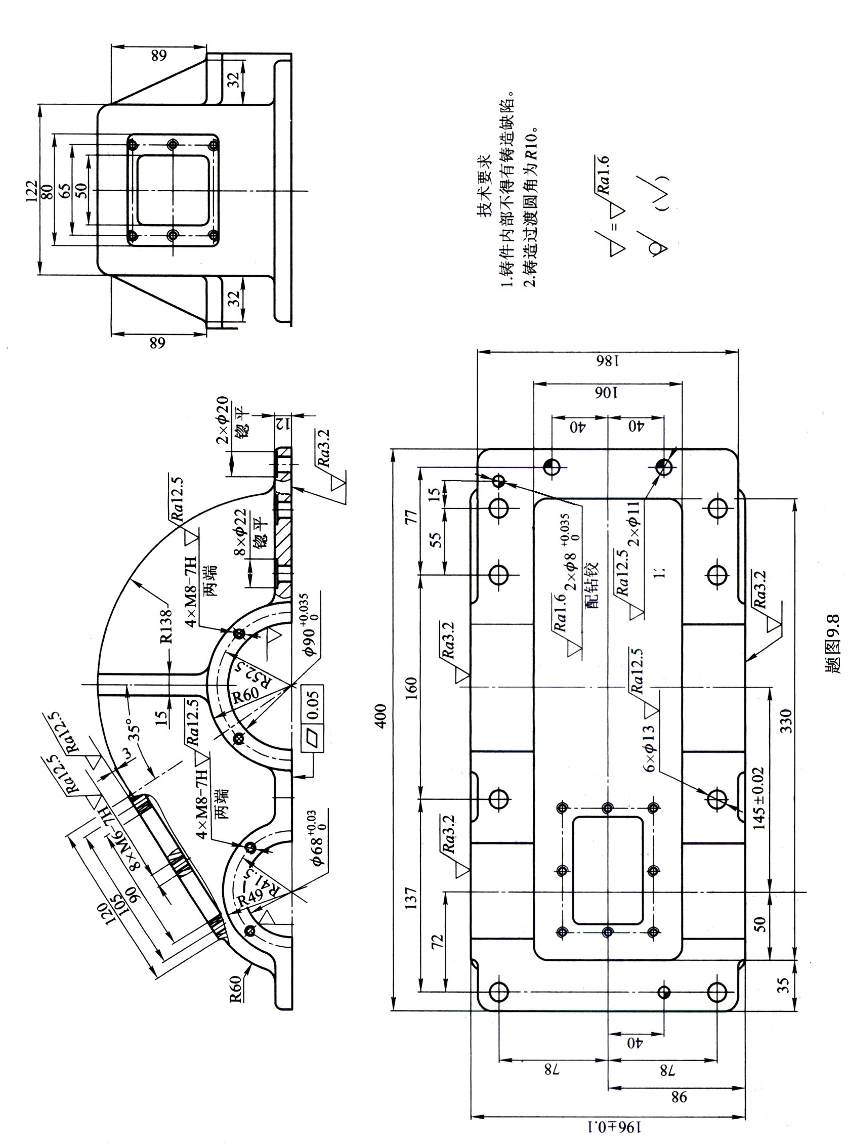
9-8 圆柱齿轮减速器箱体图纸如题图9.7和题图9.8所示,材料:HT200。完成如下工作。
(1)主要加工表面是什么?为其拟定加工方案,并阐述理由。
(2)加工主要加工表面过程中的定位基准是什么?如何夹紧工件?
(3)设计零件的机械加工工艺过程。
(4)尝试进行工序尺寸设计。


9-9 支架零件如题图9.9所示,材料:HT200。完成如下工作。
(1)主要加工表面是什么?为其拟定加工方案,并阐述理由。
(2)加工主要加工表面过程中的定位基准是什么?如何夹紧工件?
(3)设计零件的机械加工工艺过程。
(4)尝试进行工序尺寸设计。

题图9.9
9-10 液压缸导向套如题图9.10所示,材质为40Cr。完成如下工作。
(1)主要加工表面是什么?为其拟定加工方案,并阐述理由。
(2)加工主要加工表面过程中的定位基准是什么?如何夹紧工件?
(3)设计零件的机械加工工艺过程。
(4)尝试进行工序尺寸设计。

题图9.10
9-11 液压缸缸筒如题图9.11所示,材料:45钢。完成如下工作。
(1)采用何种热处理方案?为什么?
(2)主要加工表面是什么?为其拟定加工方案,并阐述理由。
(3)加工主要加工表面过程中的定位基准是什么?如何夹紧工件?
(4)设计零件的机械加工工艺过程。
(5)尝试进行工序尺寸设计。

题图9.11
9-12 设计题图9.12所示工件的数控加工工艺。工件材料:45钢,调质处理,硬度269~302HBS。

题图9.12
9-13圆柱齿轮减速器如题图9.13所示。分析装配图纸,识别各个零件类型,并为之编写序号,分析其装配要求,绘制机器装配系统图,尝试设计装配工艺。

题图9.13
9-14蜗轮蜗杆减速器如题图9.14所示。分析装配图纸,识别各个零件类型,并为之编写序号,分析其装配要求,绘制机器装配工艺系统图,尝试设计装配工艺。

题图9.14




