
(数学公式表达不方便,更准确内容见纸质教材)
习题及思考题
2-1 简述机械加工工艺规程的作用及其设计原则。
2-2 什么是作业指导书,它与机械加工工艺规程的区别是什么?
2-3 机械加工工艺审查主要审查哪些内容?
2-4 什么是零件的结构工艺性?
2-5 毛坯选择的基本方法是什么?
2-6 简述定位基准的选择原则。
2-7 如何选择下列加工过程中的定位基准:
⑴ 浮动铰刀铰孔;⑵ 拉齿坯内孔;⑶ 无心磨削销轴外圆;⑷ 磨削床身导轨面;⑸箱体零件攻螺纹;⑹ 珩磨连杆大头孔。
2-8 何种情况下使用工序集中原则设计机械加工工艺过程?为什么?
2-9 加工方法选择的基本原则是什么?
2-10 为什么要划分加工阶段?如何划分加工阶段?
2-11 简述工序安排的原则。
2-12 试叙述零件在机械加工工艺过程中,安排热处理工序的目的、常用的热处理方法及其在工艺过程中安排的位置。
2-13 简述工序设计的主要内容。
2-14 简述加工余量的计算方法及确定加工余量的方法。
2-15某轴,毛坯为热轧棒料,大量生产的加工工艺过程为粗车→精车→淬火→粗磨→精磨,外圆设计尺寸为
mm,已知各工序的加工余量和经济精度,试确定各工序尺寸及其偏差、毛坯尺寸及粗车余量,并填入下表:
| 工序名称 | 工序余量/mm | 经济精度/mm | 工序尺寸及偏差/mm |
| 精磨 | 0.1 | 0.013(IT6) | |
| 粗磨 | 0.4 | 0.033(IT8) | |
| 精车 | 1.5 | 0.084(IT10) | |
| 粗车 | 6 | 0.21(IT12) | |
| 毛坯尺寸 | ±1.2 |
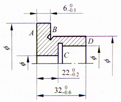
2-16 题图2.1所示工件(略去与轴向加工面无关的尺寸),工件轴向表面加工工艺过程如下,要求确定轴向端面加工各工序的工序尺寸及其公差,并确定毛坯尺寸。工件材料:45钢,无热处理及硬度要求。
工序1:以D面作为定位基准,粗车A面;然后以A面作为工序基准,粗车C面。
工序2:以A面作为定位基准,粗车和半精车B面;然后以A面作为工序基准,粗车D面;最后以A面作为工序基准,粗车和精车C面。
工序3:以B面作为定位基准,精车A面。
工序4:以A面作为定位基准,磨削B面。

题图2.1
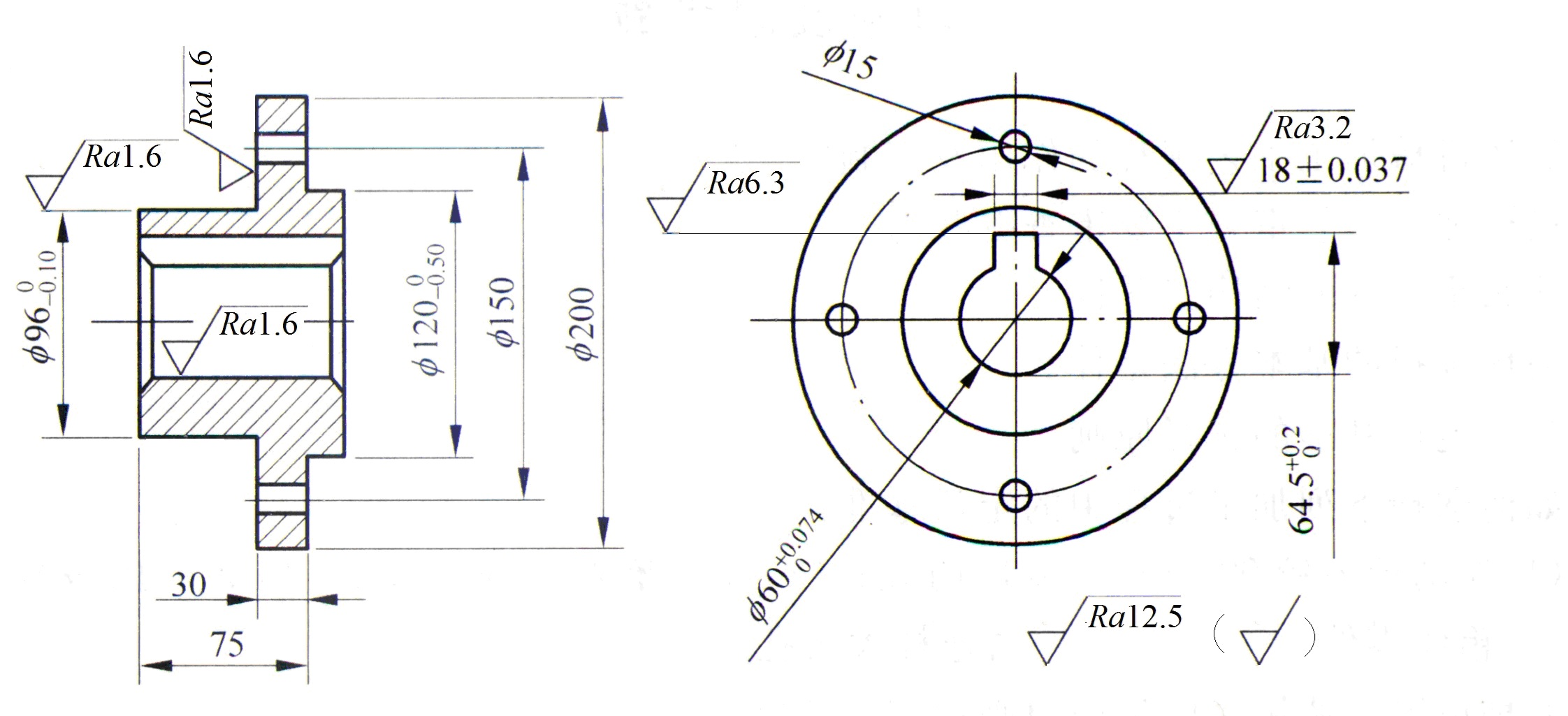
2-17 批量生产题图2.2所示盘状零件,零件材料:45钢,调质热处理269~302HBS。请设计工艺方案,并开展工艺设计。

题图2.2
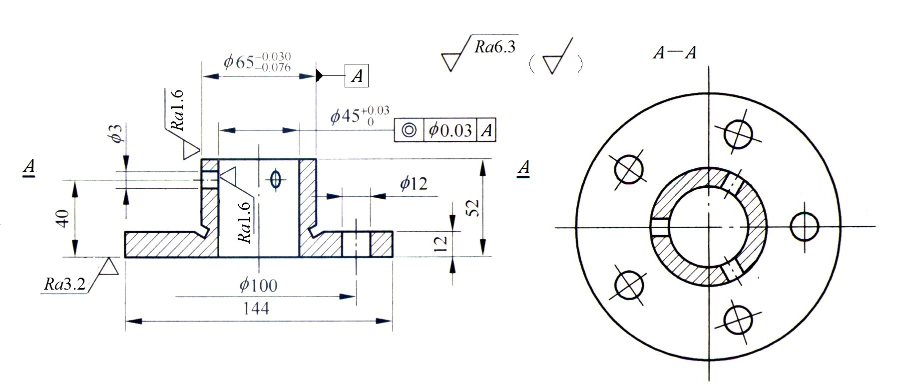
2-18 如题图2.3所示零件,零件材料:HT200。批量生产,试设计其机械加工工艺。

题图2.3
2-19 加工如题图2.4所示工件的轴向尺寸,试设计其工序尺寸A1、A2、A3(包括偏差)。

(a) (b) (c)
题图2.4
2-20 简述时间定额的组成及提高劳动生产率的途径。
2-21 简述机械加工工艺方案的技术经济分析的目的及方法。
2-22 什么是工艺成本?它由哪两类费用组成?单件工艺成本与年产量的关系如何?



