
工序设计
工序设计是以零件图加工分析为基础,为机械加工工序选择适当的机床设备并配备工艺装备,确定切削用量,确定加工余量,确定工序尺寸及公差等。

一、机床与工艺装备的选择
1. 机床的选择
机床是实现机械切削加工(包括磨削等)的主要设备。机床设备选择应遵循的原则是:
(1) 机床的主要规格尺寸应与被加工零件的外廓尺寸相适应;
(2) 机床的加工精度应与工序要求的加工精度相适应;
(3) 机床的生产率应与被加工零件的生产类型相适应;
(4) 机床的选择应充分考虑企业现有设备情况。
如果需要改装或设计专用机床,则应提出设计任务书,阐明与加工工序内容有关的参数、生产率要求,保证零件质量的条件以及机床总体布置形式等。
2. 工艺装备的选择
工艺装备主要指夹具、刀具、量具和辅助工具等。
工艺装备选择首先需要满足零件加工需求。
一般地,夹具与量具选择要注意其精度应与工件的加工精度要求相适应。
刀具的类型、规格和精度应符合零件的加工要求。
工艺装备的配备还应该与零件的生产类型相适应,才能在满足产品质量的前提下提高生产率,并降低生产成本。
单件小批量生产中,夹具应尽量选用通用工具,如卡盘、台虎钳和回转台等,为提高生产率可积极推广和使用成组夹具或组合夹具。刀具一般采用通用刀具或标准刀具,必要时也可采用高效复合刀具及其他专用刀具。量具应普遍采用通用量具。
大批大量生产中,机床夹具应尽量选用高效的液压或气动等专用夹具。刀具可采用高效复合刀具及其他专用刀具。量具应采用各种量规和一些高效的检验工具。选用的量具精度应与工序设计工件的加工精度相适应。
如果工序设计需要采用专用的工艺装备,则应提出设计任务书。
中批量生产应综合权衡生产率、生产成本等多方面因素,可适当选用专用工艺装备。

二、 切削用量的确定
切削用量是机械加工的重要参数,切削用量数值因加工阶段不同而不同。选择切削用量主要从保证工件加工表面的质量、提高生产率、维持刀具耐用度以及机床功率限制等方面来综合考虑。
1. 粗加工切削用量的选择
粗加工毛坯余量大,而且可能不均匀。
粗加工切削用量的原则一般以提高生产率为主,但也应考虑加工经济性和加工成本。
粗加工阶段工件的精度与表面粗糙度(一般Ra=12.5~50μm)可以要求不高。
在保证必要的刀具耐用度的前提下,应适当加大切削用量。
通常生产率用单位时间内的金属切除率Zω表示,则 Zω =1000vfap mm3/s 。可见,提高切削速度v、增大进给量f和背吃刀量ap都能提高切削加工生产率。
但是切削速度对刀具耐用度影响最大,背吃刀量对刀具耐用度影响最小。
在选择粗加工切削用量时,应首先选用尽可能大的背吃刀量;
其次选用较大的进给量;
最后根据合理的刀具耐用度,用计算法或查表法确定合适的切削速度。
(1) 背吃刀量的选择
粗加工时,背吃刀量由工件加工余量和工艺系统刚度决定。在预留后续工序加工余量的前提下,应将粗加工余量尽可能快速切除掉;若总余量太大,或者工艺系统刚度不足,或者加工余量明显不均,粗加工可分几次走刀,但总是将第一、二次进给的背吃刀量尽可能取大些。
在中等功率机床上,粗加工背吃刀量可达8~10mm。
(2) 进给量的选择
由于粗加工对工件表面质量没有太高要求,这时主要考虑机床进给机构的强度与刚性和刀杆的强度与刚性等限制因素,实际限制进给量的主要因素是切削力。在工艺系统刚性和强度良好的情况下,可用较大的进给量值。
进给量的选择可以采用查表法,参阅机械加工工艺手册和金属切削手册,根据工件材料和尺寸、刀杆尺寸和初选的背吃刀量来选取。
(3) 切削速度的选择
切削速度的主要限制因素是刀具耐用度和机床功率。
刀具耐用度需参阅刀具产品手册和金属切削手册。
背吃刀量、进给量和切削速度三者决定切削功率,确定切削速度时应考虑机床的许用功率。在背吃刀量和进给量选定后,切削速度可按金属切除率公式计算得到。
切削速度选择还应注意以下几点:
(1)尽量避开积屑瘤产生区域;
(2)断续切削时,适当降低切削速度,减小冲击和振动;
(3)易发生振动的情况,切削速度应该避开自激振动的临界速度;
(4)切削大型工件、细长件和薄壁件时,应选择较低的切削速度;
(5)切削带外皮的工件时,应适当降低切削速度。
2. 半精加工和精加工时切削用量的选择
半精加工(一般Ra= 1.6~6.3μm)和精加工(一般Ra=0.32~1.6μm)时,加工余量小而均匀。切削用量的选用原则是在保证工件加工质量的前提下,兼顾切削效率、加工经济性和加工成本。
一般地,背吃刀量、进给量及切削速度的确定需要考虑如下因素:
(1) 背吃刀量的选择
(2) 进给量的选择
(3) 切削速度的选择
上述切削用量参数亦可依据相关手册或经验确定。

三、 加工余量的拟定
加工零件的任一个表面,并达到图纸所规定的精度及表面粗糙度,往往需要经过多次加工方能完成,而每次加工都需要去除一定量的加工余量。
1. 加工余量的概念
加工余量是指在加工过程中从被加工表面上切除的金属层厚度。加工余量可分为加工总余量和工序余量两种。
工序余量是相邻工序的工序尺寸之差。由于工序尺寸有公差,故实际切除的余量大小不等,工序余量也是一个变动量。
当工序尺寸用名义尺寸计算时,所得的加工余量称为基本余量或者公称余量。保证该工序加工表面的精度和质量所需切除的最小金属层厚度称为最小余量Zmin;该工序余量的最大值则称为最大余量Zmax。

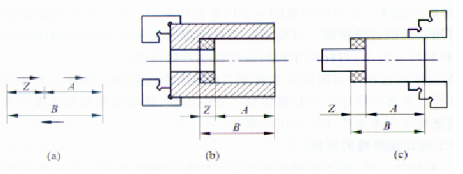
加工余量可以利用尺寸链理论计算。通常,加工余量形成过程是两道工序(或两次加工)间接形成的,因此加工余量是封闭环,工序尺寸是组成环。机械加工过程总是去除金属的过程,可以建立尺寸链图,如图(a)所示,其中Z表示加工余量。对应内表面加工示意参见图(b), A是上道工序的工序尺寸,B是本工序的工序尺寸;对应外表面加工示意参见图(c),A是本工序的工序尺寸,B是上道工序的工序尺寸。不论内表面还是外表面,加工余量和工序尺寸及公差的关系可统一写成如下形式:
Z = B- A (2.1)
ESZ = ESB -EIA (2.2)
EIZ = EIB - ESA (2.3)
Tz = Ta+Tb (2.4)
式中,Ta为内表面加工时,表示上道工序尺寸的公差,外表面加工时,表示本道工序尺寸的公差;Tb为内表面加工时,表示本道工序尺寸的公差,外表面加工时,表示上道工序尺寸的公差;Tz为本工序的余量公差。
Zmax= Z + ESZ (2.5)
Zmin= Z + EIZ (2.6)
工序余量有单边余量和双边余量之分。零件非对称结构的非对称表面,其加工余量一般为单边余量。例如单一平面的加工余量为单边余量,见下图(a)。零件对称结构的对称表面,其加工余量为双边余量;如回转体表面(内、外圆柱表面)的加工余量为双边余量,如下图(b)所示。

加工总余量是同一表面上毛坯尺寸与零件设计尺寸之差(即从加工表面上切除的金属层总厚度)。显然零件某表面加工总余量(Z总)等于该表面各个工序余量(Z1、 Z2、…、 Zn)之和,即
Z总 =Z1 + Z2 + …… + Zn (2.7)
第一道工序的加工余量Z1就是粗加工的加工余量,其数值大小与毛坯制造方法有关。一般来说,毛坯的制造精度高,Z1可以小;若毛坯制造精度低,Z1需要大些。关于毛坯加工余量的详细内容请查阅相关教材或手册。下面着重分析和探讨机械加工余量的影响因素。
2.影响工序加工余量的因素
工序加工余量的影响因素非常复杂。相比较,如下因素的作用较为明显:
(1) 前道工序的表面粗糙度Rz(轮廓最大高度)和表面层缺陷层厚度Ha 参见图2.8,前道工序的表面粗糙度Rz和表面层缺陷层厚度Ha都应在本工序内去除。
(2) 前道工序的尺寸公差Ta 应将前道工序的尺寸公差Ta计入本工序加工余量。
(3) 前道工序的形位误差ρa 工件形位误差如工件表面的弯曲、工件的空间位置误差等。形位误差ρa往往具有空间方向性,加工余量分析与计算时可以按照其矢量模计算。其原因是如果工件形位公差可以用目视观察获知,则需要增加矫直工序,矫直后残余形位误差应无法目测判断其方向性,工序余量按照前道工序的形位误差矢量模计算。
(4) 本工序的安装误差εb 安装误差εb也具有空间方向性,加工余量分析与计算时也可以按照其矢量模计算。其原因是如果对工件安装误差εb可以用目视观察获知其方向,则需要重新安装工件或找正处理,找正处理后残余安装误差应无法目测判断其方向性,工序余量计算按照本道工序的安装误差矢量模计算。
3.加工余量的拟定方法
加工余量的大小对零件的加工质量、生产率和生产成本均有较大影响。加工余量过大,不仅增加机械加工的劳动量、降低生产率,而且增加了材料、刀具和电力的消耗,提高了加工成本;与之相反,加工余量过小往往会造成废品,往往不是加工余量不能消除前道工序的各种表面缺陷和误差,就是加工余量不能补偿本工序加工时工件的安装误差。因此,应合理地确定加工余量。
确定加工余量的基本原则是:在保证工件加工质量的前提下,尽可能选用较小加工余量。
实际工作中,确定工件加工余量的方法有以下三种:
1) 查表法
查表法是根据有关切削加工手册或机械加工工艺手册提供的加工余量数据,或者依据工厂自身积累的经验数据,以查表的方式拟定的加工余量。查表法往往可以获知各种工序余量或加工总余量,亦可以结合实际加工企业情况,对查表数据作进一步修正,拟定合适加工余量。
查表法操作方便、简单、实用,是目前应用较为广泛的方法。特别是对于机械加工经验尚不丰富的工艺人员,查表法拟定加工余量更显实用。
孔加工余量的一些经验数值参见表14。孔加工余量与孔的大小有关,直径大的孔酌情取较大的加工余量。
表14 孔加工余量
| 加工方法 | 加工余量/mm | ||
| 扩(钻)孔 | 0.15~0.2 | ||
| 铰孔 | 0.15 | ||
| 镗(车)孔 | 粗镗(车) | 2~5 | |
| 精镗(车) | 0.5~1.5 | ||
| 磨削 | 粗磨 | 0.2~0.8 | |
| 半精磨 | 0.1~0.4 | ||
| 半精磨(热处理后) | 0.3~0.5 | ||
| 金刚石刀粗镗 | 有色合金 | 0.2~0.6 | |
| 钢 | 0.2~0.3 | ||
| 金刚石刀精镗(浮动镗) | 0.1~0.2 | ||
| 珩孔 | 有色合金 | 0.09~0.12 | |
| 钢 | 0.06~0.09 | ||
| 研孔 | 有色合金 | 0.1~0.16 | |
| 钢 | 0.005~0.050 | ||
外圆加工余量的一些经验数值参见表15。外圆加工余量与外圆直径和工件长度有关。外圆直径不大于180mm且工件长度不超过200mm时,加工余量取下限;外圆直径超过180mm且工件长度超过400mm时,加工余量取上限;其他情况酌减。
表15 外圆加工余量
| 加工方法 | 加工余量/mm | |
| 车削 | 粗车 | 1.5~4.0 |
| 半精车 | 0.5~2.5 | |
| 磨削 | 粗磨 | 0.2~0.5 |
| 精磨 | 0.1~0.35 | |
| 金刚石刀车削 | 轻合金 | 0.3~0.5 |
| 铸铁、青铜 | 0.3~0.4 | |
| 钢 | 0.2~0.3 | |
| 无心磨削 | 粗磨 | 0.2~0.5 |
| 精磨 | 0.05~0.15 | |
| 研磨 | 手工 | 0.003~0.008 |
| 机械 | 0.008~0.015 | |
| 抛光 | 0.1~0.5 | |
| 超精加工 | 0.003~0.02 | |
平面或端面加工余量的一些经验数值参见表16。平面或端面加工余量与平面或端面大小有关。当加工平面长与宽不大于100mm时,加工余量取下限;当加工平面长大于500mm且宽大于200mm时取上限,其他情况酌减。
表16 平(端)面加工余量
| 加工方法 | 加工余量/mm | |
| 车削 | 粗车 | 1~4.0 |
| 精车 | 0.4~1.7 | |
| 磨削 | 粗磨 | 0.2~0.8 |
| 精磨 | 0.05~0.4 | |
| 铣(刨)削 | 粗铣(刨) | 2.0~4.5 |
| 半精铣(刨) | 0.7~1.5 | |
| 精铣(刨) | 0.6~1.2 | |
渗碳热处理后工件变形较大需要进行磨削加工,加工余量经验数值参见表2.17。
表17 切除渗碳层的加工余量
| 渗碳层深度 | 双边余量/mm | 单边余量/mm |
| 0.4~0.6 | 1.5~1.7 | 1~1.2 |
| 0.6~0.8 | 2~2.2 | 1.2~1.5 |
| 0.8~1.1 | 2.5~3 | 1.5~2 |
| 1.1~1.4 | 3.2~4 | 1.8~2.3 |
| 1.4~1.8 | 4~4.5 | 2.2~2.7 |
2) 经验估计法
工艺人员根据自身积累的机械加工经验,确定加工余量的方法称为经验估计法。经验估计法最为快捷、方便。为了防止余量过小而产生废品,采用经验估计法确定的加工余量往往数值偏大。
3) 分析计算法
分析计算法是根据理论公式和试验资料,对影响加工余量的各因素进行分析、计算从而确定加工余量的方法。这种确定加工余量的方法较合理,但需要掌握完备和可靠的试验资料,计算也相对复杂。一般只在材料十分贵重或少数大批、大量生产的情况下采用。

四、工序尺寸及其公差的确定
零件的设计尺寸一般都要经过多道工序加工才能得到,每道工序加工所应保证的尺寸称为工序尺寸。
工序尺寸及偏差应标注在对应的工序卡的工序简图上,它们是零件加工和工序检验的依据。工序尺寸及偏差标注应符合“入体原则”。
“入体原则”标注指标注尺寸公差时应向材料实体方向单向标注。内表面(如孔)的工序尺寸公差取上偏差为零;外表面(如轴)的工序尺寸公差取下偏差为零。通常,毛坯尺寸公差可以双向布置上、下偏差。
工序尺寸及偏差确定的基本原则如下:
(1) 满足零件加工质量要求;
(2) 毛坯制造方便,制造成本较低;
(3) 各工序加工方便,加工成本较低。
机械加工过程中,工件的尺寸是不断变化的,由毛坯尺寸到工序尺寸,从上道工序尺寸到本道工序尺寸,然后到下道工序尺寸,最后达到满足零件性能要求的设计尺寸。
工序尺寸及偏差确定的基本方法如下:
(1) 最后一道工序的工序尺寸及公差按零件图纸确定;
(2) 其余工序的工序尺寸及公差按工序加工方法的经济加工精度确定;
(3) 各工序的工序余量应当合理;
(4) 工序尺寸及公差确定过程是逐步推算的过程,推算方向是从最后一道工序向前依次推算。
由于零件结构和尺寸关系可能非常复杂,实际工序尺寸及公差计算过程可能会较为繁琐,需要遵循一些计算方法和步骤。
一般来说,如果某个工序尺寸在零件加工过程中工艺基准与设计基准是重合的,则工序尺寸及其公差的计算相对简单。当工艺基准与设计基准不重合时,工序尺寸及其公差的计算较为繁琐。
1.基准重合时工序尺寸及其公差的计算
当工艺基准与设计基准重合时,工件表面多次加工的工序尺寸及其公差的计算是常见的工序尺寸计算问题。
零件设计图纸可以确定最后一道工序的工序尺寸及公差。其余工序尺寸及其公差确定的基本方法如下:
(1) 按照各工序加工方法,确定工序的加工余量;
(2) 依据加工余量计算公式,从最后一道工序的工序尺寸开始,依次计算上一道工序的工序尺寸,直至零件毛坯尺寸;
(3) 按工序加工方法的经济加工精度,确定各中间工序的工序尺寸及公差;
(4) 按“入体原则”标注尺寸极限偏差。
下面举例说明。
例2.1 齿轮箱体轴承安装孔的设计要求为Φ100H7,Ra=0.4μm。其机械加工工艺过程为:毛坯→粗镗→半精镗→精镗→浮动镗。试确定各工序尺寸及其公差。
解: 从机械工艺手册查得各工序的加工余量和所能达到的精度,具体数值见表2.18中的第二、三列,计算结果见表2.18中的第四、五列。


2.基准不重合时工序尺寸及其公差的计算
零件机械加工过程往往是复杂的过程,因此工序尺寸计算过程也往往较为复杂。当零件结构复杂且加工表面较多时,零件加工工序会很多,加工过程中往往会多次更换机械加工机床设备,进行多次安装工件,并更换定位基准。当零件加工精度较高时,尽管零件结构不很复杂,其加工过程经常也会有很多工序,加工过程中常常会使用不同定位基准和工序基准。
由于基准转换致使工序基准、定位基准或测量基准与设计基准不重合时,工序尺寸及其公差的计算需要利用工艺尺寸链理论。
第1章的尺寸链应用例题已经介绍了测量基准或定位基准与设计基准不重合时的工序尺寸计算方法、热处理渗碳层控制工序尺寸计算方法;从未加工表面标注的工序尺寸计算方法。下面用多尺寸同时保证情况工序尺寸设计方法和尺寸跟踪图工序尺寸计算方法作为例题进一步介绍工序尺寸计算方法。
1) 多尺寸同时保证情况工序尺寸计算方法
多尺寸同时保证问题是工序设计时经常遇到的问题。
例2.2 (见教材)
2)尺寸跟踪图方法
当零件结构复杂或工序数目较多时,工序尺寸常常相互关联,工序尺寸分析计算显得错综复杂。遇到工序尺寸计算较为复杂的情况,可以用尺寸跟踪图方法理清尺寸关系,求解工序尺寸。
尺寸跟踪图法是一种有效的工序尺寸分析计算方法。下面举例说明。
例2.3 套筒零件(略去与轴向加工面无关的尺寸)如下图所示,零件轴向表面加工工艺过程如下,要求确定轴向端面加工各工序的工序尺寸及其公差。

工序1:以D面为定位基准,粗车A面;然后以A面作为工序基准,粗车C面。
工序2:以A面为定位基准,粗车和半精车B面;然后以A面作为工序基准,粗车D面。
工序3:以B面为定位基准,精车A面;然后以A面作为工序基准,精车C面。
工序4:以A面作为定位基准,磨削B面。
问题分析:
上图零件轴向表面加工中,出现了多次基准变换。工序1中,A面加工以D面作为工序基准,C面加工以A面作为工序基准;工序2中和工序4中各面加工都是以A面作为工序基准;工序3中,A面加工以B面作为工序基准,C面加工以A面作为工序基准。
上图零件轴向表面加工中,既有外表面加工,亦有内表面加工。重要表面还要分阶段进行加工。上图零件加工具有一定代表性。
尽管下图的零件轴向设计尺寸只有三个,但由于加工表面需要多次加工和需要基准变换,工序尺寸分析计算具有一定复杂性。为清晰起见,可以绘制尺寸跟踪图,描述工序尺寸及工序余量之间的相互关系,方便工序尺寸分析计算。
解:套筒零件毛坯(略去轴向加工面无关尺寸)如下。

尺寸跟踪图绘制过程如下。
(1) 绘制尺寸跟踪图表的表格。
(2) 绘制被加工零件简图于尺寸跟踪图表的表格上部,并用符号标注各个加工表面。
(3) 依据零件加工工艺过程,严格按工序次序逐步绘制工序尺寸及工序余量,不得变更次序。工序之间用表格横线分开。
①工序1尺寸绘制。
标注D表面作定位基准。以D表面作为工序基准加工A表面,绘制工序尺寸A1和工序余量Z1;以加工后的A表面作为工序基准加工C表面,绘制工序尺寸A2和工序余量Z2。
②工序2尺寸绘制。
标注A表面作定位基准。以A表面作为工序基准加工B表面,绘制工序尺寸A3和工序余量Z3;以加工后的A表面作为工序基准加工D表面,绘制工序尺寸A4和工序余量Z4。
③工序3尺寸绘制。
标注B表面作定位基准。以B表面作为工序基准加工A表面,绘制工序尺寸A5和工序余量Z5;以加工后的A表面作为工序基准加工C表面,绘制工序尺寸A6和工序余量Z6。
④工序4尺寸绘制。
标注A表面作定位基准。以A表面作为工序基准加工B表面,绘制工序尺寸A7和工序余量Z7,见图2.13。
⑤绘制设计尺寸。
绘制完全部相关加工工序的工序尺寸,另起一行表格绘制设计尺寸,使用设计尺寸符号。将设计尺寸写成对称公差形式,A8,A9,A10。
⑥ 绘制毛坯尺寸。
最后在尺寸跟踪图表上绘制毛坯尺寸,如下图所示。

工序尺寸计算分析过程如下:
工序尺寸的确定按加工工艺过程的逆向次序逐步进行,亦即按照尺寸跟踪图表由下至上的顺序依次进行。
① 工序尺寸A7计算。
工序尺寸A7与设计尺寸A8相同 。
② 工序余量Z7计算。
工序余量Z7与工序尺寸A7、A5构成尺寸链,其中工序余量Z7为封闭环,工序尺寸A7已知。初步拟定Z7=0.15mm,则可依据尺寸链理论拟定A5基本尺寸
。按经济加工精度确定A5。利用尺寸链理论验算工序余量最小值Z7min=0.05<0.08(最小工序余量的经验数值),不合适,需要修改初步拟定工序余量数值,适当增大工序余量。

重新拟定工序余量Z7=0.2mm,则可依据尺寸链理论拟定A5基本尺寸
。按经济加工精度确定A5。利用尺寸链理论验算工序余量最小值Z7min=0.10>0.08,合适,则确定Z7=0.2mm,A5。
③ 工序尺寸A3和工序余量Z5计算。
工序尺寸A5、A3与工序余量Z5构成尺寸链,其中工序余量Z5为封闭环,工序尺寸A5已知。初步拟定Z5=0.5mm,则可依据尺寸链理论拟定A3基本尺寸
。按经济加工精度确定A3。利用尺寸链理论验算工序余量最小值Z5min=0.40>0.3(最小工序余量的经验数值),合适,利用尺寸理论计算Z5,则确定Z5,A3。

④ 工序尺寸A6计算。
工序尺寸A6与设计尺寸A9相同。
⑤ 工序余量Z6计算。
工序余量Z6和Z5与工序尺寸A6、A2构成尺寸链,其中工序余量Z6为封闭环,工序尺寸A6和工序余量Z5已知。初步拟定工序余量Z6=0.8mm,则可依据尺寸链理论拟定A2基本尺寸。按经济加工精度确定A2。利用尺寸链理论验算工序余量最小值Z6min=0.4>0.3(最小工序余量的经验数值),合适,利用尺寸理论计算Z6,则确定Z6,A2。

⑥ 工序尺寸A4计算。
设计尺寸A10、工序尺寸A4与工序余量Z5构成尺寸链,其中设计尺寸A10为封闭环,工序余量Z5已知。依据尺寸链理论,A4。

⑦ 工序尺寸A1计算。
工序尺寸A1、A4与工序余量Z4构成尺寸链,其中工序尺寸Z4为封闭环,工序尺寸A4已知。初步拟定工序余量Z4=2mm,则可依据尺寸链理论拟定A1基本尺寸。按经济加工精度确定A1。利用尺寸链理论验算工序余量最小值Z4min=1.5>1.2(最小工序余量的经验数值),合适,利用尺寸理论计算Z5=
,则确定Z5,A1。

下面进行毛坯尺寸计算。
① 毛坯尺寸B1计算。
工序尺寸B1、A1与工序余量Z1构成尺寸链,其中工序余量Z1为封闭环, 工序尺寸A1已知。初步拟定工序余量Z1=2mm,则可依据尺寸链理论拟定B1基本尺寸
。按经济加工精度确定B1公差为2,故圆整取B1。利用尺寸链理论验算工序余量最小值Z1min=0.5<1.2(最小工序余量的经验数值),不合适,需要修改初步拟定工序余量数值,适当增大工序余量。

再初步拟定Z1=2.5mm,则可依据尺寸链理论拟定B1基本尺寸。按经济加工精度确定B1公差为2,故圆整取B1。利用尺寸链理论验算工序余量最小值Z1min=1.5>1.2(最小工序余量的经验数值),合适,利用尺寸理论计算Z1,则确定Z1,B1。
② 毛坯尺寸B2计算。
工序尺寸B2、A2与工序余量Z1、Z2构成尺寸链,其中工序余量Z2为封闭环, 工序尺寸A2和工序余量Z1已知。初步拟定工序余量Z2=3mm,则可依据尺寸链理论拟定毛坯尺寸B2基本尺寸。按经济加工精度确定毛坯尺寸B2公差为2,故圆整取B2=
。利用尺寸链理论验算工序余量最小值Z2min=2.1>1.2(最小工序余量的经验数值),合适,则确定B2。

③ 毛坯尺寸B3计算。
工序尺寸B3、A3与工序余量Z1、Z3构成尺寸链,其中工序余量Z3为封闭环,工序尺寸A3和工序余量Z1已知。初步拟定Z3=3.5mm,则可依据尺寸链理论拟定B3基本尺寸16.95。按经济加工精度确定B3公差为2,故圆整取B3。利用尺寸链理论验算工序余量最小值Z3min=16-4.1-10.7=1.2=1.2 (最小工序余量的经验数值),合适,则确定B1。

整理计算数据,将工序尺寸按入体原则标注,见表2.19。


五、工序简图
在工序卡上,需要用图示方式,简洁标明工件装夹方式、加工质量要求等。一般地,工序简图主要包括如下内容:
(1) 零件结构图示;
(2) 用表中符号标明定位基准、夹紧位置等;
(3) 用加粗线条,突出标明本工序的加工表面轮廓;
(4) 标明本工序的工序尺寸及公差、形位公差、表面粗糙度等。
汽车减速器螺旋伞齿轮加工过程中磨内孔和端面的工序简图如下。



