零件图加工分析
工艺审查后的零件图是工艺规程设计的基本技术依据。
与其相关的组件图、部件图、总装图等技术资料有助于工艺人员了解零件图各项技术要求的实质。
对零件进行加工分析能够掌握零件图的结构特征和主要的技术要求,从而为其选择恰当的表面加工方案及加工设备,设计合理的加工工艺过程,设计合理的加工工序。

零件图加工分析是机械加工工艺过程设计的基础,也是工序设计的基础。
简而言之,无论零件的加工工艺过程设计,还是加工工艺的细节问题研讨(如工序设计、工艺问题研究)都需要回到零件图上,以零件的加工分析为基础展开。

一、零件的结构分析
分析零件的结构特点,目的是为零件的机械加工过程设计和加工工序设计提供依据。
任何复杂的表面都是由若干个简单的基本几何表面(外圆柱面、孔、平面或成形表面)组合而成的。
零件加工的实质就是这些基本几何表面加工的组合。
零件的结构是多种多样的,可能是极其复杂的。
零件的加工工艺情况也具有多样性的特点,也可能是非常复杂的。
下面依次阐述零件结构与毛坯类型、加工设备、定位基准、加工方案、工艺过程的关系。
(1)零件结构与其毛坯类型关系密切。
(2)零件结构与其加工设备、定位基准关系密切。
(3)零件结构与其加工方案关系密切。
(4)零件结构与其机械加工工艺过程关系密切。
零件的结构与其工艺过程密切相连。分析零件结构是为了找出恰当的工艺措施,目标是设计出成本低、效益好的工艺规程。

二、零件的技术要求分析
工艺人员进行零件的加工分析时,着重关注零件图在如下几个方面的技术要求:
(1)加工表面的尺寸精度与形状精度要求;
(2)各个表面间的位置精度要求;
(3)加工表面的表面粗糙度要求;
(4)零件的热处理要求。
上述任一个方面技术要求出现较大幅度提高都可提高零件加工难度。
往往加工难度大的表面就是零件的主要加工表面。
它们应是设计人员为了保证整机的性能,对零件着重提出的加工质量要求。

三、识别零件的主要表面并确定其加工方案
依据零件的结构分析和技术要求分析,识别零件的主要加工表面,并优先为其确定加工方法。
目的是以主要表面加工为主开展工艺设计,在完成零件主要表面加工过程中的工序间隙穿插安排零件的其他非主要表面加工工序。
基准对加工方法和加工质量有直接影响,无论主要表面加工方案确定,还是非主要表面加工方案确定,都需要落实工艺基准。
1. 识别零件的主要加工表面
零件的主要机械加工表面通常是对零件完成其在机器上的功能影响较大的表面。它们可能是尺寸公差、形位公差、表面粗糙度值小的比较难加工表面,也可能是各种型面或者不易加工表面的组合。

2. 零件主要表面的加工方案确定
零件表面由主要表面与次要表面构成。零件的机械加工工艺过程由主要加工表面的主要加工过程和次要加工表面的非主要加工过程构成。显然,设计零件的机械加工工艺过程要优先确定构成零件各个主要表面的加工方案。
加工方案选择的基本原则是使零件满足其加工质量要求的前提下,使零件的加工工艺过程具有较高的经济性和适当的生产率。
为简便起见,零件加工质量用加工表面的加工精度和表面粗糙度代表。
由典型加工方法的加工能力与应用频次的关系(参见表2.7)可以看出:每种加工方法能达到的表面加工质量还是非常宽的。

同一种加工方法,当加工质量较高时往往生产率可能会降低。
实践中,应用频次高的加工质量范围往往是这种加工方法的经济性较好的范围。

下图表达了增加零件机械加工过程带来的成本增加情况
从图中可以看出:控制零件制造成本需要选择恰当的零件机械加工方案,减少不必要的加工。

通常,零件的机械加工方案选择应全面考虑下列各方面因素。
1)经济加工精度和表面粗糙度
经济加工精度和表面粗糙度是在正常加工条件下(采用符合质量标准的设备、工艺装备和标准技术等级工人,不延长加工时间)所能保证的加工精度和表面粗糙度。
考虑经济因素后,加工方案的选择原则是所选加工方法的经济加工精度及表面粗糙度应满足零件加工表面的质量要求。
公差等级是指确定尺寸精确程度的等级,国标规定分为20个等级,从IT01、IT0、IT1、IT2~IT18, 数字越大,公差等级(加工精度)越低,尺寸允许的变动范围(公差数值)越大,加工难度越小。

注:基本尺寸小于1mm时,无IT14至IT18
表8、表9及表10分别给出三种基本表面的部分典型加工方案。
表8 典型外圆加工方案
| 加工方案 | 经济精度 | 经济表面粗糙度Ra/μm | 适用范围 |
| 粗车 | 低于IT11 | 12.5~50 | 非淬火钢 |
| 粗车-半精车 | IT8~IT10 | 3.2~6.3 | |
| 粗车-半精车-精车 | IT7~IT8 | 0.8~1.6 | |
| 粗车-半精车-精车-抛光 | IT7~IT8 | 0.025~0.2 | |
| 粗车-半精车-粗磨 | IT7~IT8 | 0.4~0.8 | 淬火与否均可,不适合有色金属 |
| 粗车-半精车-粗磨-精磨 | IT6~IT7 | 0.1~0.4 | |
| 粗车-半精车-粗磨-精磨-研磨 | IT5 | 0.006~0.1 | |
| 粗车-半精车-精车-精细(金刚石)车 | IT6~IT7 | 0.025~0.8 | 有色金属 |
表9 典型孔加工方案
| 加工方案 | 经济精度 | 经济表面粗糙度Ra/μm | 适用范围 |
| 钻 | IT11~IT13 | 12.5 | 非淬火钢 |
| 钻-铰 | IT8~IT10 | 1.6~6.3 | |
| 钻-粗铰-精铰 | IT7~IT8 | 0.8~1.6 | |
| 钻-扩 | IT10~IT11 | 6.3~12.5 | |
| 钻-扩-铰 | IT8~IT9 | 1.6~3.2 | |
| 钻-扩-粗铰-精铰 | IT7 | 0.8~1.6 | |
| 钻-扩-粗铰-手铰 | IT6~IT7 | 0.2~0.4 | |
| 钻-扩-拉 | IT7~IT9 | 0.1~0.6 | 大量生产,非淬火 |
| 粗镗 | IT11~IT13 | 6.3~12.5 | 非淬火,毛坯预留孔 |
| 粗镗-半精镗 | IT9~IT10 | 1.6~3.2 | |
| 粗镗-半精镗-精镗 | IT7~IT8 | 0.8~1.6 | |
| 粗镗-半精镗-精镗-浮动镗 | IT6~IT7 | 0.4~0.8 | |
| 粗镗-半精镗-磨孔 | IT7~IT8 | 0.2~0.8 | 淬火 |
| 粗镗-半精镗-粗磨-精磨 | IT6~IT7 | 0.1~0.2 | |
| 粗镗-半精镗-精镗-金刚镗 | IT6~IT7 | 0.05~0.4 | 有色金属 |
表10 典型平面加工方案
| 加工方案 | 经济精度 | 经济表面粗糙度Ra/μm | 适用范围 |
| 粗车 | IT11~IT13 | 12.5~50 | 非淬火,端面 |
| 粗车-半精车 | IT8~IT10 | 3.2~6.3 | |
| 粗车-半精车-精车 | IT7~IT8 | 0.8~1.6 | |
| 粗车-半精车-精车-精细(金刚石)车 | IT6~IT7 | 0.025~0.8 | |
| 粗车-半精车-磨削 | IT6~IT8 | 0.2~0.8 | 淬火,端面 |
| 粗刨(粗铣) | IT11~IT13 | 6.3~25 | 非淬火 |
| 粗刨(铣)-半精刨(铣) | IT8~IT10 | 1.6~6.3 | |
| 粗刨(铣) -半精刨(铣)-精刨(铣) | IT6~IT8 | 0.63~1.6 | |
| 粗刨(铣) -半精刨(铣)-精刨(铣)-刮研 | IT6~IT7 | 0.1~0.8 | |
| 粗刨(铣) -半精刨(铣)-精刨(铣)-宽刃精刨 | IT7 | 0.2~0.8 | |
| 粗刨(铣) -半精刨(铣)-精刨(铣)-磨削 | IT7 | 0.2~0.8 | 淬火与否均可,不适合有色金属 |
| 粗刨(铣) -半精刨(铣)-精刨(铣)-粗磨-精磨 | IT6~IT7 | 0.025~0.4 | |
| 粗铣-拉削 | IT7~IT9 | 0.2~0.8 | 大量生产,非淬火 |
| 粗铣-精铣-磨削-研磨 | 高于IT5 | 0.006~0.1 | 淬火,高精度 |

表11及表12分别给出两种常见表面的部分典型加工方案。
随着生产技术的发展,工艺水平的提高,同一种加工方法能达到的经济加工精度和表面粗糙度也会不断提高。
表11 典型螺纹加工方案
| 加工方案 | 经济精度 | 经济表面粗糙度Ra/μm | 适用范围 |
| 攻螺纹 | 6~8级 | 1.6~6.3 | 直径较小的内螺纹 |
| 套螺纹 | 6~8级 | 1.6~6.3 | 直径较小的外螺纹 |
| 车螺纹 | 4~9级 | 0.8~3.2 | 车床上加工直径较大的螺纹 |
| 铣螺纹 | 8~9级 | 3.2~6.3 | 大直径梯形螺纹或模数螺纹 |
| 车螺纹(或铣螺纹)-磨螺纹 | 3~4级 | 0.2~0.8 | 高精度内外螺纹 |
| 车螺纹(或铣螺纹)-磨螺纹-研磨螺纹 | 3级 | 0.05~0.1 | |
| 滚螺纹 | 4~6级 | 0.2~0.8 | 标准件螺纹或高强度紧固螺纹 |
| 搓螺纹 | 5~7级 | 0.8~1.6 |
表12 典型渐开线齿形加工方案
| 加工方案 | 经济精度 | 经济表面粗糙度Ra/μm | 适用范围 |
| 铣齿 | 9~11级 | 1.6~6.3 | 少量低精度齿轮 |
| 插齿或滚齿 | 7~8级 | 1.6~6.3 | 非淬火 |
| 插齿-珩齿 | 7~8级 | 0.8~3.2 | 淬火与非淬火,特别是去除淬火氧化皮,一般不提高精度 |
| 插齿-研齿 | 3~6级 | 0.2~0.8 | |
| 插齿(或滚齿)-磨齿 | 3~6级 | 0.2~0.8 | 淬火与非淬火,主要是提高精度 |
| 滚齿-剃齿 | 6~7级 | 0.05~0.1 | 不淬火 |
| 滚齿-剃齿-珩齿 | 6~7级 | 0.2~0.8 | 淬火 |
2)形位公差因素
选择的加工方案要能保证加工表面的几何形状精度和表面相互位置精度要求。
各种加工方法所能达到的几何形状精度和相互位置精度可参阅机械加工工艺手册或机械加工设备手册。
3)材料与热处理因素
选择加工方案要与零件材料的加工性能、热处理状况相适应。
当精加工硬度低、韧性较高的金属材料,
如铝合金件时,通常不宜采用磨削加工。但是采用热处理工艺提高其硬度后,则可以采用磨削加工;
普通非淬火钢件精加工可以采用精车和磨削,考虑生产率因素宜采用精车;
而淬火钢、耐热钢等材料多用磨削进行精加工。
4)生产类型与生产率因素
不同加工方案的生产率有所不同,所选择的加工方案要与生产类型相适应。
大批量生产可采用生产效率高的机床和先进加工方法。
如平面和内孔采用拉削加工,轴类零件可用半自动液压仿形车或数控车床。
而单件小批生产则普遍采用通用车床、通用工艺装备和一般的加工方法。
5)现有生产条件因素
零件加工方案设计要与工厂现有的生产条件相适应,不能脱离现有设备状况和操作人员技术水平,要充分利用现有设备,挖掘生产潜力。

四、 确定零件其他加工表面的加工方案
在零件主要加工表面的加工方案设计完成后,尚需要设计其他非主要表面的加工方案,以便得到完全的零件机械加工工艺过程方案。
通常,非主要加工表面的加工工序是在穿插在零件的主要表面加工工序之间完成的,非主要加工表面的加工方案设计需要充分利用零件主要表面加工方法和设备确定后产生的便利条件。
例如,某零件的主要加工表面与非主要加工表面都是平面,若主要加工平面选定铣削加工,这个零件的非主要加工平面也采用铣削加工是便利的。
这种情况下,如果选用刨削加工则需要更换机床设备和工艺装备,因而这个非主要加工平面的加工方法选用刨削加工则不便利。

五、 定位基准的选择
定位基准的选择与零件的几何结构、零件的机械加工技术要求以及零件主要加工表面及其加工方法关系均较密切。
定位基准可分为粗基准和精基准两种。
如果用作定位的零件表面是没有被机械加工过的毛坯表面,则称之为粗基准;
如果用作定位基准的零件表面是经过机械加工的表面,则定位表面为精基准。
工件典型定位方式见教材附录 H;
常见加工需要限制的自由度见教材附录 I。
机械零件往往有许多表面,但不是零件每个表面都适合作定位基准。定位基准选择需要遵循一些原则。
1. 粗基准选择的原则
在机械加工工艺的过程中,第一道工序总是用粗基准定位。粗基准的选择对零件各加工表面加工余量的分配、保证不加工表面与加工表面间的尺寸、保证相互位置精度等均有很大的影响。
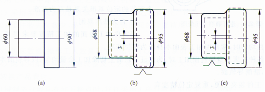
如图所示的套筒镗孔加工,粗基准可以选择外圆柱面,用三爪卡盘安装工件,参见图(a);也可以用内孔作粗基准,用四爪卡盘装夹工件,参见图(b)。两种定位基准产生的加工效果是不同的,因此粗基准选择不是随意的。粗基准选择需要遵循如下原则。

1) 选择重要表面作为粗基准
工件都有相对重要的表面。通常,为了控制重要表面处金相组织均匀,要求重要表面处机械加工金属去除量小且均匀,那么应优先选择该重要表面为粗基准。
例如加工机床床身时,往往要以导轨面为粗基准,如图(a)所示,
然后以加工好的机床底部作精基准,见图 (b),可以使导轨处金属去除量小,且导轨内部组织均匀。
否则,如图(c)和图(d)所示,机床导轨处金属去除量较大,可能导致导轨处金属去除量不均匀,而产生导轨内部金相组织差异较大,造成机床性能下降。

2) 选择不加工表面作为粗基准
为了保证加工表面与不加工表面之间的相互位置要求,一般应选择不加工表面为粗基准。
下图套筒镗孔加工,如果外圆柱面是不加工面,应该用图(a)以外圆柱面定位,保证壁厚均匀。

3) 选择加工余量最小的表面为粗基准
若零件有多个表面需要加工,则应选择其中加工余量最小的表面作为粗基准,以保证零件各加工表面都有足够的加工余量。
例如,如果毛坯件实际尺寸为图(b)或图(c)所示,应选择其中加工余量最小的Φ95圆柱表面作为粗基准,见图(b);
否则选用Φ68表面作为粗基准,导致Φ90表面加工余量不够,如图(c)所示。

4) 选择定位可靠、装夹方便、面积较大的表面为粗基准
粗基准应平整光洁,无分型面和冒口等缺陷,以便使工件定位可靠、装夹方便,减少加工劳动量。
5) 粗基准在同一自由度方向上只能使用一次
重复使用粗基准并重复进行装夹工件操作会产生较大的定位误差。

2. 精基准的选择原则
精基准选择应着重保证加工精度,并使加工过程操作方便。选择精基准一般应遵循以下原则。
1) 基准重合的原则
工艺人员尽量选用设计基准作为精基准,这样可以避免因基准不重合而引起的误差。
《机械制造工艺基础》章节中工艺尺寸链应用例题计算结果说明了定位基准与设计基准不重合情况会大大压缩加工尺寸公差,造成制造困难,甚至无法加工。而测量基准与设计基准不重合则会大大缩小测量尺寸公差,造成假废品现象。
特别强调,从机械加工工艺方面看,设计人员在设计零件图时,在关注零件的功能和要求以外,亦应充分关注零件的加工制造等工艺方面的需要,合理选择设计基准。
2) 基准统一原则
工件加工过程中,尽量使用统一的基准做精基准,容易实现加工面之间具有高位置精度。
例如轴类零件的表面常常是回转表面,常用中心孔作为统一基准,加工各个外圆表面,采用统一基准加工有助于保证各表面之间的同轴度。
箱体零件常用一平面和两个距离较远的孔作为精基准,加工该箱体上大多数表面。盘类零件常用一端面和一端孔为精基准完成各工序的加工。
采用基准统一原则可避免基准变换产生的误差,提高工件加工精度,并简化夹具设计和制造。
3) 互为基准原则
对于两个表面间相互位置精度要求很高,同时其自身尺寸与形状精度都要求很高的表面加工,常采用“互为基准、反复加工”原则。
连杆磨削工序,包含两个安装,两个安装的定位基准关系是互为基准。

4) 自为基准原则
当零件加工表面的加工精度要求很高,加工余量小而且均匀时,常常用加工表面本身作为定位基准。
例如各种机床床身导轨面加工时,为保证导轨面上切除加工余量均匀,以导轨面本身找正和定位,磨削导轨面。
5) 工件装夹方便,重复定位精度高
用作定位的精基准应保证工件装夹稳定可靠,夹具结构简单,工件装夹操作方便,重复定位精度高。
定位基准选定后,依据定位基准的几何特征、零件的结构以及加工表面情况,进一步可以确定工件的夹紧方式和夹紧位置。用下表中的定位与夹紧符号在工序简图上标记定位基准和夹紧位置。



