一、汽车空调系统概述
汽车空调系统是实现对车厢内空气进行制冷、加热、换气和空气净化的装置。它可以为乘车人员提供舒适的乘车环境,降低驾驶员的疲劳强度,提高行车安全。汽车空调系统运转时主要依靠空调压缩机运转。空调压缩机是与发动机通过皮带连接,发动机运行后才能运行空调压缩机,但压缩机还需通过电磁离合机构来控制压缩机工作与否。汽车空调系统一般分为手动空调系统和自动空调系统;手动空调系统需要手动控制车内温度(依靠调整出风口的温度来控制),自动空调则通过控制模块来调整控制汽车内部温度。汽车空调系统一般由压缩机、蒸发器、膨胀阀、储液干燥器、冷凝器、散热风扇、鼓风机等组成。如图6-1、6-2、6-3所示。

图6-1手动空调系统组成意图

图6-2自动空调系统组成意图

图6-3空调系统工作原理图
二、压缩机的组成和作用
压缩机在是汽车空调制冷系统的“心脏”,是制冷系统的动力源泉。压缩机能保持制冷剂的循环,是制冷系统的动力源泉,将吸入的低压低温的制冷剂蒸气通过压缩机加压后变成高温高压的制冷剂蒸气,输送至冷凝器。
汽车空调压缩机一般由压缩机主轴、圆锥齿轮、斜形板、连杆、活塞进气和排气阀门以及摇板等所组成,如图2-4、2-5所示。

图6-4空调压缩机构造图

图6-5 空调压缩机组成
三、空调压缩机的分类
汽车空调压缩机根据工作方式、发展历程的不同分为四类(市场应用比例见下图6-6),分别是:1、曲轴连杆式压缩机;2、轴向活塞式压缩机;3、旋叶式压缩机;4、涡旋式压缩机。
图6-6 市场应用比例
1、曲轴连杆式压缩机
该结构压缩机为第一代空调压缩机,其结构类似于发动机结构。如图6-7,根据气缸的布置位置,可分为直列式、V形、W形、S形(不常见)。根据气缸数量,可分为2、4、6、8缸。
齿类压缩机,曲轴连杆在离合器的带动下做旋转运动,并驱动布置其上的连杆活塞做压缩、排气、膨胀、吸气往复运动。


图6-7 曲轴连杆式压缩机
齿类压缩机有点是,制造技术成熟、结构简单,对零部件加工要求相对较低,制造成本较低。
缺点是,因结构限制,零部件大而重,不宜做到轻量化,不能实现高转速运转,因此,此类压缩机只应用在客车领域。小排量压缩机已不再采用该结构。
2、轴向活塞式压缩机
该结构压缩机为第二代空调压缩机(如图6-10)。根基驱动结构的不同分为单向摇盘式(如图6-8)、双向斜盘式(如图6-9)。根据气缸数量可分为5、6(3缸双向)、7、10(5缸双向)、14(7缸双向)。

图6-8单向摇盘式 图6-9双向斜板式

图6-10 轴向活塞式压缩机
此类压缩机的优点是:制造技术成熟、结构紧凑,对制造有一定的要求,制造成本较低。同时在排量方面可大可小,能够广泛应用在各类车型上。
单向摇盘式压缩机拥有更高的可靠性,耐恶劣工况优势明显,被普遍引用在卡车、工程车上。
双向斜板式压缩机更容易实现小型化、轻量化、高转速、高效率,因此更多的应用在乘用车上。
3、旋叶氏压缩机
该结构压缩机为第三代空调压缩机(如图6-11)。根据气缸形状的不同分为圆形、椭圆形。根据气缸(叶片)数量可分为2、4、5、6...。


图6-11 旋叶氏压缩机
4、涡旋式压缩机
该结构压缩机为第四代空调压缩机。目前应用最多的是动静盘式结构(如图6-12)。

图6-12 涡旋式压缩机
此结构的压缩机具有重量轻、高转速、高可靠性、能效传比高、噪音低、零件少等诸多优势,在小型化方向应用较多(主要在乘用车方面),但是,因对加工精度要求非常高,制造成本较高。综合市场上的应用来看,上述优势并没有达到(比如可靠性)。
涡旋压缩机在大排量应用上不足,最大排量做到206,不能适应制冷量要求较高的领域。
压缩机类型归纳如下图6-13。
图6-13 空调压缩机分类
压缩机的工作原理:
以市场使用最多单旋转斜盘型压缩机为例,如图6-14。

图6-14单旋转斜盘型压缩机工作示意图
单旋转斜盘型压缩机工作过程如图6-15:
(1)吸入行程:如图3-5所示,行程1、行程2、行程3的右汽缸工作为吸入行程;行程4、行程5、行程6的左汽缸工作也为吸入行程。
(2)压缩行程:如图3-5所示,行程1、行程2、行程3的左汽缸工作为压缩行程;行程4、行程5、行程6的右汽缸工作也为压缩行程。

图6-15 单旋转斜盘型压缩机工作过程
四、汽车空调系统的控制方式
汽车空调系统分为手动空调和自动空调两种,手动空调用机械开关控制,其组成见表2-1,自动空调通过模块控制,其组成见表2-2:
表6-1手动空调系统组成
| 名称 | 作用或特点 |
| 蓄电池/发电机 | 为压缩机电磁离合机构提供电压 |
| AC开关 | 控制压缩机电磁离合器接通 |
| 电磁离合器继电器 | 控制压缩机工作 |
| 风扇继电器 | 控制散热风扇转动 |
| 鼓风机 | 给驾乘室送风 |
表6-2自动空调系统组成
| 名称 | 作用或特点 |
| 蓄电池/发电机 | 为压缩机电磁离合机构提供电压 |
| 空调ECU | 负责空调系统所有控制 |
| 冷却液温度传感器 | 给空调ECU模块发送信号 |
| 室内温度传感器 | 测量驾乘室内温度,并给空调ECU模块提供温度信号 |
| 电磁离合器继电器 | 控制压缩机工作 |
| 风扇继电器 | 控制散热风扇转动 |
| 鼓风机 | 给驾乘室送风 |
1.手动空调系统的控制
手动空调系统通过AC开关来控制空调压缩机工作。首先打开鼓风机开关调节风速,打开温度控制开关调节温度,再打开AC开关,打开电磁离合器继电器线圈通电,压缩机开始工作。工作原理如图6-16所示。
图6-16 手动空调系统控制原理图
2.自动空调系统的控制
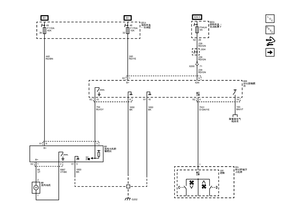
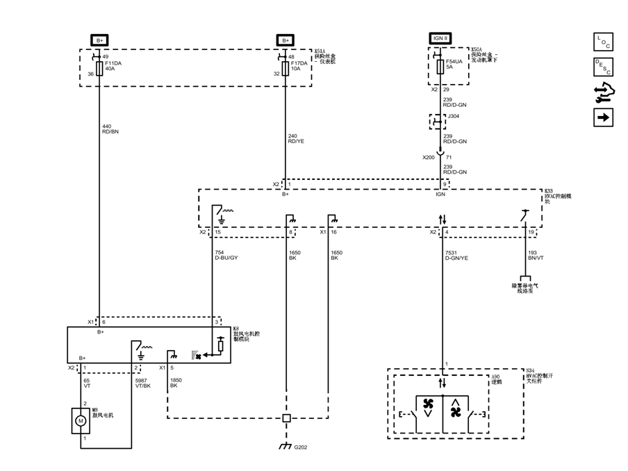
自动空调系统通过控制开关控制驾乘室内温度,空调系统ECU收到控制温度信号后控制压缩机工作,同时控制散热风扇继电器工作和鼓风机继电器工作,继电器工作后压缩机、散热风扇和鼓风机完成工作,原理如图6-17所示。

图6-17 自动空调系统控制原理图
五、压缩机使用要求
(1)压缩机的制冷能力要强,因为汽车行驶丁况变化频繁,汽车发动机转速变化范围很大,要确保汽车在低速时有良好的制冷效果,就需要压缩机的制冷能力要足够强。
(2)压缩机的效率要高,以节省发动机的动力,尤其在汽车高速行驶时,消耗发动机的动力要小,以免影响汽车正常行驶。
(3)压缩机的体积要小、重量要轻,以减轻车辆白重,提高汽车的动力性和经济性,尤其是轿车,其安装空间有限,体积小、重量轻的压缩机就更显得重要了”
(4)压缩机要耐高温、抗振动,阅为发动机周围的温度最高可达120°C的颠簸振动在所难免。
(5)要求压缩机起动与运转平稳、振动小、噪声低、工作可靠。