发电机相关知识
一、交流发电机的功用
发电机是汽车的主要电源,其功用是在发动机正常运转时(怠速以上),向所有用电设备(起动机除外)供电,同时向蓄电池充电。

二、交流发电机的构造
交流发电机主要由定子、转子、整流装置和传动散热装置等部分组成,如图所示:
1.定子
交流发电机的定子又叫电枢,是用来产生交流电动势的。由定子线圈及硅钢片迭成的定子铁芯组成,两端为铝制的端盖所支撑,为外壳的部分,其结构如图所示。
定子的构造
定子铁芯由许多涂有绝缘漆的硅钢片迭成,内有直槽,以容放定子线圈,槽数为转子磁极数的三倍。
定子线圈由漆包线绕成,共有三组线圈,每组线圈由与转子磁极数相等数量的线圈串联而成。定子绕组的接法有星形(Y形)三角形(△)两种方式。发电机一般采用星形连接,即每相绕组的首端分别与整流器的硅二极管相接,作为交流发电机的输出端,每相绕组的尾端接在一起,形成中性点N。
2.转子
交流发电机的转子是用来建立磁场的,主要由磁极、磁场线圈、集电环和轴等组成,如图。
转子的构造
两块爪形磁极交叉组合在一起,一边为N极,另一边为S极,N、S极相间排列,一般为8~16极。磁场线圈在内部被磁极包围,两端以轴承支持在端壳上,前端装有V形带轮,由发动机曲轴通过V形带驱动,使转子在定子中旋转。
磁场线圈以细的漆包线绕成,线的两端各接在一个集电环上,与轴及磁极有良好绝缘。集电环装在转子轴之一端,以黄铜或铜制成,与轴绝缘,供电流输入磁场线圈用。
转子线圈电流的流动回路如下:
由调节器来的电流→电刷→集电环→磁场线圈→集电环→电刷→搭铁。
3.整流器
整流器的作用是将定子绕组产生的三相交流电变成直流电输出,3个正极整流二极管装在一块金属板上成为正整流板,3个负极整流二极管装在另一块金属板上成为负整流板,两块整流板装在铝制的端盖上。
整流器的构造图
整流二极管为大功率的二极管,构造如图所示,正、负极整流二极管的外形一样,在外壳上有记号注明电流方向,正极整流管用红色、负极整流管用黑色字注明规格。
整流二极管的构造
整流器必须散热良好,如果温度过高(超过150℃)将会失去整流作用。因此整流器安装在端壳的通风口上,利用风扇强制通风冷却。
有些交流发电机的整流器采用9只二极管,增加的是3只小功率磁场二极管,专门用来供给励磁电流,这样可以提高发电机的电压调节精度。采用磁场二极管后,仅用简单的充电警告灯即可指示发电机的发电情况。
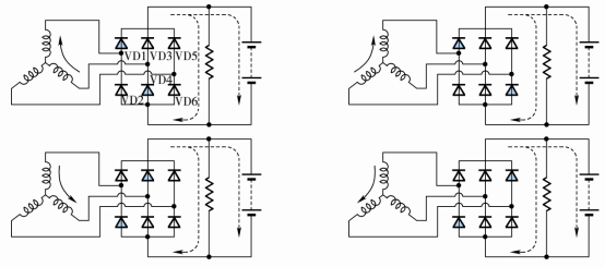
另外,有些交流发电机为了提高中性点电压,提高发电机输出功率,增加了两只二极管对中性点电压进行整流,汇入发电机的输出端。同时具备上述两种功能的发电机整流器共有11只整流二极管,下图为几种不同的发电机整流器。
a)8管整流器 b)9管整流器 c)11管整流器
具有中性点和励磁二极管的整流器
4.电刷与电刷架
两只电刷装在电刷架的方孔内,利用弹簧的压力使其与集电环保持良好的接触。电刷与电刷架的结构有外装式和内装式两种,其构造如下图所示。
电刷与电刷架
两电刷的引线分别接后端盖上的两个接线柱,按接线柱的形式不同,发电机可分为内搭和外搭铁两种形式。其中,内搭铁式发电机的一个接线柱与后端盖绝缘,称为“励磁”接线柱,标记“励磁”或“F”,另一接线柱后直接接到后端盖上,称为“搭铁”接线柱,标记“搭铁”或“-”。外搭铁式发电机的两个接线柱都与后端盖绝缘,分别标记“F1”和“F2”,如下图所示。
发电机的搭铁方式
5.前、后端盖
发电机的前、后端盖如下图所示,使用不导磁的铝合金制成,用以支撑转子与定子,并用固定架安装于发动机上。端盖上有通风孔,让冷却空气通过。后端盖上安装有整流器、电刷架、输出接头及轴承等。

后端盖的构造 前端盖的构造
6.V形带轮及风扇
V形带轮装在转子轴的前端,由发动机曲轴通过V形带驱动。风扇装在转子轴的前端或发电机的内部,以冷却转子线圈及整流管等。

a)V形带轮 b)风扇
V形带轮和风扇
二、 交流发电机工作原理
1、发电原理
在发电机内部有一个由发动机带动转子(旋转磁场),磁场外有一个定子绕组, 绕组有3组线圈(3相绕组),3相绕组彼此相隔120度。当转子旋转时,旋转的磁场使固定的电枢绕组切割磁力线(或者说使电枢绕组中通过的磁通量发生变化)而产生电动势。
2整流原理:
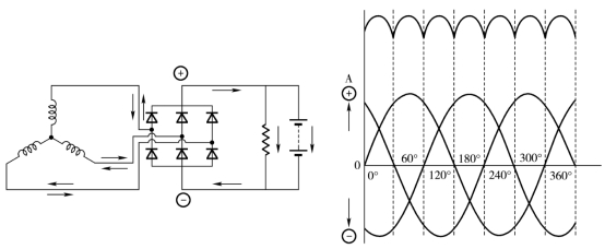
交流发电机定子的三相绕组中,感应产生的是交流电是靠六只二极管组成的三相桥式整流电路变为直流电的。
二极管具有单项导电性,当给二极管加上正向电压时,二极管导通, 当给二极管加上反向电压时,二极管截止,二极管的导通原则如下:
当三只二极管负极端相连时,正极端电位最高者导通;
当三只二极管正极端相连时,负极端电位最低者导通。
整流过程如下图所示。
①正极管的导通原则。由于3只正极管(VD1、VD3、VD5)的正极分别接在发电机三相绕组的始端上,它们的负极又连接在一起,所以3只正极管的导通原则是在某一瞬间,正极电位最高者导通。
②负极管的导通原则。由于3只负极管(VD2、VD4、VD6)的负极分别接在发电机三相绕组的始端,它们的正极又连接在一起,所以3只负极管的导通原则是在某一瞬间负极电位最低者导通。
由下图我们可以看到,从每个线圈流到二极管的电流在3根导线处不断改变方向。但是从二极管出来的电流方向将固定不变,从而形成正(+)极和负(-)极。
整流过程
3、电压调节器的功用、型号及工作原理
(1)电压调节器的功用
电压调节器是把发电机输出电压控制在规定范围内的调节装置。由于交流发电机的转子是由发动机通过传动带驱动旋转的,且发动机和交流发电机的速比为1.7~3,因此交流发电机转子的转速变化范围非常大,这样将引起发电机的输出电压发生较大变化,无法满足汽车用电设备的工作要求。为了防止发电机电压过高而烧坏用电设备和导致蓄电池过量充电,同时也防止发电机电压过低而导致用电设备工作失常和蓄电池充电不足。交流发电机必须配用电压调节器,使其输出电压在发动机所有工况下基本保持恒定。
(2)电压调节器的分类
电压调节器可按工作原理分类,也可按搭铁形式分类。
交流发电机电压调节器按工作原理可分为以下几类。
①触点式电压调节器。触点式电压调节器是通过触点开闭,使磁场电路的电阻改变来调节电压的;触点在开闭过程中存在着机械惯性和电磁惯性,有单级触点式和双级触点式,这种电压调节器触点易氧化、烧蚀,使用寿命短,对无线电干扰大、可靠性差,现已很少使用,基本上被淘汰。
②晶体管式电压调节器(也称电子调节器)。晶体管式电压调节器是以稳压管作为电压感受元件,控制晶体三极管的通断来调节励磁电流,使发电机电压保持稳定。这种调节器没有触点,使用过程中无须维护,具有结构简单、体积小、质量轻,寿命长、可靠性高、无线电干扰小等优点,目前已经逐步取代触点式调节器。
②集成电路调节器。集成电路调节器又称IC电路调节器,集成电路调节器与电子调节器的工作原理相同,根据发电机或蓄电池的电压信号(输入信号),利用三极管的开关特性控制发电机的磁场电流,达到稳定发电机输出电压的目的。具有超小型、可靠性高、成本低等优点,可方便地安装在发电机内部与发电机组成一个整体,故装有集成电路调节器的交流发电机又称为整体式交流发电机。
③计算机控制调节器。计算机控制调节器是现代轿车采用的一种新型调节器,由电负载检测仪测量系统总负载后,向发动机控制单元发送信号,然后由发动机控制单元控制发电机电压调节器,适时地接通和断开励磁电路,即能可靠地保证电气系统正常工作,使蓄电池充电充足,又能减轻发动机负荷,提高燃料经济性。
交流发电机电压调节器按搭铁形式的不同可分为内搭铁式(与内搭铁式交流发电机配套使用)和外搭铁式(与外搭铁式交流发电机配套使用)。
(3)电压调节器的型号
按QC/T73-1993《汽车电气设备产品型号编制方法》的规定,汽车交流发电机电压调节器的产品型号编制规则如下:
①产品代号。交流发电机电压调节器的产品代号有FT和FTD两种,分别表示发电机电压调节器和电子式发电机电压调节器(字母F、T、D分别为发、调、电的汉语拼音第一个字母)。
(2)电压等级代号。该代号与交流发电机相同,电压等级代号用一位阿拉伯数字表示:1表示12V系统,2表示24V系统,6表示6V系统。
③结构形式代号。结构形式代号用一位阿拉伯数字表示,见表3-3。
④设计代号。设计代号按产品设计先后次序,用1~2位阿拉伯数字表示。
变形代号。变形代号用汉语拼音大写字母A、B、C……顺序表示(不能用0和1)。
例如:FT126C表示12V的双联机械电磁振动式调节器,第6次设计,第3次变形。
4、电压调节器基本工作原理
根据交流发电机产生的有效电动势公式EΦ=C1nФ可以得出:发电机产生的电动势EΦ与发电机转速n和磁通量Ф成正比。发电机的转速n随发动机转速变化而在很大范围内变化。如果要在转速n变化时维持发电机输出电压恒定,就必须相应的改变磁极磁通量Ф。因为磁极磁通量多取决于磁场电流的大小,所以在发电机转速变化时,只要自动调节磁场电流,就能使发电机电压保持恒定。
电压调节器就是利用自动调节磁场电流使磁极磁通量改变这一原理来调节发电机输出电压的。
调节磁场电路电流的方法一般有三种:一是通过更改电路中的电压,二是更改电路中的电阻值,三是控制电路的通与断,电压调节器采用的是后两种方法。触点式电压调节器是通过触点开闭,使磁场电路的电阻改变,从而来调节磁场电流;其他型式的电压调节器是利用功率三极管的开关特性,使磁场电流接通与切断,从而来调节磁场电流。
触点式电压调节器工作原理
触点式电压调节器目前应用不多,双级触点式仍有少量车采用,现简单介绍如下。
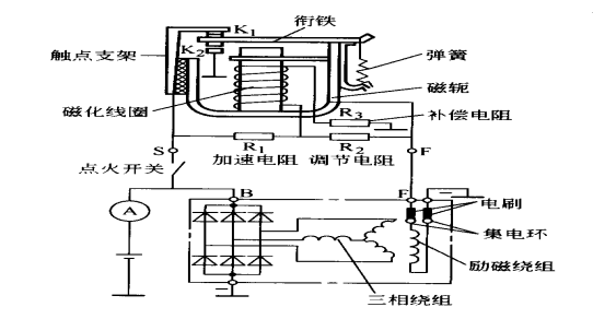
双级触点式电压调节器的结构和原理如下图所示,它有两对触点,K1为常闭触点(也称低速触点),K2为常开触点(也称高速触点),有三个电阻,分别是加速电阻、附加电阻和温度补偿电阻。
双级触点式电压调节器电路原理
低速时通过低速触点振动使附加电阻串入励磁回路从而调节励磁电流;高速时高速触点振动,附加电阻串入励磁回路,同时还将发电机励磁绕组短路,使发电机电压恒定。
晶体管电压调节器的工作原理
晶体管电压调节器基本工作原理如下图所示。调节器的“+”接线柱接点火开关,F接线柱接发电机励磁绕组,“+”和F之间为三极管的集电极与发射极之间形成的开关电路,“+”与“-”之间有两个电阻R1、R2组成的分压器,其O点电压正比于发电机电压,O点与放大器之间接有稳压管Dw,用来感知电压。其工作过程为:在发电机电压较低的情况下,分压器中间O点电压也较低,此时稳压管处于截止状态,此状态经放大器放大,给三极管的基极一个高电位信号,使三极管导通,励磁电流可以通过三极管流入发电机励磁绕组,使发电机电压上升,当电压上升到调节器电压调整值时,O点电压升高至稳压管的击穿电压,稳压管被击穿,此信号经放大器放大后给三极管一个低电位信号,使三极管截止,切断了励磁电流,发电机无励磁电流,电压便下降,这样又使三极管导通,如此反复,使发电机的电压稳定在一定值。
晶体管电压调节器基本工作原理
从上述调节器的结构和工作情况看,晶体管电压调节器共有三个接线柱,即“+”、“F”和“-”,在接线时不能接错。值得注意的是,晶体管电压调节器的接线方式根据发电机和调节器的形式而有所不同。虽然调节器的接头标注都一样,但接法完全不同。下图为发电机和调节器的两种接线方式。
为磁场线圈内搭铁式,调节器装在发电机与点火开关之间,发电机励磁绕组有一端搭铁。为外搭铁式,调节器装在发电机励磁绕组与搭铁之间,发电机励磁绕组无搭铁端,调节器控制励磁绕组搭铁。这两种形式的发电机与调节器不能互换,否则将会造成发电机电压失调或不发电。
发电机和调节器的两种接线方式
集电路调节器的工作原理
集成电路调节器的基本工作原理与晶体管调节器完全一样,都是利用晶体三极管的开关特性控制发电机磁场电流来达到稳定发电机输出电压的目的,如图3-25所示。它也有内搭铁和外搭铁之分,而且以外搭铁使用的较多。
IC电压调节器